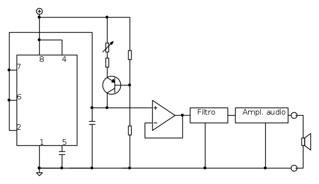
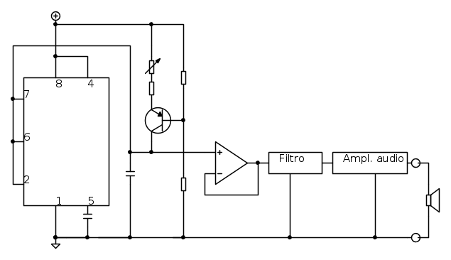
Arrow ha scritto:In linea teorica hai ragione, ed è quello che ho fatto....
Manco per niente!! Mi sa che non hai capito o non hai letto bene quello che ho scritto..fai un po' come ti pare.
Moderatori:
carloc,
g.schgor,
BrunoValente,
IsidoroKZ
Arrow ha scritto:In linea teorica hai ragione, ed è quello che ho fatto....


Arrow ha scritto:Il buffer non funziona, questo l'ho confermato.
Arrow ha scritto: Quindi optai per un ampli da strumentazione.
http://www.ti.com/ww/en/bobpease/assets/AN-31.pdf
ultimo schema a pagina 16
amplificatore da strumentazione con elevata impedenza di ingresso, provato a farlo con lm324 l'onda è un po' più brutta ma va bene uguale, ci ho attaccato la cassa e funziona.









PietroBaima ha scritto:Secondo me l'inseguitore di tensione non funziona perché non si richiudono le correnti di bias...






Visitano il forum: Nessuno e 55 ospiti