:
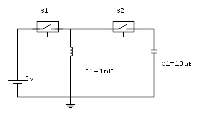
a cui si perviene nell’analisi dei convertitori DC-DC in particolare Step-Down o discesa(Buck),poiché la tensione presente ai capi del condensatore coincide con la F.c.e.m. indotta derivante dall’apertura di S1 e dalla chiusura di S2 secondo la seguente tabella:
S1 S2
T<0 Off Off
T=0 On Off
T=10 us Off on
Analizziamo il circuito seguendo le varie fasi di commutazione d1 S1 ed S2:
• Per T<0 essendo S1=S2=off il circuito è nella condizione di riposo e quindi non circola nessuna corrente
• Per T=0 essendo S1=on S2=off avremo che L’induttore L1 si carica a tensione costante,quindi la corrente sale linearmente secondo la relazione i=(E/L)*t e per t=10 usec avremo: I=(5/1 mH)*10us=50mA
Durante la fase off il circuito diviene di tipo LC,prevediamo un’oscillazione con frequenza pari a:
f=

f=
=1.59khzVorrei ricavare l'ampiezza della sinusoide mediante la trasformata di Laplace
ma giunto a questo punto no so come procedere poiché il libro mi dice di antitrasformare dopo aver moltiplicato numeratore e denominatore


e devo ottenere il seguente risultato:
*tGrazie dell'aiuto Antonio

Elettrotecnica e non solo (admin)
Un gatto tra gli elettroni (IsidoroKZ)
Esperienza e simulazioni (g.schgor)
Moleskine di un idraulico (RenzoDF)
Il Blog di ElectroYou (webmaster)
Idee microcontrollate (TardoFreak)
PICcoli grandi PICMicro (Paolino)
Il blog elettrico di carloc (carloc)
DirtEYblooog (dirtydeeds)
Di tutto... un po' (jordan20)
AK47 (lillo)
Esperienze elettroniche (marco438)
Telecomunicazioni musicali (clavicordo)
Automazione ed Elettronica (gustavo)
Direttive per la sicurezza (ErnestoCappelletti)
EYnfo dall'Alaska (mir)
Apriamo il quadro! (attilio)
H7-25 (asdf)
Passione Elettrica (massimob)
Elettroni a spasso (guidob)
Bloguerra (guerra)








) 
.