
Funzionamento idropulitrice e riparazione
0
voti

"Non farei mai parte di un club che accettasse la mia iscrizione" (G. Marx)
-

claudiocedrone
21,3k 4 7 9 - Master EY

- Messaggi: 15302
- Iscritto il: 18 gen 2012, 13:36
0
voti
Avevo gia chiesto, sui 1500€ una bella. un po' meno con qualche requisito in meno, avevo gia chiesto perché comunque è gi ain conto di comprne la seconda.
Tra l'altro a 1500€ è gia la versione a bruciatore portatile, cioè quella non carrellata gigante come la mia ma quella piccolina che la trasporti inclinandotela addosso. non è male
Cioè, secondo me, la potenza del motore e del bruciatore magari non saranno paragonabili a quelle che ho, però il risparmio di spazio e manovrabilità sono indubbiamente superiori
Tra l'altro a 1500€ è gia la versione a bruciatore portatile, cioè quella non carrellata gigante come la mia ma quella piccolina che la trasporti inclinandotela addosso. non è male
Cioè, secondo me, la potenza del motore e del bruciatore magari non saranno paragonabili a quelle che ho, però il risparmio di spazio e manovrabilità sono indubbiamente superiori
0
voti
Ciao alla fine ho comprato il motore nuovo da Idropavese, il motore viene venduto gia con il cablaggio ed il condensatore, mi hanno inoltre regalato il filtro del gasolio e dello shampoo e i cavi per sostituire quelli della bobina.
Segnalo, se qualcuno fosse interessato, un ottimo prezzo per le idropulitrici nuove che entro dicembre le vendono a 1k+IVA una versione col bruciatore (io la ho gia ordinata, con l'occasione dello sconto. Che poi è in pronta-consegna ma è per trasportarla che appena hanno tempo me la portano).
Stasera o domani mi metto a sostituire con la termorestringente e chili di isolante i cavi in alta tensione, come giustamente mi ha detto anche lui il pericolo è che a lungo andare i cavi scarichino a massa e che non "scintilli" più.
Questo week end invece mi monto il motore nuovo e vediamo se funziona. vi terrò aggiornati.
Ah: apparentemente non c'è il sensore di luce per interrompere la scintilla nel bruciatore
Ciao ciao!
Segnalo, se qualcuno fosse interessato, un ottimo prezzo per le idropulitrici nuove che entro dicembre le vendono a 1k+IVA una versione col bruciatore (io la ho gia ordinata, con l'occasione dello sconto. Che poi è in pronta-consegna ma è per trasportarla che appena hanno tempo me la portano).
Stasera o domani mi metto a sostituire con la termorestringente e chili di isolante i cavi in alta tensione, come giustamente mi ha detto anche lui il pericolo è che a lungo andare i cavi scarichino a massa e che non "scintilli" più.
Questo week end invece mi monto il motore nuovo e vediamo se funziona. vi terrò aggiornati.
Ah: apparentemente non c'è il sensore di luce per interrompere la scintilla nel bruciatore
Ciao ciao!
0
voti

"Non farei mai parte di un club che accettasse la mia iscrizione" (G. Marx)
-

claudiocedrone
21,3k 4 7 9 - Master EY

- Messaggi: 15302
- Iscritto il: 18 gen 2012, 13:36
0
voti
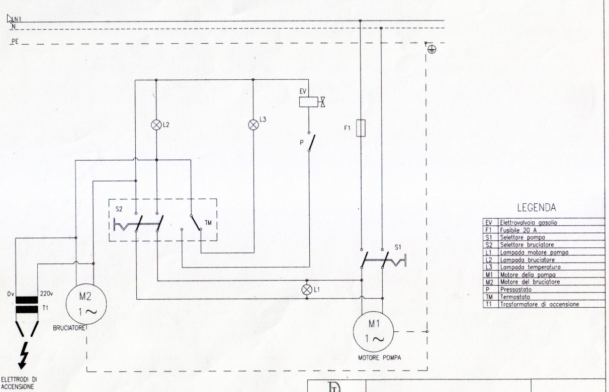
Il componente ignoto alla fine era il condensatore 
Comunque per sua logica tale componente deve essere all'interno del bruciatore (se no non potrebbe "vedere" la fiamma) giusto?
L'ipotesi è che sia o nei pressi della scintilla (così si estrae il sensore insieme a tutto il resto) oppure da qualche altra parte.
Il funzionamento, per come ho verificato il collegamento, è:
- --> "Sempre attivi se swith acqua calda è ON" :
|-----------Motore (fa girare sia il gasolio nel ricircolo sia la ventilazione)
|-----------Bobina (quello che fa la "scintilla")
- --> "A comando dalla centralina" :
|-----------Elettrovalvola ("fa immettere il gasolio nel bruciatore anzichè completare il suo giro nel ricircolo )
Ho il PDF dello schema che mi ha fornito Idropavese ma sono 3,3MB, come posso passarvelo ? (il forum mi dice che è troppo grosso)
edit: ho fatto un bruttissimo screenshot dello schema, ora dovreste poterlo vedere
Comunque per sua logica tale componente deve essere all'interno del bruciatore (se no non potrebbe "vedere" la fiamma) giusto?
L'ipotesi è che sia o nei pressi della scintilla (così si estrae il sensore insieme a tutto il resto) oppure da qualche altra parte.
Il funzionamento, per come ho verificato il collegamento, è:
- --> "Sempre attivi se swith acqua calda è ON" :
|-----------Motore (fa girare sia il gasolio nel ricircolo sia la ventilazione)
|-----------Bobina (quello che fa la "scintilla")
- --> "A comando dalla centralina" :
|-----------Elettrovalvola ("fa immettere il gasolio nel bruciatore anzichè completare il suo giro nel ricircolo )
Ho il PDF dello schema che mi ha fornito Idropavese ma sono 3,3MB, come posso passarvelo ? (il forum mi dice che è troppo grosso)
edit: ho fatto un bruttissimo screenshot dello schema, ora dovreste poterlo vedere
0
voti

"Non farei mai parte di un club che accettasse la mia iscrizione" (G. Marx)
-

claudiocedrone
21,3k 4 7 9 - Master EY

- Messaggi: 15302
- Iscritto il: 18 gen 2012, 13:36
0
voti
Hai ragione!
Cavolo sono andato proprio ieri da idropavese (si chiamo così eheh) e il tipo è stato di una gentilezza mai vista: mi ha spiegato un botto di cose e, per mia dimenticanza, non ci ho pensato di chiederglielo....
(
Prima di disturbarlo ancora provo a montare il nuovo motore, fare qualche test, e vedere se funziona! In caso positivo evito di disturbare di nuovo tutti, in caso negativo provo ad indagare più a fondo il problema e cercare di identificare il sensore di luce.
Come primo test, da tutto il corpo "di fiamma" staccato e m esso per terra, collego l'elettrovalvola insieme al motore e stacco la bobina ed attivo il tutto: in questo modo dovrei forzare lo "spruzzo" del gasolio (abilitando l'elettrovalvola) dall'ugello e il circolo del gasolio (motore) in modo da verificare se col tempo non si è magari ostruito o che.
Cavolo sono andato proprio ieri da idropavese (si chiamo così eheh) e il tipo è stato di una gentilezza mai vista: mi ha spiegato un botto di cose e, per mia dimenticanza, non ci ho pensato di chiederglielo....
(Prima di disturbarlo ancora provo a montare il nuovo motore, fare qualche test, e vedere se funziona! In caso positivo evito di disturbare di nuovo tutti, in caso negativo provo ad indagare più a fondo il problema e cercare di identificare il sensore di luce.
Come primo test, da tutto il corpo "di fiamma" staccato e m esso per terra, collego l'elettrovalvola insieme al motore e stacco la bobina ed attivo il tutto: in questo modo dovrei forzare lo "spruzzo" del gasolio (abilitando l'elettrovalvola) dall'ugello e il circolo del gasolio (motore) in modo da verificare se col tempo non si è magari ostruito o che.
0
voti

"Non farei mai parte di un club che accettasse la mia iscrizione" (G. Marx)
-

claudiocedrone
21,3k 4 7 9 - Master EY

- Messaggi: 15302
- Iscritto il: 18 gen 2012, 13:36
0
voti
OTTIMA IDEA!
ho gia smontato la ventola direttamente in idropavese perché il ricambio che mi aveva dato aveva una ventola compresa e , per farmi un favore, mi ha tirato giu la mia e messa sul motore nuovo, così mi ha fatto risparmiare 22€ i ventola.
ed ho visto che ha tribulato molto per tirarla giu perché era incrostata...
quando era montato tutto sull'idropulitrice a mano riuscivo a far girare la ventola per cui anche la poma, anche se con molta fatica. una buona cosa, secondo me, è prima mettere abbondante svitol o lubrificnate dove possibile... non si sà mai che magari la pompa è rotta oppure non giri bene
ho gia smontato la ventola direttamente in idropavese perché il ricambio che mi aveva dato aveva una ventola compresa e , per farmi un favore, mi ha tirato giu la mia e messa sul motore nuovo, così mi ha fatto risparmiare 22€ i ventola.
ed ho visto che ha tribulato molto per tirarla giu perché era incrostata...
quando era montato tutto sull'idropulitrice a mano riuscivo a far girare la ventola per cui anche la poma, anche se con molta fatica. una buona cosa, secondo me, è prima mettere abbondante svitol o lubrificnate dove possibile... non si sà mai che magari la pompa è rotta oppure non giri bene
0
voti

"Non farei mai parte di un club che accettasse la mia iscrizione" (G. Marx)
-

claudiocedrone
21,3k 4 7 9 - Master EY

- Messaggi: 15302
- Iscritto il: 18 gen 2012, 13:36
Torna a Costruzione, riparazione, riutilizzo
Chi c’è in linea
Visitano il forum: Nessuno e 28 ospiti

Elettrotecnica e non solo (admin)
Un gatto tra gli elettroni (IsidoroKZ)
Esperienza e simulazioni (g.schgor)
Moleskine di un idraulico (RenzoDF)
Il Blog di ElectroYou (webmaster)
Idee microcontrollate (TardoFreak)
PICcoli grandi PICMicro (Paolino)
Il blog elettrico di carloc (carloc)
DirtEYblooog (dirtydeeds)
Di tutto... un po' (jordan20)
AK47 (lillo)
Esperienze elettroniche (marco438)
Telecomunicazioni musicali (clavicordo)
Automazione ed Elettronica (gustavo)
Direttive per la sicurezza (ErnestoCappelletti)
EYnfo dall'Alaska (mir)
Apriamo il quadro! (attilio)
H7-25 (asdf)
Passione Elettrica (massimob)
Elettroni a spasso (guidob)
Bloguerra (guerra)
