Calcolo Trasformata per stepup
Moderatori:
carloc,
g.schgor,
BrunoValente,
IsidoroKZ
23 messaggi
• Pagina 2 di 3 • 1, 2, 3
0
voti
schiera di utenti che pongono domande e poi spariscono.
Strano modo di utilizzare il Forum
Comunque, a completamento dell'argomento, riporto
la soluzione del problema.
il procedimento per tener conto delle condizioni iniziali
è illustrato qui (ultimo esempio prima delle Conclusioni).
Nel caso specifico è:



da cui si ricava:
).antitrasformando (cioè passando da s a t, come da
Tabella di conversione (cap. 7), si ottiene

Abbiamo così determinato l'andamento della corrente
fra L e C durante la chiusura di S2 e per ricavare v
non resta che applicare l'uguaglianza

da cui antitrasformando si ricava la soluzione:

(con
)0
voti
egregio sig. schor le chiedo scusa della mia mancanza,non volevo mancare di rispetto e cortesia nei suoi riguardi che è sempre cortese e disponibile,sono stato assente perché col maltempo sono stato un po' impegnato con i vigili del fuoco essendo un volontario, ed in seguito seguito ho beccato l'influenza con mia figlia.Però vorrei approfondire meglio l'argomento poiché mi sento carente in merito.
La ringrazio per la cortesia traggo spunto dalla sua spiegazione e la farò sapere al più presto.
Sperano che non me ne voglia le porgo i più distinti e cordiali saluti Antonio.
La ringrazio per la cortesia traggo spunto dalla sua spiegazione e la farò sapere al più presto.
Sperano che non me ne voglia le porgo i più distinti e cordiali saluti Antonio.
-

antoniosim
15 1 5 - New entry

- Messaggi: 72
- Iscritto il: 9 set 2009, 20:21
0
voti
Lo farò con immenso piacere persone come lei rendono unico il sapere,credo che la disturberò per altre domande inerenti Laplace .
grazie per la disponibilità buona serata
grazie per la disponibilità buona serata
-

antoniosim
15 1 5 - New entry

- Messaggi: 72
- Iscritto il: 9 set 2009, 20:21
0
voti
Egregio prof schor ho elaborato la formula postata tempo dopo aver studiato Laplace sperando che sia corretta
scusi del ritardo ed attendo soui consigli:
Diatinti saluti antonio
![I/C*/[S^{2}+1/(L*C)] I/C*/[S^{2}+1/(L*C)]](/forum/latexrender/pictures/68a76c789e8f5f4d5570122613414c62.png)
moltiplico numeratore e denominatore per il termine

![{I}/{C}*\frac{1}{\sqrt L*C } /[S^{2}+1/(L*C)]*(1/^{^{}}\sqrt{L*C}) {I}/{C}*\frac{1}{\sqrt L*C } /[S^{2}+1/(L*C)]*(1/^{^{}}\sqrt{L*C})](/forum/latexrender/pictures/812ba93977173a3a6e54d600d3b7c6b0.png)
nella formula soprastante portantdo il termine
del denominatore

al numeratore avremo:![{I}/{C}*(\sqrt{L*C})\frac{1}{\sqrt L*C } /[S^{2}+1/(L*C)] {I}/{C}*(\sqrt{L*C})\frac{1}{\sqrt L*C } /[S^{2}+1/(L*C)]](/forum/latexrender/pictures/d428b06f7a53e8245d1cbfef6d49d959.png)
notiamo che il termine
![\frac{1}{\sqrt L*C } /[S^{2}+1/(L*C)] \frac{1}{\sqrt L*C } /[S^{2}+1/(L*C)]](/forum/latexrender/pictures/6be5694147687c844460ca94a268fc72.png)
ricade nella condizione
= 
ed essendo
elaborando al numeratore i termini sotto radice ottengo:

scusi del ritardo ed attendo soui consigli:
Diatinti saluti antonio
![I/C*/[S^{2}+1/(L*C)] I/C*/[S^{2}+1/(L*C)]](/forum/latexrender/pictures/68a76c789e8f5f4d5570122613414c62.png)
moltiplico numeratore e denominatore per il termine

![{I}/{C}*\frac{1}{\sqrt L*C } /[S^{2}+1/(L*C)]*(1/^{^{}}\sqrt{L*C}) {I}/{C}*\frac{1}{\sqrt L*C } /[S^{2}+1/(L*C)]*(1/^{^{}}\sqrt{L*C})](/forum/latexrender/pictures/812ba93977173a3a6e54d600d3b7c6b0.png)
nella formula soprastante portantdo il termine
del denominatore

al numeratore avremo:
![{I}/{C}*(\sqrt{L*C})\frac{1}{\sqrt L*C } /[S^{2}+1/(L*C)] {I}/{C}*(\sqrt{L*C})\frac{1}{\sqrt L*C } /[S^{2}+1/(L*C)]](/forum/latexrender/pictures/d428b06f7a53e8245d1cbfef6d49d959.png)
notiamo che il termine
![\frac{1}{\sqrt L*C } /[S^{2}+1/(L*C)] \frac{1}{\sqrt L*C } /[S^{2}+1/(L*C)]](/forum/latexrender/pictures/6be5694147687c844460ca94a268fc72.png)
ricade nella condizione
= 
ed essendo

elaborando al numeratore i termini sotto radice ottengo:

-

antoniosim
15 1 5 - New entry

- Messaggi: 72
- Iscritto il: 9 set 2009, 20:21
0
voti
Rispondo dicendo che non sono un prof, ma un semplice
appassionato di elettronica.
Circa il tuo svolgimento, vedo che non hai seguito
quanto detto sull'uso di Latex, in particolare non si usano
gli asterischi per indicare la moltiplicazione, ma il punto (\cdot),
così come per la frazione si deve usare \frac{}{}
e non la semplice barra /
Comunque, a parte le questioni formali, non capisco da dove parti.
Dovresti spiegare come sei giunto alla prima espressione .
Cosa dovrebbe rappresentare?
appassionato di elettronica.
Circa il tuo svolgimento, vedo che non hai seguito
quanto detto sull'uso di Latex, in particolare non si usano
gli asterischi per indicare la moltiplicazione, ma il punto (\cdot),
così come per la frazione si deve usare \frac{}{}
e non la semplice barra /
Comunque, a parte le questioni formali, non capisco da dove parti.
Dovresti spiegare come sei giunto alla prima espressione .
Cosa dovrebbe rappresentare?
0
voti
Egregio sig Le posto il messaggio originale col quale ho iniziato la discussione.
Distinti saluti Antonio
Chiedo cortesemente aiuto sul seguente esercizio che tratta lo schema semplificato di un boostIl circuito di figura
a cui si perviene nell’analisi dei convertitori DC-DC in particolare Step-Down o discesa(Buck),poiché la tensione presente ai capi del condensatore coincide con la F.c.e.m. indotta derivante dall’apertura di S1 e dalla chiusura di S2 secondo la seguente tabella:
S1 S2
T<0 Off Off
T=0 On Off
T=10 us Off on
Analizziamo il circuito seguendo le varie fasi di commutazione d1 S1 ed S2:
• Per T<0 essendo S1=S2=off il circuito è nella condizione di riposo e quindi non circola nessuna corrente
• Per T=0 essendo S1=on S2=off avremo che L’induttore L1 si carica a tensione costante,quindi la corrente sale linearmente secondo la relazione i=(E/L)*t e per t=10 usec avremo: I=(5/1 mH)*10us=50mA
Durante la fase off il circuito diviene di tipo LC,prevediamo un’oscillazione con frequenza pari a:


Vorrei ricavare l'ampiezza della sinusoide mediante la trasformata di Laplace
ma giunto a questo punto no so come procedere poiché il libro mi dice di antitrasformare dopo aver moltiplicato numeratore e denominatore

per la seuente quantità:

ottenendedo il risultato finale postato nell'ultimo messaggio
Distinti saluti Antonio
Chiedo cortesemente aiuto sul seguente esercizio che tratta lo schema semplificato di un boostIl circuito di figura
a cui si perviene nell’analisi dei convertitori DC-DC in particolare Step-Down o discesa(Buck),poiché la tensione presente ai capi del condensatore coincide con la F.c.e.m. indotta derivante dall’apertura di S1 e dalla chiusura di S2 secondo la seguente tabella:
S1 S2
T<0 Off Off
T=0 On Off
T=10 us Off on
Analizziamo il circuito seguendo le varie fasi di commutazione d1 S1 ed S2:
• Per T<0 essendo S1=S2=off il circuito è nella condizione di riposo e quindi non circola nessuna corrente
• Per T=0 essendo S1=on S2=off avremo che L’induttore L1 si carica a tensione costante,quindi la corrente sale linearmente secondo la relazione i=(E/L)*t e per t=10 usec avremo: I=(5/1 mH)*10us=50mA
Durante la fase off il circuito diviene di tipo LC,prevediamo un’oscillazione con frequenza pari a:


Vorrei ricavare l'ampiezza della sinusoide mediante la trasformata di Laplace
ma giunto a questo punto no so come procedere poiché il libro mi dice di antitrasformare dopo aver moltiplicato numeratore e denominatore

per la seuente quantità:

ottenendedo il risultato finale postato nell'ultimo messaggio
-

antoniosim
15 1 5 - New entry

- Messaggi: 72
- Iscritto il: 9 set 2009, 20:21
0
voti
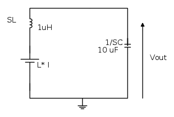
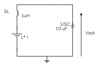
Ho considerato il circuito con Laplace con T2 chiuso dopo 10 us S1 =off ed s2=0n.
Eseguo L'analisi del circuito LC che si forma in quest'istante, dando vita al seguente circuito
Il generatore L*I tiene conto del valore della corrente prima della commutazione di S1 ed S2 ,prima di t=10 us,in quanto l'induttore prima di detto tempo si carica a tensione costante pertanto per t= 10 us I vale

ottenendo con l'ultima formula postata una sinusoide di ampiezza pari a 0.5v.
Sperando Di esser stato un po' più chiaro,qualora non lo fossi stato le invio un pdf.
Distinti Saluti ANtonio
Eseguo L'analisi del circuito LC che si forma in quest'istante, dando vita al seguente circuito
Il generatore L*I tiene conto del valore della corrente prima della commutazione di S1 ed S2 ,prima di t=10 us,in quanto l'induttore prima di detto tempo si carica a tensione costante pertanto per t= 10 us I vale

ottenendo con l'ultima formula postata una sinusoide di ampiezza pari a 0.5v.
Sperando Di esser stato un po' più chiaro,qualora non lo fossi stato le invio un pdf.
Distinti Saluti ANtonio
-

antoniosim
15 1 5 - New entry

- Messaggi: 72
- Iscritto il: 9 set 2009, 20:21
23 messaggi
• Pagina 2 di 3 • 1, 2, 3
Chi c’è in linea
Visitano il forum: Nessuno e 246 ospiti

Elettrotecnica e non solo (admin)
Un gatto tra gli elettroni (IsidoroKZ)
Esperienza e simulazioni (g.schgor)
Moleskine di un idraulico (RenzoDF)
Il Blog di ElectroYou (webmaster)
Idee microcontrollate (TardoFreak)
PICcoli grandi PICMicro (Paolino)
Il blog elettrico di carloc (carloc)
DirtEYblooog (dirtydeeds)
Di tutto... un po' (jordan20)
AK47 (lillo)
Esperienze elettroniche (marco438)
Telecomunicazioni musicali (clavicordo)
Automazione ed Elettronica (gustavo)
Direttive per la sicurezza (ErnestoCappelletti)
EYnfo dall'Alaska (mir)
Apriamo il quadro! (attilio)
H7-25 (asdf)
Passione Elettrica (massimob)
Elettroni a spasso (guidob)
Bloguerra (guerra)


