Mi scuso per l'errata modalità di inserimento dello schema.
Quoto tutto il messaggio per avere la traccia del problema insieme allo schema, spero non sia un problema.
Rinnovo i complimenti!
Lombo ha scritto:Buongiorno,
Sono Lorenzo, da Prato, e avrei una questione squisitamente elettrotecnica da sottoporvi, sperando di catturare il Vostro interesse: è più di un mese che avanzatempo ci batto il capo ma non riesco a venirne fuori!
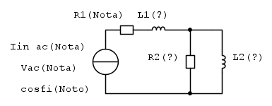
In breve: si tratta della rete RL sotto riportata, in cui sono noti il valore di R1, la corrente rms (Imposta) e la risultante tensione ai capi del circuito, ed il relativo sfasamento (Il fattore di potenza)
Vorrei chiederVi se è possibile derivare un procedimento per determinare i valori degli altri 3 componenti del circuito: L1, R2 ed L2
Mi auguro di cuore che possiate aiutarmi: ho visto che ci sono discussioni molto specializzate e forse per qualcuno di voi non sarà troppo difficile suggerirmi la via!
Vi ringrazio anticipatamente, saluti,
Lorenzo

Elettrotecnica e non solo (admin)
Un gatto tra gli elettroni (IsidoroKZ)
Esperienza e simulazioni (g.schgor)
Moleskine di un idraulico (RenzoDF)
Il Blog di ElectroYou (webmaster)
Idee microcontrollate (TardoFreak)
PICcoli grandi PICMicro (Paolino)
Il blog elettrico di carloc (carloc)
DirtEYblooog (dirtydeeds)
Di tutto... un po' (jordan20)
AK47 (lillo)
Esperienze elettroniche (marco438)
Telecomunicazioni musicali (clavicordo)
Automazione ed Elettronica (gustavo)
Direttive per la sicurezza (ErnestoCappelletti)
EYnfo dall'Alaska (mir)
Apriamo il quadro! (attilio)
H7-25 (asdf)
Passione Elettrica (massimob)
Elettroni a spasso (guidob)
Bloguerra (guerra)

e dalla
, vadano a determinare,
, i due restanti parametri
e
, se ti va di farlo, ovviamente.
