Inoltre scusate,
volevo sapere se era possibile anche riprodurre il seguente schema con un induttore e riprodurre la necessità di avere un circuito snubber in caso di carico induttivo
Triac in LT spice
Moderatori:
carloc,
g.schgor,
BrunoValente,
IsidoroKZ
35 messaggi
• Pagina 3 di 4 • 1, 2, 3, 4
2
voti
nannina9 ha scritto:Purtroppo non avendo il datasheet del triac, non ne so molto sul funzionamento.
comunque è quello di base di spice.
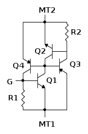
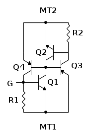
In effetti quel modello
- Codice: Seleziona tutto
*Generic TRIAC
.subckt TRIAC MT2 G MT1
.param R=10K
Q1 N001 G MT1 0 NP
Q2 N001 N002 MT2 0 NP
Q3 N002 N001 MT1 0 PN
Q4 G N001 MT2 0 PN
R1 MT2 N002 {R}
R2 G MT1 {R}
.model PN NPN Cjc=10p Cje=10p
.model NP PNP Cjc=10p Cje=10p
.ends TRIAC
è proprio ridotto all'osso, ovvero rappresenta la configurazione base a quattro transistor e due resistori; leggendo quel codice è immediato vedere che corrisponde alla seguente configurazione circuitale
che non supporta il funzionamento nel IV quadrante,
Giusto per precisare, ricordo che a volte i costruttori per uno stesso TRIAC rendono disponibili le due diverse tipologie, per il funzionamento o meno nel quarto quadrante, come avviene per esempio per il TRIAC della ST che ho usato nella simulazione che ti ho inviato, vedi
http://www.st.com/st-web-ui/static/acti ... 000670.pdf
e anche la nota nel file di libreria
che specifica la possibilità di abilitarne o meno il funzionamento nel IV via settaggio del parametro STANDARD a 1 o a 0.
... Non mi spiego se dandogli una tensione negativa funziona, forse perché sta lavorando nel secondo quadrante?
Volevi dire nel terzo, comunque la spiegazione è proprio quella.

"Il circuito ha sempre ragione" (Luigi Malesani)
0
voti
Buongiorno,
grazie per la spiegazione molto esaustiva.
Ho scritto secondo quadrante perché MT2 è positivo rispetto a MT1.

grazie per la spiegazione molto esaustiva.
Ho scritto secondo quadrante perché MT2 è positivo rispetto a MT1.

0
voti
Buongiorno ancora,
ho provato a mettere il triac BTA06 nel mio circuito che vi posto in allegato, non capisco come mai con la 220 a simulazione di blocca. Invece con 12V funziona correttamente... grazie mille
ho provato a mettere il triac BTA06 nel mio circuito che vi posto in allegato, non capisco come mai con la 220 a simulazione di blocca. Invece con 12V funziona correttamente... grazie mille
0
voti
nannina9 ha scritto:Ho scritto secondo quadrante perché MT2 è positivo rispetto a MT1.
Scusa ma non stavamo forse parlando della semionda negativa, ovvero di MT2 negativo rispetto a MT1?
"Il circuito ha sempre ragione" (Luigi Malesani)
0
voti
Hai ragione scusami
... comunque ho deciso di usare il tuo triac e mi è molto utile, ti ringrazio. C'è solo il problema che con un alimentazione a 220 V la simulazione non converge, con i 12 volte si... 
Inoltre mi chiedevo se mettendo il carico collegato all'anodo MT1 cambia qualcosa...
... comunque ho deciso di usare il tuo triac e mi è molto utile, ti ringrazio. C'è solo il problema che con un alimentazione a 220 V la simulazione non converge, con i 12 volte si... 
Inoltre mi chiedevo se mettendo il carico collegato all'anodo MT1 cambia qualcosa...
3
voti
nannina9 ha scritto:... C'è solo il problema che con un alimentazione a 220 V la simulazione non converge, con i 12 volte si...
Dovresti aver capito che questo non è un Forum di indovini
Quello che vedo dall'immagine (e qui mi chiedo: ma non sapete ritargliare e ridimensionare un'immagine come si deve ?
nannina9 ha scritto:... Inoltre mi chiedevo se mettendo il carico collegato all'anodo MT1 cambia qualcosa...
A dire il vero è già collegato a MTB1, normalmente quello superiore è indicato come MTB2 (dai un occhio allo schema del post [22]), ad ogni modo no, non cambia nulla.
Per cercare di risolvere rapidamente il problema ti ho preparato un file di esempio con le librerie,
prova a vedere se funziona, ma ricorda di scompattarlo in una directory separata dalla principale. Normalmente si usa far così per non andare a cambiare i file delle librerie standard: in questo caso per esempio, ho dovuto cambiare i settaggi del TRIAC da MTB2-G-MTB1 a A-K-G, creando un nuovo simbolo (TRIAC2), per non dover modificare tutta la libreria della ST, dove vengono usati quei nomi per i terminali.
"Il circuito ha sempre ragione" (Luigi Malesani)
0
voti
Grazie mille,
ti chiedo scusa per le immagini e per le mancanze di librerie. La prossima volta starò più attenta.
Il circuito da te proposto è perfetto, ho provato ora a mettere un carico induttivo, ed in particolare volevo evidenziare il problema delle salita rapida della tensione ai capi del triac e quindi della necessità di mettere un circuito di snubber, ma quando il carico passa da induttivo a resistivo, il triac non si disinnesca e conduce sempre.
In particolare vorrei sapere cosa cambi da un triac all'altro perché usando il primo triac da te proposto su questo circuito non funziona. Quindi volevo avere una visuale più completa della cosa
Buona giornata
ti chiedo scusa per le immagini e per le mancanze di librerie. La prossima volta starò più attenta.
Il circuito da te proposto è perfetto, ho provato ora a mettere un carico induttivo, ed in particolare volevo evidenziare il problema delle salita rapida della tensione ai capi del triac e quindi della necessità di mettere un circuito di snubber, ma quando il carico passa da induttivo a resistivo, il triac non si disinnesca e conduce sempre.
In particolare vorrei sapere cosa cambi da un triac all'altro perché usando il primo triac da te proposto su questo circuito non funziona. Quindi volevo avere una visuale più completa della cosa
Buona giornata

35 messaggi
• Pagina 3 di 4 • 1, 2, 3, 4
Chi c’è in linea
Visitano il forum: Nessuno e 58 ospiti

Elettrotecnica e non solo (admin)
Un gatto tra gli elettroni (IsidoroKZ)
Esperienza e simulazioni (g.schgor)
Moleskine di un idraulico (RenzoDF)
Il Blog di ElectroYou (webmaster)
Idee microcontrollate (TardoFreak)
PICcoli grandi PICMicro (Paolino)
Il blog elettrico di carloc (carloc)
DirtEYblooog (dirtydeeds)
Di tutto... un po' (jordan20)
AK47 (lillo)
Esperienze elettroniche (marco438)
Telecomunicazioni musicali (clavicordo)
Automazione ed Elettronica (gustavo)
Direttive per la sicurezza (ErnestoCappelletti)
EYnfo dall'Alaska (mir)
Apriamo il quadro! (attilio)
H7-25 (asdf)
Passione Elettrica (massimob)
Elettroni a spasso (guidob)
Bloguerra (guerra)




