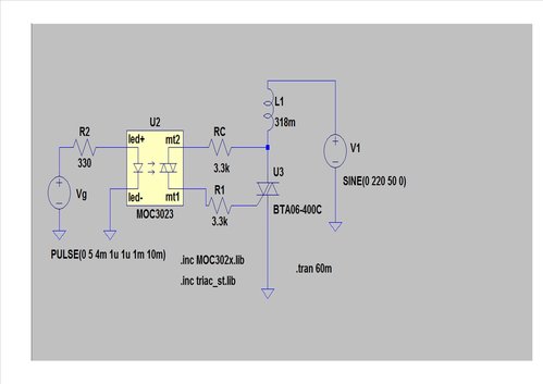
Ho notato che mettendo un carico induttivo per un corretto funzionamento devo aggiungere una resistenza di 3,3k al gate
Inoltre mi sono accorta che il primo circuito che mi hai mandato( quello senza microcontrollore) è diverso da quello postato da te nell'immagine...come mai?
A me risulta così, ma funziona comunque correttamente.
Triac in LT spice
Moderatori:
carloc,
g.schgor,
BrunoValente,
IsidoroKZ
35 messaggi
• Pagina 4 di 4 • 1, 2, 3, 4
1
voti
nannina9 ha scritto:Ho notato che mettendo un carico induttivo per un corretto funzionamento devo aggiungere una resistenza di 3,3k al gate ...
Il discorso qui sarebbe lungo e non ho purtroppo il tempo per farlo, quindi per ora ti linko un paio di AN sull'argomento, tanto per cominciare
https://www.fairchildsemi.com/applicati ... N-3003.pdf
http://www.onsemi.com/pub/Collateral/AN1048-D.PDF
http://www.thierry-lequeu.fr/data/AN437.pdf
(BTW Sono le prime che ho trovato, se cerchi con più calma di certo ne trovi migliori )
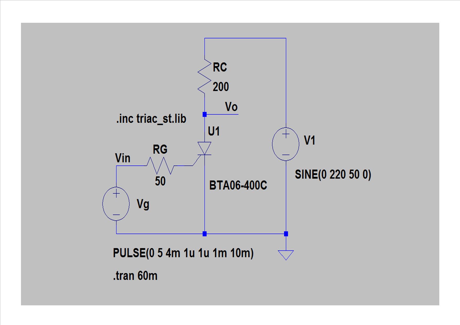
nannina9 ha scritto: Inoltre mi sono accorta che il primo circuito che mi hai mandato( quello senza microcontrollore) è diverso da quello postato da te nell'immagine...come mai?
In quel file che avevo allegato inizialmente, avevo usato un SCR come simbolo per far prima, ovvero non andare a modificare le assegnazioni dei pin del triac, in quanto come ti dicevo, la libreria della ST usa A, K, e G e non MT2, G e MT1, come normalmente si usa.
Ora comunque ho cambiato l'immagine e ho aggiornato i file con un nuovo TRIAC, chiamandolo TRIAC2, per non rischiare che qualcuno, invece di lasciarlo su una cartella separata, vada a copiarlo in quella dei simboli standard e si trovi a non riuscire più a simulare altri circuiti; mi sembrava di averti già descritto il problema.
"Il circuito ha sempre ragione" (Luigi Malesani)
0
voti
Buongiorno,
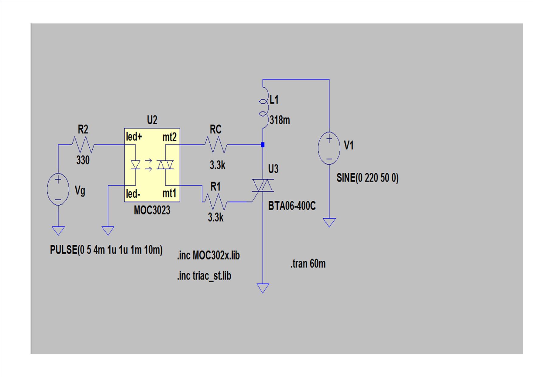
RenzoDF avevo bisogno di una delucidazione in merito al circuito che mi hai mandato con il componente TRIAC2, che per completezza ti allego.
Aprendo il circuito e cliccando con il tasto destro sul traic, accanto ad open symbol mi esce che il simbolo che sta usando è il TRIAC della cartella Misc,
com'è possibile che il circuito funzioni bene, visto che quel simbolo ha come terminale MT1 MT2 e G e non A K G come riportato nella libreria st.
Se adesso ripeto l'operazione che mi hai detto di fare l'altra volta, cioè aprire il. asc con il wordpad e modificare la seguente riga
in questo modo
non mi funziona più?

Cosa c'è che non va?
Grazie mille buona giornata
RenzoDF avevo bisogno di una delucidazione in merito al circuito che mi hai mandato con il componente TRIAC2, che per completezza ti allego.
Aprendo il circuito e cliccando con il tasto destro sul traic, accanto ad open symbol mi esce che il simbolo che sta usando è il TRIAC della cartella Misc,
com'è possibile che il circuito funzioni bene, visto che quel simbolo ha come terminale MT1 MT2 e G e non A K G come riportato nella libreria st.
Se adesso ripeto l'operazione che mi hai detto di fare l'altra volta, cioè aprire il. asc con il wordpad e modificare la seguente riga
in questo modo
non mi funziona più?
Cosa c'è che non va?
Grazie mille buona giornata
0
voti
L'allegato lo inserisco qui,
perché li avevo superato il tetto massimo
perché li avevo superato il tetto massimo
- Allegati
-
TRIAC2.rar- (6.31 KiB) Scaricato 87 volte
35 messaggi
• Pagina 4 di 4 • 1, 2, 3, 4
Chi c’è in linea
Visitano il forum: Nessuno e 36 ospiti

Elettrotecnica e non solo (admin)
Un gatto tra gli elettroni (IsidoroKZ)
Esperienza e simulazioni (g.schgor)
Moleskine di un idraulico (RenzoDF)
Il Blog di ElectroYou (webmaster)
Idee microcontrollate (TardoFreak)
PICcoli grandi PICMicro (Paolino)
Il blog elettrico di carloc (carloc)
DirtEYblooog (dirtydeeds)
Di tutto... un po' (jordan20)
AK47 (lillo)
Esperienze elettroniche (marco438)
Telecomunicazioni musicali (clavicordo)
Automazione ed Elettronica (gustavo)
Direttive per la sicurezza (ErnestoCappelletti)
EYnfo dall'Alaska (mir)
Apriamo il quadro! (attilio)
H7-25 (asdf)
Passione Elettrica (massimob)
Elettroni a spasso (guidob)
Bloguerra (guerra)

