LM317 corrente pulsante
Moderatori:
carloc,
g.schgor,
BrunoValente,
IsidoroKZ
2
voti
Caratteristica corrente-tensione del laser, con questa posso calcolarmi la resistenza equivalente di piccolo segnale. E' stata fatta variando la tensione in ingresso da 0 a 1V a passi di 1mV. La corrente è calcolata in base alla tensione reale impressa dal generatore, mentre la tensione sul diodo è misurata.
Ho stampato la corrente sulle ascisse perché è quella che mi determina il punto di lavoro.
Ho stampato la corrente sulle ascisse perché è quella che mi determina il punto di lavoro.
Atlant.
Behind every great man is a woman rolling her eyes.
Behind every great man is a woman rolling her eyes.
1
voti
Ho fatto qualche conto, dimensionalmente le cose tornano, però non sono molto sicuro.
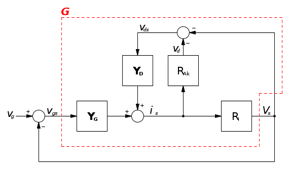
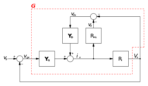
Considerando lo schema a blocchi:
L'obbiettivo è quello di ottenere la funzione G, il mio procedimento è questo:




quindi avrei:

portando il secondo addendo al primo membro:
![V{ds}[ 1 + Y_D(R_I+R_{AK})] = -V_{gs}Y_G(R_I + R_{AK}) V{ds}[ 1 + Y_D(R_I+R_{AK})] = -V_{gs}Y_G(R_I + R_{AK})](/forum/latexrender/pictures/53776c9fb8c79662b9fad8c2cb41282e.png)

sostituendo nella (1) l'espressione della
ottengo:
![V_s = \left [ V_{gs}Y_G - V_{gs}\frac{Y_D Y_G(R_I + R_{AK})}{1 + Y_D(R_I + R_{AK})} \right ]R_I V_s = \left [ V_{gs}Y_G - V_{gs}\frac{Y_D Y_G(R_I + R_{AK})}{1 + Y_D(R_I + R_{AK})} \right ]R_I](/forum/latexrender/pictures/5df4cb24484af7ac981c564c4f2b7567.png)
![V_s = V_{gs} \left [ Y_G - \frac{Y_D Y_G(R_I + R_{AK})}{1 + Y_D(R_I + R_{AK})} \right ]R_I V_s = V_{gs} \left [ Y_G - \frac{Y_D Y_G(R_I + R_{AK})}{1 + Y_D(R_I + R_{AK})} \right ]R_I](/forum/latexrender/pictures/41ec350df5210b3c3bf03d6884cfcadc.png)
quindi finalmente, sempre se il procedimento è giusto, ho:
![G = \left [ Y_G - \frac{Y_D Y_G(R_I + R_{AK})}{1 + Y_D(R_I + R_{AK})} \right ]R_I G = \left [ Y_G - \frac{Y_D Y_G(R_I + R_{AK})}{1 + Y_D(R_I + R_{AK})} \right ]R_I](/forum/latexrender/pictures/b67fafbf0f150cbb204260f91cef7aeb.png)
dimensionalmente dovrebbe tornare.
Nella prossima puntata cercherò di assegnare dei valori sensati a tutti i parametri e vediamo se qualcosa si può trascurare. Poi me la prendo con un eventuale regolatore.
Considerando lo schema a blocchi:
L'obbiettivo è quello di ottenere la funzione G, il mio procedimento è questo:




quindi avrei:

portando il secondo addendo al primo membro:
![V{ds}[ 1 + Y_D(R_I+R_{AK})] = -V_{gs}Y_G(R_I + R_{AK}) V{ds}[ 1 + Y_D(R_I+R_{AK})] = -V_{gs}Y_G(R_I + R_{AK})](/forum/latexrender/pictures/53776c9fb8c79662b9fad8c2cb41282e.png)

sostituendo nella (1) l'espressione della
ottengo:![V_s = \left [ V_{gs}Y_G - V_{gs}\frac{Y_D Y_G(R_I + R_{AK})}{1 + Y_D(R_I + R_{AK})} \right ]R_I V_s = \left [ V_{gs}Y_G - V_{gs}\frac{Y_D Y_G(R_I + R_{AK})}{1 + Y_D(R_I + R_{AK})} \right ]R_I](/forum/latexrender/pictures/5df4cb24484af7ac981c564c4f2b7567.png)
![V_s = V_{gs} \left [ Y_G - \frac{Y_D Y_G(R_I + R_{AK})}{1 + Y_D(R_I + R_{AK})} \right ]R_I V_s = V_{gs} \left [ Y_G - \frac{Y_D Y_G(R_I + R_{AK})}{1 + Y_D(R_I + R_{AK})} \right ]R_I](/forum/latexrender/pictures/41ec350df5210b3c3bf03d6884cfcadc.png)
quindi finalmente, sempre se il procedimento è giusto, ho:
![G = \left [ Y_G - \frac{Y_D Y_G(R_I + R_{AK})}{1 + Y_D(R_I + R_{AK})} \right ]R_I G = \left [ Y_G - \frac{Y_D Y_G(R_I + R_{AK})}{1 + Y_D(R_I + R_{AK})} \right ]R_I](/forum/latexrender/pictures/b67fafbf0f150cbb204260f91cef7aeb.png)
dimensionalmente dovrebbe tornare.
Nella prossima puntata cercherò di assegnare dei valori sensati a tutti i parametri e vediamo se qualcosa si può trascurare. Poi me la prendo con un eventuale regolatore.
Atlant.
Behind every great man is a woman rolling her eyes.
Behind every great man is a woman rolling her eyes.
1
voti
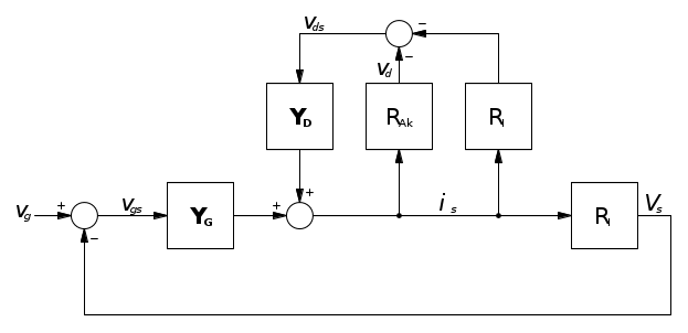
Io farei così:
1) Ridisegnamo lo schema a blocchi nel modo seguente:
2) Maneggiando un po' questo schema otteniamo:
dove

3)Ora arriviamo a questo schema equivalente
ottenendo la funzione di trasferimento del tuo stadio di uscita

-

EnChamade
6.498 2 8 12 - G.Master EY

- Messaggi: 588
- Iscritto il: 18 giu 2009, 12:00
- Località: Padova - Feltre
0
voti
Mi sa che devo ridare un occhio ai conti.
Decisamente meglio il tuo metodo comunque
spero di avere l'occhio che hai tu un giorno se no sono cavoli
Provo a giocare un po' con matlab, sono curioso di vedere cosa viene fuori.
Vi tengo aggiornati, è una minaccia
Decisamente meglio il tuo metodo comunque
spero di avere l'occhio che hai tu un giorno se no sono cavoli Provo a giocare un po' con matlab, sono curioso di vedere cosa viene fuori.
Vi tengo aggiornati, è una minaccia
Atlant.
Behind every great man is a woman rolling her eyes.
Behind every great man is a woman rolling her eyes.
3
voti
Rieccomi, ho fatto una piccola modifica al circuito, ho messo
così da poter sfruttare tutto il range di tensione possibile in uscita dal micro che genererà la Vref (0-5V). Comunque i calcoli non cambiano molto, nel senso che continuiamo a essere in saturazione fin che il mosfet è acceso.
Ora mi sono scelto tre punti di lavoro che credo ragionevoli
e per ogni punto con il grafico delle capacità parassite alla mano mi sono determinato la
,
e
. In questo modo ho potuto vedere gli andamenti delle funzioni
e
, riporto quella per il punto a corrente massima:
verificando quindi che queste due funzioni sono effettivamente trascurabili nella banda di interesse per la mia applicazione.
Ora però sono un po' in difficoltà per quello che riguarda il calcolo di
e
, perché il datasheet del componente non mi da ne un grafico dell'andamento di questi due parametri al variare delle condizioni di lavoro, ne i parametri tecnologici necessari al calcolo analitico.
Come si procede in questo caso? Ho letto nel documento che mi hai linkato qualche post fa che nel progetto del carico attivo li avete stimati graficamente, siete partiti dalla caratteristica corrente-tensione del transistor?
così da poter sfruttare tutto il range di tensione possibile in uscita dal micro che genererà la Vref (0-5V). Comunque i calcoli non cambiano molto, nel senso che continuiamo a essere in saturazione fin che il mosfet è acceso.Ora mi sono scelto tre punti di lavoro che credo ragionevoli
- a corrente massima:

- intermedio:

- a corrente minima:

e per ogni punto con il grafico delle capacità parassite alla mano mi sono determinato la
,
e
. In questo modo ho potuto vedere gli andamenti delle funzioni
e
, riporto quella per il punto a corrente massima:verificando quindi che queste due funzioni sono effettivamente trascurabili nella banda di interesse per la mia applicazione.
Ora però sono un po' in difficoltà per quello che riguarda il calcolo di
e
, perché il datasheet del componente non mi da ne un grafico dell'andamento di questi due parametri al variare delle condizioni di lavoro, ne i parametri tecnologici necessari al calcolo analitico. Come si procede in questo caso? Ho letto nel documento che mi hai linkato qualche post fa che nel progetto del carico attivo li avete stimati graficamente, siete partiti dalla caratteristica corrente-tensione del transistor?
Atlant.
Behind every great man is a woman rolling her eyes.
Behind every great man is a woman rolling her eyes.
1
voti
Io per calcolare
farei così, considero il punto a
dalla curva:
spannometricamente dovrei avere
quindi

guardando l'andamento della curva per basse correnti ho pensato di poter considerare costante questo valore anche per i punti di lavoro con correnti più basse ma non ne sono sicuro al 100%.
Se questo ragionamento ha senso mi resta il problema della
farei così, considero il punto a
dalla curva:spannometricamente dovrei avere
quindi
guardando l'andamento della curva per basse correnti ho pensato di poter considerare costante questo valore anche per i punti di lavoro con correnti più basse ma non ne sono sicuro al 100%.
Se questo ragionamento ha senso mi resta il problema della

Atlant.
Behind every great man is a woman rolling her eyes.
Behind every great man is a woman rolling her eyes.
1
voti
Ecco alcuni commenti ai tuoi ultimi post.
spud ha scritto:spannometricamente dovrei averequindi
guardando l'andamento della curva per basse correnti ho pensato di poter considerare costante questo valore anche per i punti di lavoro con correnti più basse ma non ne sono sicuro al 100%.
Si, è un metodo per stimare la transconduttanza di cui hai bisogno. Puoi considerare la
e calcolarti la
per ogni valore di corrente che hai selezionato (la transconduttanza sarà quindi diversa per ogni valore di corrente scelto).spud ha scritto:Se questo ragionamento ha senso mi resta il problema della
E questo è più difficile: ben venuto nel club di chi cerca di usare un MOSFET in zona di saturazione e non trova i parametri che gli servono. Senza che stia a riscrivere, anche per il MOSFET vale sostanzialmente quello detto qui.
Aggiungo che, come nel tuo caso, quando non si riesce a stimare graficamente perché il datasheet riporta delle caratteristiche
non utilizzabili a questo scopo, si può cercare un modello SPICE del componente in questione e vedere il valore del parametro LAMBDA che rappresenta la modulazione di lunghezza del canale. Ad esempio la Fairchild lo fornisce, attivando un account. I valori tipici su questi tipi di dispositivi sono
. Potresti quindi assumere un valore arbitrario di
, ma prima vedi se riesci a recuperare un modello SPICE da una fonte sicura (anche un software di simulazione che hai).-

EnChamade
6.498 2 8 12 - G.Master EY

- Messaggi: 588
- Iscritto il: 18 giu 2009, 12:00
- Località: Padova - Feltre
Chi c’è in linea
Visitano il forum: Nessuno e 151 ospiti

Elettrotecnica e non solo (admin)
Un gatto tra gli elettroni (IsidoroKZ)
Esperienza e simulazioni (g.schgor)
Moleskine di un idraulico (RenzoDF)
Il Blog di ElectroYou (webmaster)
Idee microcontrollate (TardoFreak)
PICcoli grandi PICMicro (Paolino)
Il blog elettrico di carloc (carloc)
DirtEYblooog (dirtydeeds)
Di tutto... un po' (jordan20)
AK47 (lillo)
Esperienze elettroniche (marco438)
Telecomunicazioni musicali (clavicordo)
Automazione ed Elettronica (gustavo)
Direttive per la sicurezza (ErnestoCappelletti)
EYnfo dall'Alaska (mir)
Apriamo il quadro! (attilio)
H7-25 (asdf)
Passione Elettrica (massimob)
Elettroni a spasso (guidob)
Bloguerra (guerra)







