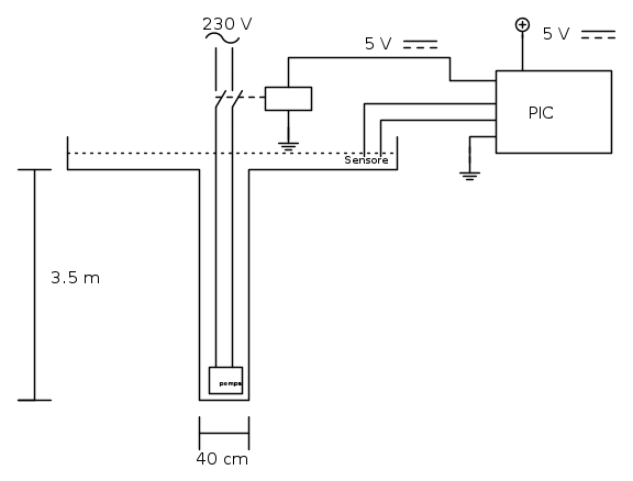
Salve a tutti, so che l'argomento è stato trattato ma non ho trovato risposte specifiche per me, ho la necessità di automatizzare una pompa sommersa per l'acqua piovana, in calce c'è uno schema di principio del progetto. Ho già pensato a come realizzarlo solo che ho un piccolo dubbio sul sensore.
Ho pensato di utilizzare un sensore di livello costituito da due elettrodi a distanza ravvicinata. Quando il livello dell'acqua sale mette in conduzione i due elettrodi permettendo il passaggio di corrente (quindi uno di quelli che si trovano anche in commercio).
Il mio dubbio è il seguente:
Utilizzando l'acqua come conduttore potrebbe presentarsi qualche danno alla pompa o a persone utilizzando una tensione di 5 V sul sensore?
Sicurezza automazione pompa sommersa
29 messaggi
• Pagina 1 di 3 • 1, 2, 3
0
voti
0
voti
Se utilizzi un sistema custum, lo devi progettare in modo adeguato, in classe II, oppure mettendo a terra il riferimento comune, (coi rischi del caso per lo specifico funzionamento). Realizza un sistema in classe II, che sia tale in pratica e non solo a parole.
-

Candy
32,5k 7 10 13 - CRU - Account cancellato su Richiesta utente
- Messaggi: 10123
- Iscritto il: 14 giu 2010, 22:54
0
voti
Perdona la mia ignoranza, ma forse non mi sono spiegato bene.
La pompa è una pompa sommersa isolata completamente elettricamente, il dispositivo di controllo non si troverà nell'acqua ma fuori dal serbatoio, solo il sensore si trova a contatto con l'acqua (ma solo quando raggiungerà il livello stabilito) con una tensione di 5 V in continua, mi chiedevo se questa tensione e la corrente che attraverserà l'acqua potrebbe essere dannosa per la pompa (che si trova 3,5 m più giù) o per le persone nel caso in cui si trovino in contatto con l'acqua.
Scusami ancora.
La pompa è una pompa sommersa isolata completamente elettricamente, il dispositivo di controllo non si troverà nell'acqua ma fuori dal serbatoio, solo il sensore si trova a contatto con l'acqua (ma solo quando raggiungerà il livello stabilito) con una tensione di 5 V in continua, mi chiedevo se questa tensione e la corrente che attraverserà l'acqua potrebbe essere dannosa per la pompa (che si trova 3,5 m più giù) o per le persone nel caso in cui si trovino in contatto con l'acqua.
Scusami ancora.
0
voti
Qualunque sia la via, la sonda tramite i conduttori realizza un collegamento elettrico coi tuoi dispositivi. Non puoi permetterti di trascurare la cosa.
Il pericolo, anche tramite l'acqua comune al sistema di controllo ed alla pompa, è reciproco: guasto su sistema di controllo o guasto su pompa, si interessano elettricamente a vicenda.
Forse io non capisco a cosa tu ti riferisca, ma, certamente, devono essere prese delle precauzioni per la protezione dai contatti indiretti, come già ti dicevo.
Il pericolo, anche tramite l'acqua comune al sistema di controllo ed alla pompa, è reciproco: guasto su sistema di controllo o guasto su pompa, si interessano elettricamente a vicenda.
Forse io non capisco a cosa tu ti riferisca, ma, certamente, devono essere prese delle precauzioni per la protezione dai contatti indiretti, come già ti dicevo.
-

Candy
32,5k 7 10 13 - CRU - Account cancellato su Richiesta utente
- Messaggi: 10123
- Iscritto il: 14 giu 2010, 22:54
0
voti
il sensore si trova a contatto con l'acqua (ma solo quando raggiungerà il livello stabilito) con una tensione di 5 V in continua
Non centra nulla. La tensione di 5 V è funzionale. Il sistema sonda, in caso di primo guasto, (metti sul sistema di controllo), porta qualunque potenziale verso la vasca di acqua. E quindi si torna al mio primo intervento.
-

Candy
32,5k 7 10 13 - CRU - Account cancellato su Richiesta utente
- Messaggi: 10123
- Iscritto il: 14 giu 2010, 22:54
0
voti
Premesso che posso intervenire solo sul dispositivo di controllo, oltre ad utilizzare un involucro di materiale isolante, un fusibile sulla sua alimentazione (che avviene tramite un semplice alimentatore tipo quelli per PC) e sul sensore come potrei ancora intervenire per renderlo di classe II ?
0
voti
Il "contatto", tra l'utenza, i cavi e l'elettronica tramite quel sensore, potenzialmente c'è quindi,
Gigis, ridurlo, se non eliminarlo ricorrendo a un più semplice galleggiante ?
Forse ci avevi pensato ma meccanicamente non è praticabile ?
Saluti
Forse ci avevi pensato ma meccanicamente non è praticabile ?
Saluti
W - U.H.F.
-

WALTERmwp
30,2k 4 8 13 - G.Master EY

- Messaggi: 8989
- Iscritto il: 17 lug 2010, 18:42
- Località: le 4 del mattino
0
voti
Si avevo pensato al galleggiante ma dovrei installarlo in un punto diverso da quello del sensore di cui ho parlato e mi è difficile fissarlo.
Il sensore di cui parlo è di questo tipo http://www.ebay.it/itm/like/361030744719?lpid=96, quindi disponibile in commercio, non è sicuro?
Il sensore di cui parlo è di questo tipo http://www.ebay.it/itm/like/361030744719?lpid=96, quindi disponibile in commercio, non è sicuro?
0
voti
Dovresti riportare il datasheet; ma, comunque, non credo sia risolutivo della questione che ti ha posto
Candy, ovvero almeno il doppio isolamento.
Non è per insistere ma prova ancora a cercare qualcosa simile ad un galleggiante valutandolo per un adattamento al tuo caso.
Saluti
Non è per insistere ma prova ancora a cercare qualcosa simile ad un galleggiante valutandolo per un adattamento al tuo caso.
Saluti
W - U.H.F.
-

WALTERmwp
30,2k 4 8 13 - G.Master EY

- Messaggi: 8989
- Iscritto il: 17 lug 2010, 18:42
- Località: le 4 del mattino
0
voti
Ci servono due sensori di questo tipo, max e minimo livello.
http://www.flowatchpumps.com/it/detecteur_MDDN_B.php
http://www.flowatchpumps.com/it/detecteur_MDDN_B.php
-

StefanoSunda
2.885 3 6 10 - Master

- Messaggi: 1964
- Iscritto il: 16 set 2010, 19:29
29 messaggi
• Pagina 1 di 3 • 1, 2, 3
Chi c’è in linea
Visitano il forum: Nessuno e 13 ospiti

Elettrotecnica e non solo (admin)
Un gatto tra gli elettroni (IsidoroKZ)
Esperienza e simulazioni (g.schgor)
Moleskine di un idraulico (RenzoDF)
Il Blog di ElectroYou (webmaster)
Idee microcontrollate (TardoFreak)
PICcoli grandi PICMicro (Paolino)
Il blog elettrico di carloc (carloc)
DirtEYblooog (dirtydeeds)
Di tutto... un po' (jordan20)
AK47 (lillo)
Esperienze elettroniche (marco438)
Telecomunicazioni musicali (clavicordo)
Automazione ed Elettronica (gustavo)
Direttive per la sicurezza (ErnestoCappelletti)
EYnfo dall'Alaska (mir)
Apriamo il quadro! (attilio)
H7-25 (asdf)
Passione Elettrica (massimob)
Elettroni a spasso (guidob)
Bloguerra (guerra)

