Descrizione: azionando l'interruttore di un solo apparato questo circuito permette di alimentare altri carichi automaticamente.
Schema:
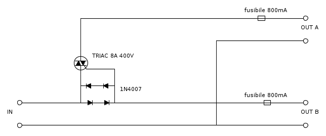
Il carico di comando (max 800 mA) va collegato all'uscita OUT B.
I carichi comandati (max 5A) vanno collegati all'uscita OUT A.
Si sconsiglia l'uso del circuito con carichi induttivi (motori); questo metterebbe fuori gioco il discorso del bidone aspiratutto che ha un motore a spazzole piuttosto potente ma può darsi che qualcuno riesca ad adattare il tutto al caso di
Nota Bene: io non ho mai realizzato tale circuito, mi limito a supporre che funzioni.
Il vantaggio di questa soluzione, se utilizzabile, è che evita di modificare i carichi di comando.

Elettrotecnica e non solo (admin)
Un gatto tra gli elettroni (IsidoroKZ)
Esperienza e simulazioni (g.schgor)
Moleskine di un idraulico (RenzoDF)
Il Blog di ElectroYou (webmaster)
Idee microcontrollate (TardoFreak)
PICcoli grandi PICMicro (Paolino)
Il blog elettrico di carloc (carloc)
DirtEYblooog (dirtydeeds)
Di tutto... un po' (jordan20)
AK47 (lillo)
Esperienze elettroniche (marco438)
Telecomunicazioni musicali (clavicordo)
Automazione ed Elettronica (gustavo)
Direttive per la sicurezza (ErnestoCappelletti)
EYnfo dall'Alaska (mir)
Apriamo il quadro! (attilio)
H7-25 (asdf)
Passione Elettrica (massimob)
Elettroni a spasso (guidob)
Bloguerra (guerra)






