da
Candy » 15 giu 2012, 20:48
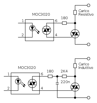
Ho più che altro la sensazione che il condensatore sia utile con l'apertura del TRIAC.
Quando il TRIAC è aperto, l'induttore è praticamente inesistente: non vi circola corrente, quindi è come se non ci fosse.
Le cose cambiano invece quando il TRIAC si deve aprire. Ora si che l'induttore c'è e sfasa la corrente rispetto alla tensione. Vorrei usare FidocadJ per fare dei grafici, ma a parole: il TRIAC è autoalimentato e si aprirà quando la corrente scenderà in modo naturale sotto la soglia di qualche mA. Cosa succede in quel momento? Il TRIAC si apre: la d.d.p. che cadeva sull'induttore si trova bruscamente ai capi dei due anodi del TRIAC. In questo istante c'è il rischio che il

sia troppo elevato per la coppia DIAC / TRIAC inducendo un "auto" innesco.
Purtroppo i TRIAC, come anche i DIAC, sono molto suscettibili alle variazioni di umore del loro immediato intorno, e si innescano un poco a sentimento...
Credo quindi che quel condensatore limiti appunto il

visto dal sistema.