salve a tutti!
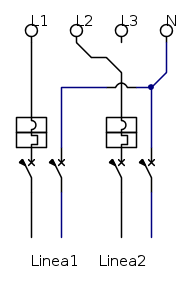
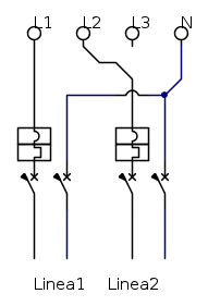
vi voglio chiedere un consiglio tecnico: ho un contatore enel trifase, con un cavo 3x4mm devo prendere delle alimentazioni di due settori di un capannone industriale.. fino a ora era presente un magnetotermico tripolare con le due fasi+neutro .. Ora si ha la necessità di "settoriale" per semplificare la ricerca degli eventuali guasti.. avevo pensato a montare due magnetotermici 1p+n e collegarli in questo modo:
cosi teoricamnte se avviene un corto su uno dei due settori dovrebbe saltare solo il magnetotermico corrispondente.. ma il neutro? lo collego in questa maniera? avevo pensato di ponticellarlo a monte dei magnetotermici e poi anche a valle.. come nello schema..
Aiuto su magnetotermico bipolare con rete trifase
Moderatori:
sebago,
MASSIMO-G,
lillo,
Mike
10 messaggi
• Pagina 1 di 1
0
voti
Se il tuo scopo è quello di prelevare due linee monofase da una linea trifase + neutro il tuo schema va bene solo nella parte superiore. All'uscita dei magnetotermici non devi ponticellare nulla.
Se i tuoi scopi sono altri dovresti spiegarti meglio
Se i tuoi scopi sono altri dovresti spiegarti meglio
0
voti
Ciao Salvo intanto grazie della risposta Sisi ho bisogno di due linee monofase indipendenti. Ma in uscita se collego il.neutro e fase nera del cavo 3x4 sotto il primo magnetoter. E al secondo magnetoter collego solo la fase marrone.. se c è un corto tra marrone e blu? Dovrebbe saltare il secondo?
-

elettropeppe
-2 2 - Messaggi: 4
- Iscritto il: 23 nov 2014, 14:34
0
voti
tralasciando la terra, mi stai dicendo che dovrei rimanere con il tripolare ? mettere due 1p+n non ha senso?
-

elettropeppe
-2 2 - Messaggi: 4
- Iscritto il: 23 nov 2014, 14:34
0
voti
Scarica FidocadJ e pubblica lo schema della rete che intendi realizzare. Se altri lo vorranno correggere, lo potranno fare. Un tecnico in questo settore usa, prima di tutto, uno schema: unifilare, multifilare, funzionale, ecc.
-

Candy
32,5k 7 10 13 - CRU - Account cancellato su Richiesta utente
- Messaggi: 10123
- Iscritto il: 14 giu 2010, 22:54
0
voti
Due fasi + un neutro.Devo derivare due linee monofasi..Ora c'è un magnetotermico tripolare installato, io vorrei sostituirlo con due 1p+n, in modo da separare le due linee a monte e poter escluderle a mio piacimento..
DOMANDA:
come posso ottenere la protezione su entrambe le linee per il CORTO ??
DOMANDA:
come posso ottenere la protezione su entrambe le linee per il CORTO ??
-

elettropeppe
-2 2 - Messaggi: 4
- Iscritto il: 23 nov 2014, 14:34
0
voti
Il neutro deve arrivare al polo "N" di entrambi i magnetotermici
Una fase al polo "L" di un MT
L'altra fase al polo "L" dell'altro MT
Da ciascuno dei due MT partire con una linea fase+neutro
Se ci fosse il rischio di cortocircuito tra la fase di una linea e la fase dell'altra, i magnetotermici devono essere da 400V
Una fase al polo "L" di un MT
L'altra fase al polo "L" dell'altro MT
Da ciascuno dei due MT partire con una linea fase+neutro
Se ci fosse il rischio di cortocircuito tra la fase di una linea e la fase dell'altra, i magnetotermici devono essere da 400V
-

SediciAmpere
4.187 5 5 8 - Master

- Messaggi: 4847
- Iscritto il: 31 ott 2013, 15:00
0
voti
SediciAmpere ha scritto:Se ci fosse il rischio di cortocircuito tra la fase di una linea e la fase dell'altra, i magnetotermici devono essere da 400V
Salvodue ha scritto:Non puoi usare il neutro in comune... Devi portare due cavi distinti per ogni linea. Ricordati la terra!
non sono d'accordo in senso assoluto con questa affermazione, occorre conoscere il caso specifico, tipo di sistema adottato (TT, TN, etc..), modalità/possibilità/necessità di sezionamento...
Ognuno sta solo sul cuor della terra
trafitto da un raggio di sole:
ed è subito sera
Salvatore Quasimodo
trafitto da un raggio di sole:
ed è subito sera
Salvatore Quasimodo
10 messaggi
• Pagina 1 di 1
Torna a Impianti, sicurezza e quadristica
Chi c’è in linea
Visitano il forum: Nessuno e 56 ospiti

Elettrotecnica e non solo (admin)
Un gatto tra gli elettroni (IsidoroKZ)
Esperienza e simulazioni (g.schgor)
Moleskine di un idraulico (RenzoDF)
Il Blog di ElectroYou (webmaster)
Idee microcontrollate (TardoFreak)
PICcoli grandi PICMicro (Paolino)
Il blog elettrico di carloc (carloc)
DirtEYblooog (dirtydeeds)
Di tutto... un po' (jordan20)
AK47 (lillo)
Esperienze elettroniche (marco438)
Telecomunicazioni musicali (clavicordo)
Automazione ed Elettronica (gustavo)
Direttive per la sicurezza (ErnestoCappelletti)
EYnfo dall'Alaska (mir)
Apriamo il quadro! (attilio)
H7-25 (asdf)
Passione Elettrica (massimob)
Elettroni a spasso (guidob)
Bloguerra (guerra)

