oppure deve essere il primo acceso e il secondo spento, poi il primo spento e il secondo acceso ecc..
Schema led
Moderatori:
carloc,
g.schgor,
BrunoValente,
IsidoroKZ
20 messaggi
• Pagina 2 di 2 • 1, 2
0
voti
[11] Re: Schema LED
voglio dire: i due led devono accendersi insieme, spegnersi insieme, riaccendersi insieme ecc...
oppure deve essere il primo acceso e il secondo spento, poi il primo spento e il secondo acceso ecc..

oppure deve essere il primo acceso e il secondo spento, poi il primo spento e il secondo acceso ecc..
-

PietroBaima
90,7k 7 12 13 - G.Master EY

- Messaggi: 12207
- Iscritto il: 12 ago 2012, 1:20
- Località: Londra
0
voti
[12] Re: Schema LED
Pietro mi piacerebbe che mi elencassi entrambi i sistemi così dopo gli so tutti e due
Comunque a chi interessa il mio scopo principale col tempo è riuscire a capire per bene queste cose:
Diodi Resistenze Transistor Integrati Condensatori Induttanza Capacità e Reattanza
E riuscire da solo a mettere in pratica i collegamenti, quello che riesco sempre male a fare è fare i collegamenti. Purtroppo a scuola ci viene solo spiegato l'esercizio fatto fare, e poi si vede in pratica una volta e memorizzare tutto mi è un po' difficile. Sopratutto ricordarsi i collegamenti da fare, o come fare uno schema. Vi sembrerà strano perché per voi sono cose semplici ma io ci sto mettendo tutto l'impegno che posso nel capire queste cose, e per sperimentarle.
Comunque a chi interessa il mio scopo principale col tempo è riuscire a capire per bene queste cose:
Diodi Resistenze Transistor Integrati Condensatori Induttanza Capacità e Reattanza
E riuscire da solo a mettere in pratica i collegamenti, quello che riesco sempre male a fare è fare i collegamenti. Purtroppo a scuola ci viene solo spiegato l'esercizio fatto fare, e poi si vede in pratica una volta e memorizzare tutto mi è un po' difficile. Sopratutto ricordarsi i collegamenti da fare, o come fare uno schema. Vi sembrerà strano perché per voi sono cose semplici ma io ci sto mettendo tutto l'impegno che posso nel capire queste cose, e per sperimentarle.
Ultima modifica di
ScatenaStefano il 24 nov 2014, 19:52, modificato 1 volta in totale.
-

ScatenaStefano
15 2 - Messaggi: 27
- Iscritto il: 22 nov 2014, 20:13
0
voti
[13] Re: Schema LED
Russell ha scritto:costerà 20 centesimi![]()
comunque qualcosa dovrai comprare comunque, perche' anche procedendo con 2 transistor e una resistenza la vedo dura...
Non ho solo una resistenza, la resistenza è quello che avrei messo io nel circuito ahah mi sa che ho detto una cavolata
comunque a casa io ho
Alimentatore da 12 V,breadboard, e molte/i resistenze,diodi,transistor,integrati,condensatori e LED. E naturalmente il multimetro
-

ScatenaStefano
15 2 - Messaggi: 27
- Iscritto il: 22 nov 2014, 20:13
1
voti
[14] Re: Schema LED
mi sembra che parti proprio dalle basi....
Fase e controfase non sono due "sistemi" tra i quali scegliere, Pietro intendeva dire che devi prima scegliere tu come devono lampeggiare , se simultaneamente o in alternanza
Che scuola fai? I collegamenti non vanno imparati a memoria, se capisci il funzionamento vengono di conseguenza, almeno per schemi facili.
Ti suggerisco di imparare a usare un simulatore, a me
g.schgor ha suggerito microcap e mi è sembrato abbastanza facile (ovviamente dipende dalle tue conoscenze)
Magari prima butti giù uno schema, poi lo simuli e solo alla fine lo monti per testarlo.
Fase e controfase non sono due "sistemi" tra i quali scegliere, Pietro intendeva dire che devi prima scegliere tu come devono lampeggiare , se simultaneamente o in alternanza
Che scuola fai? I collegamenti non vanno imparati a memoria, se capisci il funzionamento vengono di conseguenza, almeno per schemi facili.
Ti suggerisco di imparare a usare un simulatore, a me
Magari prima butti giù uno schema, poi lo simuli e solo alla fine lo monti per testarlo.
0
voti
[15] Re: Schema LED
Intendevo che volevo lo schema sia di fase che controfase così gli provavo entrambi
Scuola faccio una scuola dove facciamo molta pratica e teoria così giusto per sapere cosa facciamo ma come già detto questo non è proprio il mio argomento, io faccio antenne,domotica e assemblaggio PC
Non voglio imparare i collegamenti a memoria, vorrei che mi date qualche schema e mi spiegate cosa fare e perché farlo così poi mi rimane in mente
Scuola faccio una scuola dove facciamo molta pratica e teoria così giusto per sapere cosa facciamo ma come già detto questo non è proprio il mio argomento, io faccio antenne,domotica e assemblaggio PC
Non voglio imparare i collegamenti a memoria, vorrei che mi date qualche schema e mi spiegate cosa fare e perché farlo così poi mi rimane in mente
-

ScatenaStefano
15 2 - Messaggi: 27
- Iscritto il: 22 nov 2014, 20:13
0
voti
[16] Re: Schema LED
richiurci ha scritto:Ti suggerisco di imparare a usare un simulatore......
Qualcuno su questo forum ha detto che per usare un simulatore, occorre sapere piu' elettronica di lui.
Questo non mi sembra il caso.
marco
0
voti
[19] Re: Schema LED
ScatenaStefano ha scritto:Intendevo che volevo lo schema sia di fase che controfase così gli provavo entrambi
Dunque, i soliti schemi col 555 te li puoi scaricare e costruire dai siti che ti hanno indicato. Fallo.
Dato che, mi pare di capire, sei alle prime armi, vorrei però darti anche qualche schema super semplice che però ti consenta di vedere già qualcosina di elettronica.
Venendo a noi, vendono dei led che lampeggiano già per conto loro.
Hanno, al loro interno, un oscillatore (di solito un modulatore di corrente di oki, per variare la frequenza con la tensione di alimentazione, ma lasciamo perdere) che è collegato ad un led.
Non hai nemmeno bisogno di collegare la resistenza esterna, è già tutto integrato.
Lo so che i puristi dell'elettronica rabbrividiranno, ma bisogna pur cominciare da qualche parte.
Vediamo qualche sigla di qualche led di questo tipo:
L56-B
TLBR5410
Se vuoi far lampeggiare due LED ti sarà sufficiente prenderne uno normale e uno lampeggiante e collegarli in serie. Il LED lampeggiante farà lampeggiare anche quello normale.
Hai quindi realizzato un lampeggiatore dove i LED lampeggiano in fase.
E se vuoi farli lampeggiare in controfase?
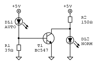
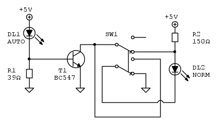
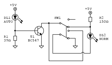
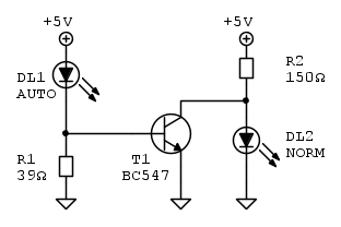
Ti sarà utile questo schema:
Quando il LED lampeggiante è spento si comporta praticamente come un circuito aperto o quasi, mentre quando è acceso si comporta come un generatore di corrente da 20-25mA.
Ti lascio capire da solo come funziona il circuito.
Dato che ti piacciono i doppi deviatori
A te l'analisi.
Ciao,
Pietro.
-

PietroBaima
90,7k 7 12 13 - G.Master EY

- Messaggi: 12207
- Iscritto il: 12 ago 2012, 1:20
- Località: Londra
0
voti
[20] Re: Schema LED
Scusami g.schgor, non lo avevo ignorato! anzi.. Mi sono solo dimenticato di rispondere, il cosa mi consigliate di fare intendevo per imparare le cose che avevo elencato.
Pietro grazie mille! Per l'argomento principale per cui avevo aperto il topic ho fatto! grazie a tutti
Pietro grazie mille! Per l'argomento principale per cui avevo aperto il topic ho fatto! grazie a tutti

-

ScatenaStefano
15 2 - Messaggi: 27
- Iscritto il: 22 nov 2014, 20:13
20 messaggi
• Pagina 2 di 2 • 1, 2
Chi c’è in linea
Visitano il forum: Nessuno e 86 ospiti

Elettrotecnica e non solo (admin)
Un gatto tra gli elettroni (IsidoroKZ)
Esperienza e simulazioni (g.schgor)
Moleskine di un idraulico (RenzoDF)
Il Blog di ElectroYou (webmaster)
Idee microcontrollate (TardoFreak)
PICcoli grandi PICMicro (Paolino)
Il blog elettrico di carloc (carloc)
DirtEYblooog (dirtydeeds)
Di tutto... un po' (jordan20)
AK47 (lillo)
Esperienze elettroniche (marco438)
Telecomunicazioni musicali (clavicordo)
Automazione ed Elettronica (gustavo)
Direttive per la sicurezza (ErnestoCappelletti)
EYnfo dall'Alaska (mir)
Apriamo il quadro! (attilio)
H7-25 (asdf)
Passione Elettrica (massimob)
Elettroni a spasso (guidob)
Bloguerra (guerra)
pigreco]=π



