Salve a tutti,
Ho effettuato molte ricerche in giro e non ho trovato nulla di simile a ciò che stò cercando.
In sostanza io collego l' organo Hammond tramite cavo MIDI alla tastiera Korg Krome in maniera tale da poter miscelare i suoni delle due tastiere. Quando però non mi serve più l' organo aggiunto ai suoni della Krome l' unica soluzione è scollegare il cavo MIDI. Stavo pensando di costruirmi un cavo che all interno abbia i 4 cavi del MIDI normalmente collegati mentre sul 5° potrei applicare un interruttore in maniera tale che quando è on il segnale arriva alla Krome mentre quando è off non arriva il segnale dell' organo alla Krome.
Che ne pensate? Potrebbe funzionare?
Grazie mille a tutti
Saluti,
Alecanc
Costruire Interruttore on off per cavo MIDI
Moderatore:
IsidoroKZ
44 messaggi
• Pagina 1 di 5 • 1, 2, 3, 4, 5
0
voti
0
voti
Stavo pensando di costruirmi un cavo che all interno abbia i 4 cavi del MIDI normalmente collegati mentre sul 5° potrei applicare un interruttore
forse meglio se usi direttamente un interruttore/deviatore a 5 poli
0
voti
Ciao, in pratica, se ho ben inteso
alecanc, colleghi il MIDI OUT del synth Krome al MIDI IN dell'organo, e quindi piloti anche l'organo suonando solo il Krome, giusto?
Se è così, la via più facile è fare tutto programmando sul Krome una o più "combi" ad hoc per le tue esigenze: sapendo che puoi miscelare in split e layer fino a 16 parti, ti basta "dire" ad una di quelle parti di trasmettere solo sulla porta MIDI OUT (anziché al generatore interno del Krome) e solo su un particolare canale MIDI (quello su cui riceve l'organo) che deve essere diverso dal canale MIDI globale del Krome. Se l'organo li riconosce, puoi anche trasmettere messaggi di "bank select" e "program change" per selezionare un preciso preset dell'organo, tutte opzioni che puoi memorizzare in ogni singola "combi".
Ovviamente devi usare il Krome in modalità "combi" e non "program".
Se è così, la via più facile è fare tutto programmando sul Krome una o più "combi" ad hoc per le tue esigenze: sapendo che puoi miscelare in split e layer fino a 16 parti, ti basta "dire" ad una di quelle parti di trasmettere solo sulla porta MIDI OUT (anziché al generatore interno del Krome) e solo su un particolare canale MIDI (quello su cui riceve l'organo) che deve essere diverso dal canale MIDI globale del Krome. Se l'organo li riconosce, puoi anche trasmettere messaggi di "bank select" e "program change" per selezionare un preciso preset dell'organo, tutte opzioni che puoi memorizzare in ogni singola "combi".
Ovviamente devi usare il Krome in modalità "combi" e non "program".
0
voti
Se non mi ricordo male, in un cavo midi, le prese sono a 5 poli, ma solo tre sono effettivamente utilizzati. C'è un'andata, un ritorno per una sorta di current loop ed una massa per la schermatura.
Basta che metti un interruttore altrove che sulla schermatura ed avrai effettivamente interrotto la connessione.
Se vuoi fare uno splitter più complesso, avevo fatto un vecchio progetto:
http://davbucci.chez-alice.fr/index.php ... litter.inc
Basta che metti un interruttore altrove che sulla schermatura ed avrai effettivamente interrotto la connessione.
Se vuoi fare uno splitter più complesso, avevo fatto un vecchio progetto:
http://davbucci.chez-alice.fr/index.php ... litter.inc
Follow me on Mastodon: @davbucci@mastodon.sdf.org
-

DarwinNE
31,0k 7 11 13 - G.Master EY

- Messaggi: 4420
- Iscritto il: 18 apr 2010, 9:32
- Località: Grenoble - France
0
voti
Salve ragazzi e grazie per la disponibilità.
Allora non posso fare delle combi apposite perché in live mi serve di azionare l' interruttore per interrompere il collegamento midi per delle questioni di espressione.
Per quanto riguarda lo switch effettivamente sono solo 3 i poli che funzionano realmente e sono i tre centrali. Ho trovato poco dopo aver postato un' immagine che mostra il collegamento http://www.mymidiremotes.com/home/?page_id=90
Mi stavo chiedendo però: posso mettere in un collegamento del genere dove vi sono bassisime tensioni un normale interruttore a 12v?
EDIT: mi piacerebbe sapere anche come si collega il led dell' interruttore al circuito.
Allora non posso fare delle combi apposite perché in live mi serve di azionare l' interruttore per interrompere il collegamento midi per delle questioni di espressione.
Per quanto riguarda lo switch effettivamente sono solo 3 i poli che funzionano realmente e sono i tre centrali. Ho trovato poco dopo aver postato un' immagine che mostra il collegamento http://www.mymidiremotes.com/home/?page_id=90
Mi stavo chiedendo però: posso mettere in un collegamento del genere dove vi sono bassisime tensioni un normale interruttore a 12v?
EDIT: mi piacerebbe sapere anche come si collega il led dell' interruttore al circuito.
0
voti
alecanc ha scritto:Mi stavo chiedendo però: posso mettere in un collegamento del genere dove vi sono bassisime tensioni un normale interruttore a 12 V?
Qualunque interruttore dovrebbe andare bene.
Però, niente led. Per quello ti ci va una batteria o un'alimentazione esterna.
Follow me on Mastodon: @davbucci@mastodon.sdf.org
-

DarwinNE
31,0k 7 11 13 - G.Master EY

- Messaggi: 4420
- Iscritto il: 18 apr 2010, 9:32
- Località: Grenoble - France
0
voti
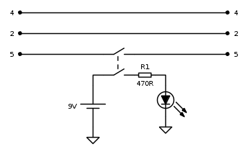
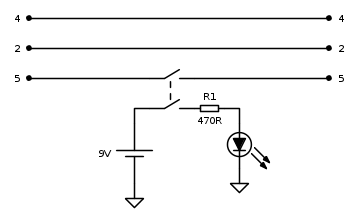
Grazie mille. Come posso fare per aggiungere il led anche mettendo una batteria? Magari una di quelle quadrate da 9v. Ma non saprei come fare il collegamento affinchè il led si accenda quando il segnale MIDI è acceso e si spanga quando il segnale MIDI è assente.
Grazie mille a tutti
Grazie mille a tutti
1
voti
In quel caso basterebbe un interruttore bipolare e, ammettendo di volere nel LED circa 15mA partendo da 9V, serve anche una resistenza da 470 ohm.
0
voti
Scusami ma non mastico gli schemi purtroppo e sicuramente dovrò imparare. Hai per caso una foto per mostrarmi il collegamento?
Grazie mille
EDIT: Mi domandavo che in genere il led ha due poli no? Ma questo interruttore ad esempio http://www.robot-italy.com/it/rocker-sw ... d-12v.html
Che sarebbe quello che interessa a me ha solo 3 poli sia per l' interruttore in se sia per il led. Come avviene il collegamento?
Grazie mille
EDIT: Mi domandavo che in genere il led ha due poli no? Ma questo interruttore ad esempio http://www.robot-italy.com/it/rocker-sw ... d-12v.html
Che sarebbe quello che interessa a me ha solo 3 poli sia per l' interruttore in se sia per il led. Come avviene il collegamento?
44 messaggi
• Pagina 1 di 5 • 1, 2, 3, 4, 5
Torna a Elettronica e spettacolo
Chi c’è in linea
Visitano il forum: Nessuno e 41 ospiti

Elettrotecnica e non solo (admin)
Un gatto tra gli elettroni (IsidoroKZ)
Esperienza e simulazioni (g.schgor)
Moleskine di un idraulico (RenzoDF)
Il Blog di ElectroYou (webmaster)
Idee microcontrollate (TardoFreak)
PICcoli grandi PICMicro (Paolino)
Il blog elettrico di carloc (carloc)
DirtEYblooog (dirtydeeds)
Di tutto... un po' (jordan20)
AK47 (lillo)
Esperienze elettroniche (marco438)
Telecomunicazioni musicali (clavicordo)
Automazione ed Elettronica (gustavo)
Direttive per la sicurezza (ErnestoCappelletti)
EYnfo dall'Alaska (mir)
Apriamo il quadro! (attilio)
H7-25 (asdf)
Passione Elettrica (massimob)
Elettroni a spasso (guidob)
Bloguerra (guerra)






