da
claudiocedrone » 3 dic 2014, 14:36
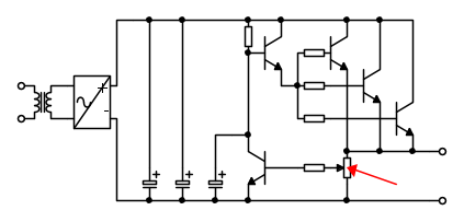
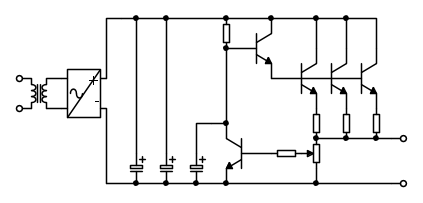
rukkino ha scritto: ...riconoscere i piedino se sono base collettore o emettitore...
rukkino, data la tua scarsa dimestichezza con l'argomento, ti ribadisco il fatto che in quei due transistor in contenitore metallico non c'è alcun piedino corrispondente al
collettore che corrisponde allo stesso contenitore (
case in inglese, come indicatoti da Federico)

; i due piedini sono uno la base e l'altro l'emettitore, per riconoscerli basati sull'immagine postata da Federico tenendo conto che essa rappresenta il transistor visto dalla parte dei piedini (bottom view);
repetita iuvant

"Non farei mai parte di un club che accettasse la mia iscrizione" (G. Marx)