Generatore di clock variabile
Moderatori:
carloc,
g.schgor,
BrunoValente,
IsidoroKZ
18 messaggi
• Pagina 1 di 2 • 1, 2
0
voti
Salve a tutti, sono uno studente delle superiori e come corso faccio l'elettronico. Visto che ogni tanto mi preparo qualche "progettino" a casa (ho costruito un alimentatore variabile per alimentare i miei piccoli ma utili progettini), avrei bisogno di costruirli un generatore di clock. A scuola ci hanno fatto vedere e spiegato l'ne555 sia nella configurazione monostabile che astabile. Pensavo di utilizzarlo per appunto il mio "progettino": un ne555 con un potenziometro. Purtroppo però non saprei come fare per i condensatori, visto che sono importantissimi in questa configurazione. Pensavo ad un deviatore, o semplicemente (in modo brutto, ma funzionale) ad un classico dip switch o un interruttore normale per aprire e chiudere il collegamento del condensatore all'ne. Altrimenti cosa mi consigliate? Ho visto il quarzo, ma per la mia applicazione non credo abbia molto senso(l'ho usato per un progettino di un orologio a scuola, dove il quarzo si dimostra molto più stabile di un ne555). L'ne dovrebbe generare un clock di un duty cicle del 50% e con una frequenza che parte da un Hz fino ad arrivare a 10Khz(anche meno). Cosa mi consigliate? Grazie a tutti :)
1
voti
Se solo vuoi cambiare la frequenza cambiando il condensatore, puoi anche usare un deviatore come hai detto.
Se usi un resistore variabile mi sembra che cambia anche il duty cycle se non ricordo male.
Poi, se scrivi quale frequenza vuoi ottenere a quale circuito vuoi sincronizzare con il clock, ti si può dire di più.
Ricorda che il 555 non è molto 'preciso', non offre una buona accuratezza.
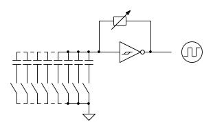
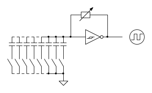
PS: se vuoi usare una resistenza variabile, cambiando anche i condensatori con uno switch, ma vuoi rimanere con un duty cycle fisso al 50 %, usa una porta logica con la rete RC.
Cosi:
Ma anche qui non è facile ottenere una buona accuratezza.
Se usi un resistore variabile mi sembra che cambia anche il duty cycle se non ricordo male.
Poi, se scrivi quale frequenza vuoi ottenere a quale circuito vuoi sincronizzare con il clock, ti si può dire di più.
Ricorda che il 555 non è molto 'preciso', non offre una buona accuratezza.
PS: se vuoi usare una resistenza variabile, cambiando anche i condensatori con uno switch, ma vuoi rimanere con un duty cycle fisso al 50 %, usa una porta logica con la rete RC.
Cosi:
Ma anche qui non è facile ottenere una buona accuratezza.
0
voti
Potresti anche fare uso di questo componente (4060)
http://www.doctronics.co.uk/4060.htm
In pratica ti consente di creare un clock variabile
il cuore lo puoi fare con un gruppo RC, o con un cristallo (quindi sta' a te la precisione che vuoi avere)
(nel link hai gia' lo schema in entrambi i casi)
poi a quel punto, grazie al fatto che l'integrato implementa un contatore binario, puoi ottenere clock a frequenza minore di quella di partenza (fo/2, fo/4, fo/8, ...)
Alla fine devi solo selezionare l'uscita che vuoi in quel momento.
http://www.doctronics.co.uk/4060.htm
In pratica ti consente di creare un clock variabile
il cuore lo puoi fare con un gruppo RC, o con un cristallo (quindi sta' a te la precisione che vuoi avere)
(nel link hai gia' lo schema in entrambi i casi)
poi a quel punto, grazie al fatto che l'integrato implementa un contatore binario, puoi ottenere clock a frequenza minore di quella di partenza (fo/2, fo/4, fo/8, ...)
Alla fine devi solo selezionare l'uscita che vuoi in quel momento.
0
voti
N2O3 ha scritto:l'ho usato per un progettino di un orologio a scuola,
Avete usato un microprocessore o fatto tutto con divisori di frequenza e logica cablata per i display?
Se hai usato il microprocessore allora la cosa è molto più semplice, con il software è un attimo ottenere la frequenza e il duty cycle che vuoi.
Aggiungi poi qualche display e hai (quasi, dovresti almeno mettere il segnale triangolare) il progettino per la quinta

http://millefori.altervista.org
Tool gratuito per chi sviluppa su millefori.
Tutti sanno che una cosa è impossibile da realizzare, finché arriva uno sprovveduto che non lo sa e la inventa. (A. Einstein)
Se non c'e` un 555 non e` un buon progetto (IsidoroKZ)
Strumento per formule
Tool gratuito per chi sviluppa su millefori.
Tutti sanno che una cosa è impossibile da realizzare, finché arriva uno sprovveduto che non lo sa e la inventa. (A. Einstein)
Se non c'e` un 555 non e` un buon progetto (IsidoroKZ)
Strumento per formule
-

posta10100
5.550 4 10 13 - Master EY

- Messaggi: 4832
- Iscritto il: 5 nov 2006, 0:09
0
voti
Un componente poco usato ma molto interessante in un'applicazione del genere è il CD4046. E' un PLL completo ma si può usare il solo VCO per realizzare un oscillatore variabile senza troppi cambi di condensatori. Il duty cycle dell'uscita è del 50%.
Qui se ne parla per un'applicazione audio ma con poche modifiche si può usare anche per frequenze molto più alte.
Qui se ne parla per un'applicazione audio ma con poche modifiche si può usare anche per frequenze molto più alte.
0
voti
Grazie mille a tutti delle risposte. Ho guardato tutto ciò che mi avete detto e mi sembrano tutte delle ottime "idee".
L'idea del deviatore è abbastanza elementare, ma visto che alla fine la frequenza è anche data dal condensatore che si usa, mi sembra che sia un ragionamento semplice e intuitivo. Anche come aspetto non sarebbe male. Come esperimento potrei anche farne alcuni, così da testarli tutti.
L'unica pecca che purtroppo non vorrei avere un segnale "instabile". Mi basta che sia "stabile". Ovviamente non a livelli di generatori di frequenza che sono sul mercato, ma un minimo di stabilità serve
Ho guardato il sito che mi hai linkato e non è male. In questo modo potrei anche usare il quarzo che è molto più stabile rispetto ad un 555(solo con il variare della temperatura, varia anche un pochino la frequenza). Solo che non ho capito benissimo come funziona.. Guarderò poi sul datasheet, oppure chiedo al mio prof che magari può darmi qualche dritta. Comunque anche questo può essere un buon progettino. Il primo con il 555 e questo con il quarzo e confrontarli.
Purtroppo divisori di frequenza. Il microprocessore lo inizieremo a gennaio (so che a scuola si usa lo Z80, ma sul libro parla dell'8080 della intel. Il microprocessore (o microcontrollore) mi servirebbe per realizzare il frequenzimetro, così da vedere effettivamente la frequenza su un LCD da mettere con il generatore di clock. Purtroppo non ho le conoscenze(anche perché devo ancora farlo xD), ma ho trovato in rete alcuni siti che offrono il software e ti spiegano anche come assemblare il frequenzimetro con un LCD. Potrei "copiare" loro, così da sfruttarlo per il mio generatore :)
Assomiglia molto al 555. Ho visto che ha diverse applicazioni e che si può variare anche il duty cicle. Purtroppo però devo guardare i datasheet, visto che non sapevo nemmeno l'esistenza di questi :)
Comunque grazie a tutti per le varie dritte :)
simo85 ha scritto:Se solo vuoi cambiare la frequenza cambiando il condensatore, puoi anche usare un deviatore come hai detto.
L'idea del deviatore è abbastanza elementare, ma visto che alla fine la frequenza è anche data dal condensatore che si usa, mi sembra che sia un ragionamento semplice e intuitivo. Anche come aspetto non sarebbe male. Come esperimento potrei anche farne alcuni, così da testarli tutti.
L'unica pecca che purtroppo non vorrei avere un segnale "instabile". Mi basta che sia "stabile". Ovviamente non a livelli di generatori di frequenza che sono sul mercato, ma un minimo di stabilità serve
Russell ha scritto:Potresti anche fare uso di questo componente (4060)
http://www.doctronics.co.uk/4060.htm.
Ho guardato il sito che mi hai linkato e non è male. In questo modo potrei anche usare il quarzo che è molto più stabile rispetto ad un 555(solo con il variare della temperatura, varia anche un pochino la frequenza). Solo che non ho capito benissimo come funziona.. Guarderò poi sul datasheet, oppure chiedo al mio prof che magari può darmi qualche dritta. Comunque anche questo può essere un buon progettino. Il primo con il 555 e questo con il quarzo e confrontarli.
posta10100 ha scritto:N2O3 ha scritto:l'ho usato per un progettino di un orologio a scuola,
Avete usato un microprocessore o fatto tutto con divisori di frequenza e logica cablata per i display?
Purtroppo divisori di frequenza. Il microprocessore lo inizieremo a gennaio (so che a scuola si usa lo Z80, ma sul libro parla dell'8080 della intel. Il microprocessore (o microcontrollore) mi servirebbe per realizzare il frequenzimetro, così da vedere effettivamente la frequenza su un LCD da mettere con il generatore di clock. Purtroppo non ho le conoscenze(anche perché devo ancora farlo xD), ma ho trovato in rete alcuni siti che offrono il software e ti spiegano anche come assemblare il frequenzimetro con un LCD. Potrei "copiare" loro, così da sfruttarlo per il mio generatore :)
edgar ha scritto:Un componente poco usato ma molto interessante in un'applicazione del genere è il CD4046.
Assomiglia molto al 555. Ho visto che ha diverse applicazioni e che si può variare anche il duty cicle. Purtroppo però devo guardare i datasheet, visto che non sapevo nemmeno l'esistenza di questi :)
Comunque grazie a tutti per le varie dritte :)
0
voti
N2O3 ha scritto:Solo che non ho capito benissimo come funziona..
Tanto per aiutarti ti segnalo che puoi realizzare un oscillatore anche con 2 porte NOT
http://www.itisravenna.gov.it/corso/elettronica/materiale_didattico/lezioniweb/elettronica_2006-07/lezioni_di_elettronica/cap22_i_generatori_non_sinusoidali/astabile_con_porte_logiche.htm
http://elettroportale.altervista.org/Oscillatorenot.html
che è quello che avviene in quell'integrato quando non usi il quarzo ... altrimenti è comunque la stessa cosa, solo che si complica un po'.
0
voti
N2O3 ha scritto:L'unica pecca che purtroppo non vorrei avere un segnale "instabile". Mi basta che sia "stabile".
Vai con un 4060 come ti hanno consigliato, e con un divisore di frequenza. Probabilmente è la scelta migliore.
0
voti
Russell ha scritto:... Che è quello che avviene in quell'integrato quando non usi il quarzo ... altrimenti è comunque la stessa cosa, solo che si complica un po'.
Con le porte not è molto semplice realizzare il circuito, ma il 4060 mi sembrava più "serio" ecco tutto... La difficoltà non è un problema, alla fine mi basta cercare su internet le varie informazioni e dovrei essere a cavallo :)
0
voti
N2O3 ha scritto:mi basta cercare su internet le varie informazioni
Si ma prima di osservare circuiti già fatti di qua e di là fai sempre prima riferimento al datasheet.
18 messaggi
• Pagina 1 di 2 • 1, 2
Chi c’è in linea
Visitano il forum: Nessuno e 139 ospiti

Elettrotecnica e non solo (admin)
Un gatto tra gli elettroni (IsidoroKZ)
Esperienza e simulazioni (g.schgor)
Moleskine di un idraulico (RenzoDF)
Il Blog di ElectroYou (webmaster)
Idee microcontrollate (TardoFreak)
PICcoli grandi PICMicro (Paolino)
Il blog elettrico di carloc (carloc)
DirtEYblooog (dirtydeeds)
Di tutto... un po' (jordan20)
AK47 (lillo)
Esperienze elettroniche (marco438)
Telecomunicazioni musicali (clavicordo)
Automazione ed Elettronica (gustavo)
Direttive per la sicurezza (ErnestoCappelletti)
EYnfo dall'Alaska (mir)
Apriamo il quadro! (attilio)
H7-25 (asdf)
Passione Elettrica (massimob)
Elettroni a spasso (guidob)
Bloguerra (guerra)




