Cos'è ElectroYou | Login Iscriviti

ElectroYou - la comunità dei professionisti del mondo elettrico

Alimentatore tensione variabile

Elettronica lineare e digitale: didattica ed applicazioni

Moderatori: Foto Utentecarloc, Foto Utenteg.schgor, Foto UtenteBrunoValente, Foto UtenteIsidoroKZ

0
voti

[41] Re: Alimentatore tensione variabile

Messaggioda Foto Utenterukkino » 4 dic 2014, 18:36

Ammetto il mio errore ho confuso le basi con i collettori lo schema è quello che ha postato Foto UtenteBrunoValente
Ho messo i valori ai simboli per capire se sono quelli o meno adesso stampo lo schema e lo faccio vedere anche al mio amico elettricista.
Ho controllato i collegamenti dell'alimentatore sono tutti come li ha disegnati lei riesco solo a regolare la tensione da 24 V a 23.52V non so perché non mi fa regolare la tensione a dovere.
Grazie a tutti voi per avermi risposto O_/
CCF04122014_0000.jpg
Ultima modifica di Foto Utentemarco438 il 4 dic 2014, 18:41, modificato 1 volta in totale.
Motivazione: Modoficata immagine.Perche' non ti leggi le regole del forum?
Avatar utente
Foto Utenterukkino
10 4
New entry
New entry
 
Messaggi: 58
Iscritto il: 22 nov 2014, 14:34

0
voti

[42] Re: Alimentatore tensione variabile

Messaggioda Foto Utentemarco438 » 4 dic 2014, 18:45

Sei sicuro del funzionamento del trimmer? Prima mi pareva di aver visto un trimmer (di infima qualita') volante e con dubbi collegamenti.
Se questo e' a posto, controllerei il C648B e poi il MJ3001.
marco
Avatar utente
Foto Utentemarco438
37,1k 7 11 13
-EY Legend-
-EY Legend-
 
Messaggi: 16323
Iscritto il: 24 mar 2010, 15:09
Località: Versilia

0
voti

[43] Re: Alimentatore tensione variabile

Messaggioda Foto Utenterukkino » 4 dic 2014, 21:22

Il trimmer l'ho cambiato con un potenziometro da 10k e andava tutto bene poi ho sistemato i fili e non riuscivo più a regolare la tensione in uscita.
il transistor MJ300i l'ho testato in questo modo:
ho settato il tester su ohmx1,(tester analogico)
ho toccato la base con il terminale nero ed l'emettitore con quello rosso, conduce
Ho invertito i puntali e non conduce.
Ho messo i puntali tra collettore ed emettitore e non conduce, non conduce neanche se inverto i puntali.
Per quanto ne so io questo è uno dei metodi per testare un transistor.
Il transistor funziona.
Il transistor c548b l'ho cambiato proprio.
Ma non riesco ancora a regolare la tensione.
Domani vorrei testare alla stessa maniera i transistor 2N3055 e anche tutte le resistenze voi cosa ne dite :?: :?:
Avatar utente
Foto Utenterukkino
10 4
New entry
New entry
 
Messaggi: 58
Iscritto il: 22 nov 2014, 14:34

3
voti

[44] Re: Alimentatore tensione variabile

Messaggioda Foto UtenteBrunoValente » 4 dic 2014, 21:40

Hai controllato i collegamenti del potenziometro? sei sicuro di non averlo bruciato? Sai provarlo con il tester?
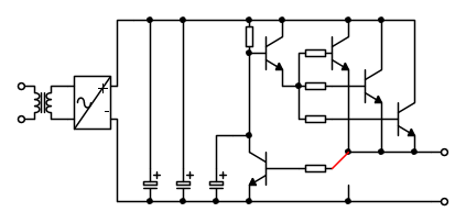
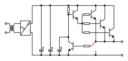
Se ti sembra che il potenziometro sia a posto, prima di smontare i transistor, ti consiglio di toglierlo e di fare il collegamento segnato in rosso nel seguente schema



Poi collega il puntale nero del tester al morsetto meno dell'alimentatore e con il puntale rosso misura le tensioni sui piedini di tutti i transistor facendo molta attenzione a non toccare due piedini contemporaneamente e riporta i valori sullo schema.
Sei pregato di utilizzare Fidocad altrimenti ci arrabbiamo :evil:
Avatar utente
Foto UtenteBrunoValente
39,6k 7 11 13
G.Master EY
G.Master EY
 
Messaggi: 7796
Iscritto il: 8 mag 2007, 14:48

0
voti

[45] Re: Alimentatore tensione variabile

Messaggioda Foto Utenterukkino » 5 dic 2014, 0:03

Foto UtenteBrunoValente
Ho controllato i collegamenti del potenziometro sono ok ero io che li avevo sbagliati sullo schema.
Già ho testato il potenziometro con il tester ed è ok
Domani provo a fare il collegamento consigliatomi da lei.
Poi collega il puntale nero del tester al morsetto meno dell'alimentatore e con il puntale rosso misura le tensioni sui piedini di tutti i transistor

Devo misurare la tensione solo sui piedini di base e emettitore o anche sul collettore ? :?:
Da oggi in poi userò solo Fidocad
Avatar utente
Foto Utenterukkino
10 4
New entry
New entry
 
Messaggi: 58
Iscritto il: 22 nov 2014, 14:34

2
voti

[46] Re: Alimentatore tensione variabile

Messaggioda Foto UtenteFedericoSibona » 5 dic 2014, 9:58

rukkino ha scritto: Il transistor c548b l'ho cambiato proprio. Ma non riesco ancora a regolare la tensione.

Ma il transistor l'hai cambiato prima o dopo aver "sistemato i fili"? Visto come sono realizzati i collegamenti, può essere che ci siano contatti indesiderati che inibiscono la regolazione o che abbiano nuovamente mandato in avaria quel transistor. Controlla che non ci siano contatti non previsti di cavi e/o di terminali di componenti.
E quando vai a sistemare qualcosa lì dentro, stacca la spina.
Avatar utente
Foto UtenteFedericoSibona
5.022 3 5 8
Master
Master
 
Messaggi: 3951
Iscritto il: 19 mar 2013, 11:43

2
voti

[47] Re: Alimentatore tensione variabile

Messaggioda Foto UtenteBrunoValente » 5 dic 2014, 12:04

Segui i consigli di Foto UtenteFedericoSibona e ricontrolla tutto prima di accendere.

Comunque, se un qualsiasi componente fosse difettoso o solo scollegato, dovremmo arrivare a capirlo dalle misure che ti ho chiesto: puntale nero fisso sul meno e puntale rosso su ciascun piedino (anche sul collettore) di ogni transistor.

Può sembrare un'attività tediosa ma in realtà ci vuole un attimo e ti fa guadagnare un sacco di tempo che altrimenti dovresti perdere a dissaldare e risaldare tutti i componenti con il rischio di fare qualche errore e di complicarti ulteriormente la vita.

Devi solo fare molta attenzione a non fare cortocircuiti con il puntale rosso quando lo appoggi sui piedini dei transistor. I transistor non perdonano gli errori, quasi sempre saltano istantaneamente.

Per eseguire le misure agevolmente ti consiglio di fissare stabilmente il puntale nero sul meno.
Avatar utente
Foto UtenteBrunoValente
39,6k 7 11 13
G.Master EY
G.Master EY
 
Messaggi: 7796
Iscritto il: 8 mag 2007, 14:48

0
voti

[48] Re: Alimentatore tensione variabile

Messaggioda Foto Utenterukkino » 5 dic 2014, 15:01

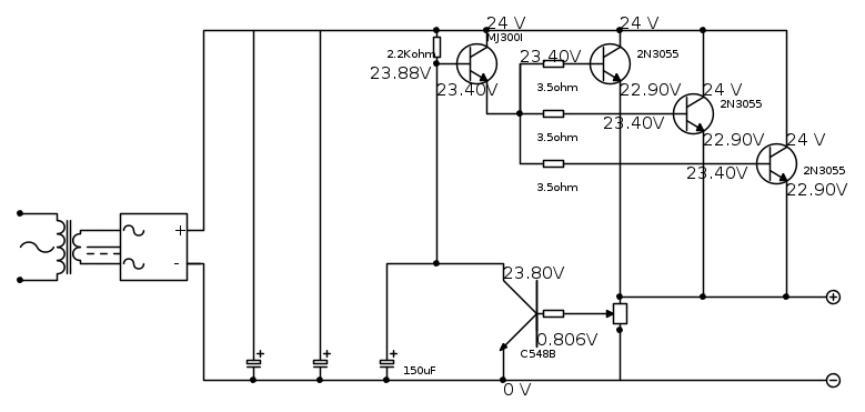
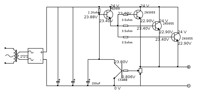
Foto UtenteBrunoValenteOggi ho fatto i test da lei richiesti apporto i valori sullo schema.
Foto UtenteFedericoSibona Il transistor C548B l'ho cambiato sia prima della sistemazione dei fili ed era tutto ok poi visto che dopo la sistemazione dei fili non funzionava l'ho cambiato di nuovo.

Grazie per il vostro aiuto
Avatar utente
Foto Utenterukkino
10 4
New entry
New entry
 
Messaggi: 58
Iscritto il: 22 nov 2014, 14:34

0
voti

[49] Re: Alimentatore tensione variabile

Messaggioda Foto UtenteBrunoValente » 5 dic 2014, 16:46

Il problema è di certo nel transistor C548 che non sta funzionando.
Sei sicuro di averlo montato correttamente?

Non c'era bisogno di rifare lo schema daccapo, bastava copiarlo dal mio messaggio (sorgente Fidocadj) e incollarlo nella pagina di lavoro di Fidocad.

Se per te va bene gradirei che mi dessi del tu, come è in uso da queste parti :-)
Avatar utente
Foto UtenteBrunoValente
39,6k 7 11 13
G.Master EY
G.Master EY
 
Messaggi: 7796
Iscritto il: 8 mag 2007, 14:48

0
voti

[50] Re: Alimentatore tensione variabile

Messaggioda Foto Utenterukkino » 5 dic 2014, 17:02

Foto UtenteBrunoValenteGrazie per aver esaminato i valori.
ho alcuni transistor che ho recuperato da vecchie TV con quali lo posso sostituire ??
Vorrei anche testarli prima di sostituirlo lo testo allo stesso modo con cui ho testato l'MJ3001
cosa ne dici O_/
Avatar utente
Foto Utenterukkino
10 4
New entry
New entry
 
Messaggi: 58
Iscritto il: 22 nov 2014, 14:34

PrecedenteProssimo

Torna a Elettronica generale

Chi c’è in linea

Visitano il forum: Nessuno e 131 ospiti