Contatore clock e pulsanti
Moderatori:
carloc,
g.schgor,
BrunoValente,
IsidoroKZ
44 messaggi
• Pagina 2 di 5 • 1, 2, 3, 4, 5
0
voti
Anche per me quello schema e' illeggibile, per quanto abbia provato ad aggiustarlo un po'; quindi sei pregato di farlo meglio. Tutte le istruzioni che possono necessitarti le trovi sulla fascia rosa sopra i messaggi sia per l'inserzione di immagini che per gli schemi in FidoCadJ; logicamente le foto devono essere ben fatte. 
marco
0
voti
Con gli OR automantenuti a quel modo, una volta premuto
il relativo pulsante non si disattivano più.. Non mi sembra che
facciano la commutazione ogni volta che premi uno dei pulsanti.
Bisognerebbe sapere cosa c'è dentro il contatore per stabilire come
agiscono gli Start/Stop
il relativo pulsante non si disattivano più.. Non mi sembra che
facciano la commutazione ogni volta che premi uno dei pulsanti.
Bisognerebbe sapere cosa c'è dentro il contatore per stabilire come
agiscono gli Start/Stop
0
voti
Se invece degli OR inserisci un flip-flop (fatto con due NOR o due NAND) semplifichi il circuito e usi due pulsanti a una via.
Per quanto riguarda il clock di periodo 30 secondi, che precisione deve avere? Un 555 con un condensatore elettrolitico non è il massimo come precisione e costanza nel tempo.
Se ci dici a cosa ti serve possiamo essere più precisi e dare migliori consigli. Un circuito ce l'avrei in mente, ma alcune parti dipendono da precisione e forse anche uso richiesto.
Per quanto riguarda il clock di periodo 30 secondi, che precisione deve avere? Un 555 con un condensatore elettrolitico non è il massimo come precisione e costanza nel tempo.
Se ci dici a cosa ti serve possiamo essere più precisi e dare migliori consigli. Un circuito ce l'avrei in mente, ma alcune parti dipendono da precisione e forse anche uso richiesto.
Big fan of ⋮ƎlectroYou! Ausili per disabili e anziani su ⋮ƎlectroYou
Caratteri utili: À È É Ì Ò Ó Ù α β γ δ ε η θ λ μ π ρ σ τ φ ω Ω º ª ² ³ √ ∛ ∜ ₀ ₁ ₂ ₃ ₄ ₅ ₆ ∃ ∄ ∆ ∈ ∉ ± ∓ ∾ ≃ ≈ ≠ ≤ ≥
Caratteri utili: À È É Ì Ò Ó Ù α β γ δ ε η θ λ μ π ρ σ τ φ ω Ω º ª ² ³ √ ∛ ∜ ₀ ₁ ₂ ₃ ₄ ₅ ₆ ∃ ∄ ∆ ∈ ∉ ± ∓ ∾ ≃ ≈ ≠ ≤ ≥
0
voti
g.schgor ha scritto:Con gli OR automantenuti a quel modo, una volta premuto
il relativo pulsante non si disattivano più.. Non mi sembra che
facciano la commutazione ogni volta che premi uno dei pulsanti.
Bisognerebbe sapere cosa c'è dentro il contatore per stabilire come
agiscono gli Start/Stop
Correggimi se sbaglio.
La porta OR funziona in questa maniera:
Pin 1-----Pin 2-----Pin 3
--1-------- 0---------1
--0-------- 1---------1
--1-------- 1---------1
--0-------- 0---------0
Ora Facciamo l'ipotesi di essere sul pulsante 1....per dare il livello 1 al pin 1 e al pin 2 basta premere una volta il pulsante 1. Appena il pulsante stacca il pin 1 torna a 0 mentre il pin 2 resta a livello 1. Per far tornare a livello 0 il pin due basta premere il pulsante 2.
Tutto questo se non ho capito male il funzionamento della porta OR.
Il pulsante nel mio immaginario è a due vie come ad esempio questo
http://www.dx.com/p/diy-on-off-push-button-switch-black-142750#.VIDMVcm0ed8
Spero che ora lo schema del pulsante sia più leggibile.

GuidoB ha scritto:Se invece degli OR inserisci un flip-flop (fatto con due NOR o due NAND) semplifichi il circuito e usi due pulsanti a una via.
Per quanto riguarda il clock di periodo 30 secondi, che precisione deve avere? Un 555 con un condensatore elettrolitico non è il massimo come precisione e costanza nel tempo.
Se ci dici a cosa ti serve possiamo essere più precisi e dare migliori consigli. Un circuito ce l'avrei in mente, ma alcune parti dipendono da precisione e forse anche uso richiesto.
Sono assolutamente aperto a qualsiasi soluzione (anche magari già pronta da acquistare sul mercato) quindi se mi dite che il flip-flop (che non so cosa sia) scolge esattamente la funzione che cerco allora per me va benissimo in fin dei conto mi son rivolto a voi per questo motivo.
Per quanto riguarda la precisione non ha molta importanza....basta che non sbagli di moltissimo.... stavo pensando di abbassare il periodo a 15 secondi ma questi sono tecnicisi che credo si possano appurare appena capito il problema. Se sbaglia di qualche secondo ogni minuto non ha molta importanza. L'importante è che non ci sia un errore colossale.
A COSA SERVE:
allora sostanzialmente è per gioco.... voglio creare una "stazione" autogestia (su questo punto possiamo tornare dopo) che scandisca il tempo di due fazioni rivali.
Questa stazione funge da chekpoint dove il membro di una fazione arriva, pigia il suo pulsante facendo avviare il contatore e quindi facendo guadagnare punti alla squadra.
Appena arriva il membro dell'altra fazione sulla medesima stazione questo preme il suo pulsante stoppando il contatore avversario e avviando il suo.

2
voti
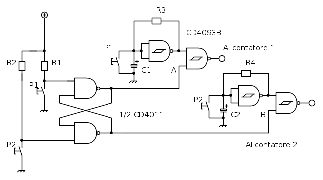
Premesso che le soluzioni circuitali alle tue esigenze sono molteplici e ognuno le può realizzare nei modi più svariati, una soluzione semplice che rimane circoscritta a sole porte logiche in modo da valorizzarle può essere questo, sempre sperando di aver capito correttamente la tua esigenza, in caso contrario, si può sempre modificare

In pratica con il solo integrato CD4093 che contiene le 4 porte Nand a trigger di schmitt realizzi quasi tutto
Poi ti serve un secondo integrato CD4011 dove sfrutti 2 delle 4 porte disponibili
Con 2 delle 4 porte del CD4093, realizzi i due oscillatori uguali con periodo di 30 secondi e con le altre due blocchi o abiliti le uscite a mandare il segnale all' entrata dei contatori.
Infatti quando l' ingresso A è alto il segnale dell' oscillatore 1 può passare e incrementa il tuo contatore 1, mentre quando è basso, l' uscita è sempre alta e non può incrementare il contatore
Tutto uguale per l' ingresso B
I due ingressi sono gestiti dalla pressione dei pulsanti
quando premi P1 abiliti l' uscita dell' oscillatore 1 e perciò il contatore 1, perché A andrà a livello logico alto, mentre B sarà a livello logico basso e blocca l' uscita dell' oscillatore 2 ( rimane sempre a livello logico alto )
Quando premi P2 succede il contrario, mandi a livello logico alto il punto B e abiliti l' uscita dell' oscillatore 2 verso il contatore 2, mentre nello stesso istante il punto A andrà a livello logico basso e blocca l' uscita dell' oscillatore 1
Il fatto che le uscite restino a valore alto quando non conta, credo che non crei nessun problema ( ma bisognerebbe provare per essere certi ). comunque la cosa è risolvibile facendo lo stesso circuito pari, pari, ma con porte NOR a trigger di schmitt
I contatori, penso che non si azzerino, visto l' opuscolo di funzionamento. come vedi c'è un pin apposito per azzerare i contatori
questa è una delle tante idee, ma vanno bene anche altre soluzioni tipo flip-flop o NE555 come altri ti stavano consigliando
Fare un conteggio con una frequenza così bassa con circuito RC, non è il massimo, ma si semplifica molto
P.S. lascio controllare anche ad altri utenti, perché dalla fretta può darsi che tutto non sia corretto
edit:
Il circuito prendiamolo come principio, perché rileggendolo, ho già visto che ha una mancanza che senza dubbio è da risolvere perché ti creerà un problema pratico.
Ma al limite se sei interessato si può ovviare come tutte le cose
( con i pulsanti, bisogna azzerare anche gli oscillatori :)

In pratica con il solo integrato CD4093 che contiene le 4 porte Nand a trigger di schmitt realizzi quasi tutto
Poi ti serve un secondo integrato CD4011 dove sfrutti 2 delle 4 porte disponibili
Con 2 delle 4 porte del CD4093, realizzi i due oscillatori uguali con periodo di 30 secondi e con le altre due blocchi o abiliti le uscite a mandare il segnale all' entrata dei contatori.
Infatti quando l' ingresso A è alto il segnale dell' oscillatore 1 può passare e incrementa il tuo contatore 1, mentre quando è basso, l' uscita è sempre alta e non può incrementare il contatore
Tutto uguale per l' ingresso B
I due ingressi sono gestiti dalla pressione dei pulsanti
quando premi P1 abiliti l' uscita dell' oscillatore 1 e perciò il contatore 1, perché A andrà a livello logico alto, mentre B sarà a livello logico basso e blocca l' uscita dell' oscillatore 2 ( rimane sempre a livello logico alto )
Quando premi P2 succede il contrario, mandi a livello logico alto il punto B e abiliti l' uscita dell' oscillatore 2 verso il contatore 2, mentre nello stesso istante il punto A andrà a livello logico basso e blocca l' uscita dell' oscillatore 1
Il fatto che le uscite restino a valore alto quando non conta, credo che non crei nessun problema ( ma bisognerebbe provare per essere certi ). comunque la cosa è risolvibile facendo lo stesso circuito pari, pari, ma con porte NOR a trigger di schmitt
I contatori, penso che non si azzerino, visto l' opuscolo di funzionamento. come vedi c'è un pin apposito per azzerare i contatori
questa è una delle tante idee, ma vanno bene anche altre soluzioni tipo flip-flop o NE555 come altri ti stavano consigliando
Fare un conteggio con una frequenza così bassa con circuito RC, non è il massimo, ma si semplifica molto
P.S. lascio controllare anche ad altri utenti, perché dalla fretta può darsi che tutto non sia corretto
edit:
Il circuito prendiamolo come principio, perché rileggendolo, ho già visto che ha una mancanza che senza dubbio è da risolvere perché ti creerà un problema pratico.
Ma al limite se sei interessato si può ovviare come tutte le cose
( con i pulsanti, bisogna azzerare anche gli oscillatori :)
2
voti
Anch'io avevo pensato a un circuito simile a quello di
Pixy.
Ma, a quanto pare, all'accensione entrambi i contatori dovrebbero essere fermi. È solo quando uno dei due pulsanti viene premuto che parte il contatore corrispondente.
Penso che dovrebbe essere previsto anche un blocco del clock a fine partita, per permettere di leggere i contatori senza che uno di questi continui ad avanzare.
Oppure vince chi per primo raggiunge un certo punteggio (quale?), e quindi sarebbe utile una segnalazione magari luminosa di fine partita?
Potresti dissiparci questi dubbi,
Zando87?
La logica di funzionamento ricorda vagamente quella di un orologio per scacchi, che però non so se sarebbe utilizzabile in questo caso.
A proposito
Pixy, usi Fidocad per disegnare i circuiti? Su ElectroYou usiamo Fidocadj e postiamo il codice sorgente del circuito (tra i tag "[ fcd ] [ /fcd ]"). Così altri utenti possono scaricare il sorgente, apportare modifiche e ri-postarlo in un altro intervento.
Come fare è spiegato nelle regole del forum. Le regole valgono per tutti.
Zando87, dovresti adeguarti anche tu a disegnare gli schemi con Fidocadj. È semplice, basta una mezz'ora per impararlo, e quel poco tempo è un ottimo investimento.
Ma, a quanto pare, all'accensione entrambi i contatori dovrebbero essere fermi. È solo quando uno dei due pulsanti viene premuto che parte il contatore corrispondente.
Penso che dovrebbe essere previsto anche un blocco del clock a fine partita, per permettere di leggere i contatori senza che uno di questi continui ad avanzare.
Oppure vince chi per primo raggiunge un certo punteggio (quale?), e quindi sarebbe utile una segnalazione magari luminosa di fine partita?
Potresti dissiparci questi dubbi,
La logica di funzionamento ricorda vagamente quella di un orologio per scacchi, che però non so se sarebbe utilizzabile in questo caso.
A proposito
Come fare è spiegato nelle regole del forum. Le regole valgono per tutti.
Big fan of ⋮ƎlectroYou! Ausili per disabili e anziani su ⋮ƎlectroYou
Caratteri utili: À È É Ì Ò Ó Ù α β γ δ ε η θ λ μ π ρ σ τ φ ω Ω º ª ² ³ √ ∛ ∜ ₀ ₁ ₂ ₃ ₄ ₅ ₆ ∃ ∄ ∆ ∈ ∉ ± ∓ ∾ ≃ ≈ ≠ ≤ ≥
Caratteri utili: À È É Ì Ò Ó Ù α β γ δ ε η θ λ μ π ρ σ τ φ ω Ω º ª ² ³ √ ∛ ∜ ₀ ₁ ₂ ₃ ₄ ₅ ₆ ∃ ∄ ∆ ∈ ∉ ± ∓ ∾ ≃ ≈ ≠ ≤ ≥
5
voti
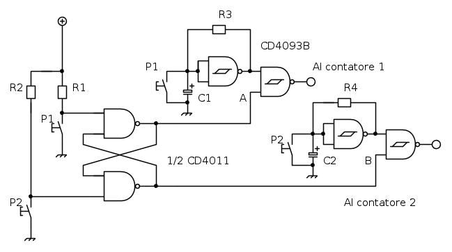
Hai perfettamente ragione Guido
Lì x lì non sapevo come fare, ma provando, penso di esserci riuscito
Metto lo schema in modo da essere modificato e anzi, intanto l' ho modificato con i pulsanti a doppio contatto ( i due Pulsanti agiscono simultaneamente in modo da azzerare la capacità corrispondente al proprio oscillatore nel momento della pressione)
comunque, ripeto è uno schema di principio, perché, in effetti bisogna ancora capire la totalità delle esigenze di Zando87
Lì x lì non sapevo come fare, ma provando, penso di esserci riuscito
Metto lo schema in modo da essere modificato e anzi, intanto l' ho modificato con i pulsanti a doppio contatto ( i due Pulsanti agiscono simultaneamente in modo da azzerare la capacità corrispondente al proprio oscillatore nel momento della pressione)
comunque, ripeto è uno schema di principio, perché, in effetti bisogna ancora capire la totalità delle esigenze di Zando87
0
voti
Allora conforme tutto quello che hai detto ovvero:
- il contatore (qualsiasi esso sia) parte solo dopo aver premuto il relativo pulsante.
- a fine partita ci deve essere uno stop del clock (automatico) per permettere la lettura dei numeri (ma questo stop automatico sarebbe stata la prossima domanda...nel senso impostare al di fuori di tutto e che sia autonomo una sorta di timer che allo scadere del tempo impostato invii uno stop ad entrambi i clock).
Lungi da me dal voler essere uno schema elettrico quello che ho postato...era solo una maniera per cercar di spiegare quanto mi serviva...effettivamente è un isieme di schema a blocchi e schema elettrico con tanto di manuale di spiegazione
Ho preso visione dello schema e dovrebbe andar bene alle mie esigenze... ora ho due domande:
1 - i pulsanti P1 e P2 che hai messo sulle nad a Trigger non dovrebbero essere invertiti? o lo "spegnimento" del contatore avversario avviene a monte sui CD4011?
2 - i valori delle resistenze e dei condensatori?!
- il contatore (qualsiasi esso sia) parte solo dopo aver premuto il relativo pulsante.
- a fine partita ci deve essere uno stop del clock (automatico) per permettere la lettura dei numeri (ma questo stop automatico sarebbe stata la prossima domanda...nel senso impostare al di fuori di tutto e che sia autonomo una sorta di timer che allo scadere del tempo impostato invii uno stop ad entrambi i clock).
Lungi da me dal voler essere uno schema elettrico quello che ho postato...era solo una maniera per cercar di spiegare quanto mi serviva...effettivamente è un isieme di schema a blocchi e schema elettrico con tanto di manuale di spiegazione
Ho preso visione dello schema e dovrebbe andar bene alle mie esigenze... ora ho due domande:
1 - i pulsanti P1 e P2 che hai messo sulle nad a Trigger non dovrebbero essere invertiti? o lo "spegnimento" del contatore avversario avviene a monte sui CD4011?
2 - i valori delle resistenze e dei condensatori?!
Ultima modifica di
marco438 il 5 dic 2014, 9:35, modificato 1 volta in totale.
Motivazione: Eliminato quoting inutile. Leggi le regole del forum
Motivazione: Eliminato quoting inutile. Leggi le regole del forum
3
voti
Mi associo alle osservazioni di
GuidoB,
aggiungendo che è impossibile generare un impulso
ogni 30s con quel tipo di oscillatore.
Suggerisco quindi un 555 astabile (ne basta uno solo
per entrambi i contatori), condizionato da un terzo FlipFlop.
Quest'ultimo deve inibire la generazione di impulsi finché
non viene premuto uno dei 2 pulsanti (ed eventualmente
alla fine per fermare il conteggio).
aggiungendo che è impossibile generare un impulso
ogni 30s con quel tipo di oscillatore.
Suggerisco quindi un 555 astabile (ne basta uno solo
per entrambi i contatori), condizionato da un terzo FlipFlop.
Quest'ultimo deve inibire la generazione di impulsi finché
non viene premuto uno dei 2 pulsanti (ed eventualmente
alla fine per fermare il conteggio).
2
voti
Realizzare 2 oscillatori distinti con gruppi RC (che non è il massimo della precisione) potrebbe avvantaggiare uno dei giocatori. Credo di essere dell'idea che l'oscillatore debba essere unico.
Credo anche che avere un impulso ogni 30-10 secondi sia un modo strano di scandire il tempo... ovvero gia' che ci siamo non mi sembrerebbe strano che il contatore contasse proprio i secondi, tanto il display non credo abbia problemi a mostrare numeri anche grandicelli.
Tornando all'oscillatore, quando si parla di clock a frequenze non precisate all'inizio del progetto, allora io sono uno di quelli affezionati al 4060 (sia per spesa che per flessibilità)
http://www.doctronics.co.uk/4060.htm
Con gruppo RC la precisione è relativa... ma con il cristallo non è un problema avere la scansione esatta dei secondi
Credo anche che avere un impulso ogni 30-10 secondi sia un modo strano di scandire il tempo... ovvero gia' che ci siamo non mi sembrerebbe strano che il contatore contasse proprio i secondi, tanto il display non credo abbia problemi a mostrare numeri anche grandicelli.
Tornando all'oscillatore, quando si parla di clock a frequenze non precisate all'inizio del progetto, allora io sono uno di quelli affezionati al 4060 (sia per spesa che per flessibilità)
http://www.doctronics.co.uk/4060.htm
Con gruppo RC la precisione è relativa... ma con il cristallo non è un problema avere la scansione esatta dei secondi
44 messaggi
• Pagina 2 di 5 • 1, 2, 3, 4, 5
Chi c’è in linea
Visitano il forum: Nessuno e 104 ospiti

Elettrotecnica e non solo (admin)
Un gatto tra gli elettroni (IsidoroKZ)
Esperienza e simulazioni (g.schgor)
Moleskine di un idraulico (RenzoDF)
Il Blog di ElectroYou (webmaster)
Idee microcontrollate (TardoFreak)
PICcoli grandi PICMicro (Paolino)
Il blog elettrico di carloc (carloc)
DirtEYblooog (dirtydeeds)
Di tutto... un po' (jordan20)
AK47 (lillo)
Esperienze elettroniche (marco438)
Telecomunicazioni musicali (clavicordo)
Automazione ed Elettronica (gustavo)
Direttive per la sicurezza (ErnestoCappelletti)
EYnfo dall'Alaska (mir)
Apriamo il quadro! (attilio)
H7-25 (asdf)
Passione Elettrica (massimob)
Elettroni a spasso (guidob)
Bloguerra (guerra)








