Prima di cambiare di nuovo quel transistor, prova a montare una resistenza di valore compreso tra 470 e 2200 ohm in parallelo al condensatore da 150uF, serve ad assicurarci che tutto il resti stia funzionando davvero: con la resistenza montata, se tutto il resto è a posto, dovresti vedere in uscita una tensione di una decina di volt o meno, dipende dal valore della resistenza.
Questo abbassamento della tensione di uscita dimostrerebbe inequivocabilmente che il problema è nel transistor C548.
Se la tensione in uscita rimanesse a valori prossimi a 24 V allora c'è un problema all'MJ3001 che potrebbe farti saltare il C548 appena lo monti.
Alimentatore tensione variabile
Moderatori:
carloc,
g.schgor,
BrunoValente,
IsidoroKZ
0
voti
Prima di saldare però dicci le sigle di quei transistors, non sono tutti uguali come caratteristiche e possono anche avere piedinatura diversa.
PS: vedo che in Fidocad hai costruito il transistor con base a destra ed emettitore in basso. Dopo aver prelevato il componente dalla libreria clicca con il tasto destro del mouse, si apre un menu in cui, tra le altre cose, c'è ruota e specchia, con quei due comandi puoi orientare il componente come ti pare
PS: vedo che in Fidocad hai costruito il transistor con base a destra ed emettitore in basso. Dopo aver prelevato il componente dalla libreria clicca con il tasto destro del mouse, si apre un menu in cui, tra le altre cose, c'è ruota e specchia, con quei due comandi puoi orientare il componente come ti pare
-

FedericoSibona
5.022 3 5 8 - Master

- Messaggi: 3951
- Iscritto il: 19 mar 2013, 11:43
0
voti
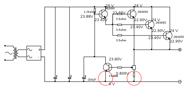
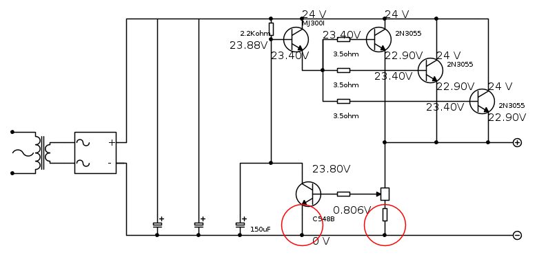
Scusate se dico la mia, ma credo sia necessario mettere un resistenza in serie al potenziometro per evitare che quando il cursore è tutto in basso il riferimento va a zero e non c'è più regolazione.
Ritengo opportuno anche uno zener sull'emettitore del transistor (vedi cerchio rosso)
Questo alimentatore manca anche di un controllo in corrente, in caso di cortocircuito o di carico elevato i transistor finali se la vedono brutta.
Saluti
Ritengo opportuno anche uno zener sull'emettitore del transistor (vedi cerchio rosso)
Questo alimentatore manca anche di un controllo in corrente, in caso di cortocircuito o di carico elevato i transistor finali se la vedono brutta.
Saluti
0
voti
Come dovrei saldare la resistenza in parallelo tra il piedino negativo e il polo negativo??
0
voti
Fai il collegamento come da schema; Bruno ha detto "in parallelo" e non in serie.
marco
0
voti
rukkino ha scritto: Ho alcuni transistor BC548B-BC251-BC558PNPO27
BC251 e BC 558 non vanno bene perché sono PNP, puoi usare il BC 548, ma prima fai la prova che ha chiesto Bruno.
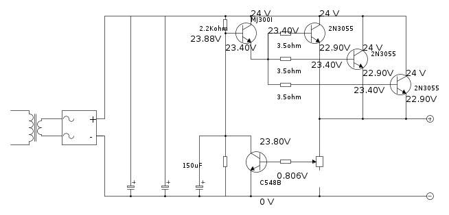
Sarei curioso di sapere che tensione da il secondario del trasformatore per ottenere 24 V esatti dopo raddrizzamento e livellamento. Oltretutto così non puoi ottenere 24 V in uscita
-

FedericoSibona
5.022 3 5 8 - Master

- Messaggi: 3951
- Iscritto il: 19 mar 2013, 11:43
0
voti
al negozio di elettronica non sono riuscito a trovare le resistenze che si aggirano tra 470 ohm e 2200ohm ho trovato una resistenza da 331ohm che faccio 
0
voti
rukkino ha scritto:al negozio di elettronica non sono riuscito a trovare le resistenze che si aggirano tra 470 ohm e 2200ohm ho trovato una resistenza da 331ohm che faccio
Va bene lo stesso, se tutto è ok ti dovrebbe abbassare la tensione di uscita a circa 2-3V
giannid19 ha scritto:Scusate se dico la mia, ma credo sia necessario mettere un resistenza in serie al potenziometro per evitare che quando il cursore è tutto in basso il riferimento va a zero e non c'è più regolazione.
Ritengo opportuno anche uno zener sull'emettitore del transistor (vedi cerchio rosso)
Questo alimentatore manca anche di un controllo in corrente, in caso di cortocircuito o di carico elevato i transistor finali se la vedono brutta.
Hai ragione in tutto ma in questa fase stiamo lavorando sull'alimentatore così come
Eventualmente dopo possiamo anche pensare di migliorarlo.
-

BrunoValente
39,6k 7 11 13 - G.Master EY

- Messaggi: 7796
- Iscritto il: 8 mag 2007, 14:48
0
voti
rukkino ha scritto:al negozio di elettronica non sono riuscito a trovare le resistenze che si aggirano tra 470 ohm e 2200ohm ho trovato una resistenza da 331ohm che faccio
Ossia quel "negozio di elettronica" non ha resistori da 470, 560, 680, 820, 1000, 1200, 1500, 1800, 2200 ohm? E ne ha da 331 ohm??? Ma non è che è un negozio di elettrodomestici e quel 331Ω è un ricambio di qualche appareccho?
Comunque credo possa andare anche quella.
-

FedericoSibona
5.022 3 5 8 - Master

- Messaggi: 3951
- Iscritto il: 19 mar 2013, 11:43
0
voti
il negozio è un negozio di elettronica ma il problema è che abito su un isola e ci sono solo due negozi di elettronica ma mal forniti
Chi c’è in linea
Visitano il forum: Nessuno e 76 ospiti

Elettrotecnica e non solo (admin)
Un gatto tra gli elettroni (IsidoroKZ)
Esperienza e simulazioni (g.schgor)
Moleskine di un idraulico (RenzoDF)
Il Blog di ElectroYou (webmaster)
Idee microcontrollate (TardoFreak)
PICcoli grandi PICMicro (Paolino)
Il blog elettrico di carloc (carloc)
DirtEYblooog (dirtydeeds)
Di tutto... un po' (jordan20)
AK47 (lillo)
Esperienze elettroniche (marco438)
Telecomunicazioni musicali (clavicordo)
Automazione ed Elettronica (gustavo)
Direttive per la sicurezza (ErnestoCappelletti)
EYnfo dall'Alaska (mir)
Apriamo il quadro! (attilio)
H7-25 (asdf)
Passione Elettrica (massimob)
Elettroni a spasso (guidob)
Bloguerra (guerra)





