Le comuni lampade da auto hanno valore 50/55W; non e' che li ho aggiunti io.
Stima potenza trasformatore
Moderatori:
carloc,
g.schgor,
BrunoValente,
IsidoroKZ
35 messaggi
• Pagina 2 di 4 • 1, 2, 3, 4
0
voti
Mah, secondo la sfera, quel trasformatore se arriva a 2A e' festa grande.
Le comuni lampade da auto hanno valore 50/55W; non e' che li ho aggiunti io.
Le comuni lampade da auto hanno valore 50/55W; non e' che li ho aggiunti io.
marco
0
voti
Però se le prove vengono fatte con un secondario trasformatore-ponte-condensatore, di lampade 12V da auto sarà meglio metterne due in serie in quanto l'uscita sarà prossima ai 24/25V, magari iniziando con due da 21W (anabbaglianti). Se non sbaglio così si dovrebbero drenare circa 1,75A.
Sempre se ho capito tutto correttamente
Sempre se ho capito tutto correttamente
-

FedericoSibona
5.022 3 5 8 - Master

- Messaggi: 3951
- Iscritto il: 19 mar 2013, 11:43
0
voti
Ecco un po' di news. 
Alla fine mio padre mi ha dato una lampada della sua vecchia pandina 4x4, da 40-45W. Quindi ho fatto due conti ed ho pensato:
.
Perciò, per complicarmi la vita il meno possibile, ho usato la scheda di alimentazione originale (lo schema del primo post) a cui però ho sostituito tutti i condensatori elettrolitici (i vecchi non ho "osato" testarli
) ed anche i due diodi da 3A, sostituiti con altri da 5A.
A questo punto ho collegato (in parallelo) i secondari del trasformatore alla scheda di alimentazione ed ho fatto una primo test a vuoto per vedere che fosse tutto OK: ho misurato 13,56V dopo i due regolatori (immagino non fossero 12V per via della resistenza da 68 ohm, giusto?).
Quindi ho collegato la lampada in modalità anabbagliante (40W) ed ho misurato 3,1A , con la tensione di uscita che si è portata da 13,56 a 12,1 volt. Mentre la tensione ai capi dei due condensatori da 2200uF si è mantenuta a circa 18,4V.
Ho fatto un test di soli 5 minuti, perché ho avuto l'impressione che i regolatori (dissipati sullo chassis originale dell'alimentatore) stessero scaldando troppo. Mentre il trasformatore si è scaldato un po', ma a livelli accettabili (non saprei dire la temperatura esatta, ma ho visto trasformatori scaldare anche di più nella loro "normale" attività).
In definitiva, vorrei fare un alimentatore duale con tensione variabile fino a un massimo di +-15V, anche se a 15V non credo di poter andare oltre 1,2A per ogni secondario. Non prevedo la regolazione della corrente, ma magari potrei comunque collegare un paio di amperometri a LED per avere una sorta di "monitoraggio" della corrente.
Cosa ne pensate?
P.S.: naturalmente, se voleste altre prove, posso farle tranquillamente.
Alla fine mio padre mi ha dato una lampada della sua vecchia pandina 4x4, da 40-45W. Quindi ho fatto due conti ed ho pensato:
.Perciò, per complicarmi la vita il meno possibile, ho usato la scheda di alimentazione originale (lo schema del primo post) a cui però ho sostituito tutti i condensatori elettrolitici (i vecchi non ho "osato" testarli
A questo punto ho collegato (in parallelo) i secondari del trasformatore alla scheda di alimentazione ed ho fatto una primo test a vuoto per vedere che fosse tutto OK: ho misurato 13,56V dopo i due regolatori (immagino non fossero 12V per via della resistenza da 68 ohm, giusto?).
Quindi ho collegato la lampada in modalità anabbagliante (40W) ed ho misurato 3,1A , con la tensione di uscita che si è portata da 13,56 a 12,1 volt. Mentre la tensione ai capi dei due condensatori da 2200uF si è mantenuta a circa 18,4V.
Ho fatto un test di soli 5 minuti, perché ho avuto l'impressione che i regolatori (dissipati sullo chassis originale dell'alimentatore) stessero scaldando troppo. Mentre il trasformatore si è scaldato un po', ma a livelli accettabili (non saprei dire la temperatura esatta, ma ho visto trasformatori scaldare anche di più nella loro "normale" attività).
In definitiva, vorrei fare un alimentatore duale con tensione variabile fino a un massimo di +-15V, anche se a 15V non credo di poter andare oltre 1,2A per ogni secondario. Non prevedo la regolazione della corrente, ma magari potrei comunque collegare un paio di amperometri a LED per avere una sorta di "monitoraggio" della corrente.
Cosa ne pensate?
P.S.: naturalmente, se voleste altre prove, posso farle tranquillamente.
0
voti
Puoi fare un duale variabile con LM317/LM337 anche se non so se arriverai a 15V stabilizzati.
Dovresti ottenere, perr evitare surriscaldamenti, circa 1A e i due regolatori dovranno essere pero' dissipati e non solo dallo chassis.
Dovresti ottenere, perr evitare surriscaldamenti, circa 1A e i due regolatori dovranno essere pero' dissipati e non solo dallo chassis.
marco
0
voti
E infatti è più o meno lo "scenario" che avevo in mente, ma speravo di arrivare ad almeno 1,5A a 15V.
Comunque pensavo di usare gli LM317-337, però "aiutati" dalla coppia MJ2955-2N3055 nel formato TO-3, in modo da stare più tranquillo.
Comunque pensavo di usare gli LM317-337, però "aiutati" dalla coppia MJ2955-2N3055 nel formato TO-3, in modo da stare più tranquillo.
1
voti
Ok. Se vuoi domani butto giu' uno schema.
Io preferisco avere la regolazione uniforme sulle due linee ma, se vuoi, posso mettere due potenziometri in modo da averla distinta.
Io preferisco avere la regolazione uniforme sulle due linee ma, se vuoi, posso mettere due potenziometri in modo da averla distinta.
marco
0
voti
E' più che ben accetto! 
Cercando nel forum avevo trovato proprio un tuo schema molto "papabile"
che, per l'appunto, ha la regolazione uniforme. Nel mio caso preferisco averla distinta, ma i miei veri dubbi erano più che altro sulla resistenza alla base dei transistor. Naturalmente ho letto il datasheet, ma effettivamente sono transitor che non ho mai usato. 

Cercando nel forum avevo trovato proprio un tuo schema molto "papabile"
1
voti
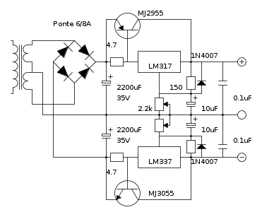
Ecco uno schema molto semplice con la doppia regolazione dei rami:
C'e' da considerare pero' che, usandolo come alimentatore da laboratorio, questo schema non e' molto sicuro mancando di una protezione contro i cortocircuti accidentali; o meglio, in caso di corto sui terminali d'uscita, probabilmente i regolatori rimarranno integri ma i transistor passeranno a miglior vita.
Se devi comprare tutti i componenti, potresti considerare l'uso di regolatori L200 che eviterebbero l'uso di transistor di potenza e, avendo anche la possibilita di implementare la regolazione della corrente, eviterebbero questo problema.
Uno schema lo trovi in questo articolo oppure cercando sul forum; ne avevamo progettato uno con TonyStark.
C'e' da considerare pero' che, usandolo come alimentatore da laboratorio, questo schema non e' molto sicuro mancando di una protezione contro i cortocircuti accidentali; o meglio, in caso di corto sui terminali d'uscita, probabilmente i regolatori rimarranno integri ma i transistor passeranno a miglior vita.
Se devi comprare tutti i componenti, potresti considerare l'uso di regolatori L200 che eviterebbero l'uso di transistor di potenza e, avendo anche la possibilita di implementare la regolazione della corrente, eviterebbero questo problema.
Uno schema lo trovi in questo articolo oppure cercando sul forum; ne avevamo progettato uno con TonyStark.
marco
1
voti
Grazie! 
Noto che i miei conti per dimensionare la resistenza alla base dei transistor non si discostano poi molto, poiché ottenevo circa 6 ohm.
Per quanto riguarda i corti accidentali, effettivamente il problema potrebbe sussistere... E dovendo acquistare gran parte dei componenti, posso valutare anche la strada degli L200. Ho letto il tuo articolo e penso di aver trovato anche il thread in questione. Do una lettura al datasheet del L200 e poi provo a fare uno schema.

Noto che i miei conti per dimensionare la resistenza alla base dei transistor non si discostano poi molto, poiché ottenevo circa 6 ohm.
Per quanto riguarda i corti accidentali, effettivamente il problema potrebbe sussistere... E dovendo acquistare gran parte dei componenti, posso valutare anche la strada degli L200. Ho letto il tuo articolo e penso di aver trovato anche il thread in questione. Do una lettura al datasheet del L200 e poi provo a fare uno schema.
35 messaggi
• Pagina 2 di 4 • 1, 2, 3, 4
Chi c’è in linea
Visitano il forum: Nessuno e 38 ospiti

Elettrotecnica e non solo (admin)
Un gatto tra gli elettroni (IsidoroKZ)
Esperienza e simulazioni (g.schgor)
Moleskine di un idraulico (RenzoDF)
Il Blog di ElectroYou (webmaster)
Idee microcontrollate (TardoFreak)
PICcoli grandi PICMicro (Paolino)
Il blog elettrico di carloc (carloc)
DirtEYblooog (dirtydeeds)
Di tutto... un po' (jordan20)
AK47 (lillo)
Esperienze elettroniche (marco438)
Telecomunicazioni musicali (clavicordo)
Automazione ed Elettronica (gustavo)
Direttive per la sicurezza (ErnestoCappelletti)
EYnfo dall'Alaska (mir)
Apriamo il quadro! (attilio)
H7-25 (asdf)
Passione Elettrica (massimob)
Elettroni a spasso (guidob)
Bloguerra (guerra)



