Dovresti anche misurare la tensione sull'emettitore di Q732 come ti avevo chiesto.
Riparazione switching: FET che salta ad ogni accensione
Moderatori:
carloc,
g.schgor,
BrunoValente,
IsidoroKZ
0
voti
Dovresti anche misurare la tensione sull'emettitore di Q732 come ti avevo chiesto.
-

BrunoValente
39,6k 7 11 13 - G.Master EY

- Messaggi: 7796
- Iscritto il: 8 mag 2007, 14:48
0
voti
Pardon... hai ragione, Bruno, ho invertito le tensioni nel disegno che avevo fatto. Ho rifatto anche le misurazioni e le confermo.
Eccole corrette nel nuovo disegnino allegato.
Inoltre aggiungo di essere riuscito anche a visualizzare le forme d'onda sul CRT ma confermo le mie ipotesi del malfunzionamento della base dei tempi A perché, infatti, la visualizzazione riesco ad ottenerla solo "parziale" con la base dei tempi B.
Eccole corrette nel nuovo disegnino allegato.
Inoltre aggiungo di essere riuscito anche a visualizzare le forme d'onda sul CRT ma confermo le mie ipotesi del malfunzionamento della base dei tempi A perché, infatti, la visualizzazione riesco ad ottenerla solo "parziale" con la base dei tempi B.
0
voti
BrunoValente ha scritto:..Dovresti anche misurare la tensione sull'emettitore di Q732 come ti avevo chiesto.
Mi pare che quelle tensioni variano selezionando A o B, quindi seleziona A e misurale (tutte), poi seleziona B e misurale di nuovo.
-

BrunoValente
39,6k 7 11 13 - G.Master EY

- Messaggi: 7796
- Iscritto il: 8 mag 2007, 14:48
0
voti
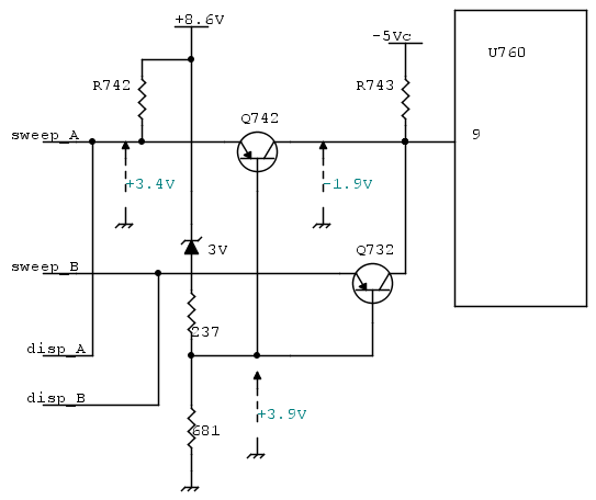
Bruno, confermo le tensioni misurate rispetto al riferimento di massa:
Q742
-E +3.55
-B +3.96
-C -1.98
Q732
-E +4.7
-B +3.96
-C -1.98
Ho giocato un po' con quelle parti di circuito e ho notato alcune cose che riassumo anche nel video qui sotto:
1.la traccia compare solo se piazzo Horizontal mode in B o in Both
2.se premo il Beam Finder, noto che in modo A la base dei tempi A non viene fatta proprio passare dal transistor Q742
3.se, sempre con beam finder premuto, forzo con una tensione dominante l'emettitore di Q742, abilito, in qualche modo, il passaggio della base dei tempi A
4.senza applicare alcun segnale ai canali, noto che A_DISP ha un dente di sega mai presente sul B_DISP (nemmeno quando seleziono in modo B)
5. noto che il Flip-Flop D che pilota i transistori Q742 e Q732 (e che è attivato dal commutatore a frontale Horiz. mode A/Both/B) ha segnali corretti in ingresso (sia di livello che di logica) mentre in uscita i segnali sono tra i 2.5V/3V e con impulsi scarsi in modalità "both" (si vede nel video sotto).
Ho controllato tutti i transistor e le resistenze di mezzo smontandoli prima di provarli (Q683,Q682,Q684,Q687). Purtroppo sembra tutto OK.
Altro bel rompicapo
Sono normali quei livelli all'uscita del Flip-Flop? Intanto ho ordinato -e sono in attesa- di un nuovo U670 (10H131).
Anche riguardo quel dente di sega su A_DISP: perché rientra verso il circuito di pilotaggio tramite CR742?
http://youtu.be/2DYwdxhImIE
Q742
-E +3.55
-B +3.96
-C -1.98
Q732
-E +4.7
-B +3.96
-C -1.98
Ho giocato un po' con quelle parti di circuito e ho notato alcune cose che riassumo anche nel video qui sotto:
1.la traccia compare solo se piazzo Horizontal mode in B o in Both
2.se premo il Beam Finder, noto che in modo A la base dei tempi A non viene fatta proprio passare dal transistor Q742
3.se, sempre con beam finder premuto, forzo con una tensione dominante l'emettitore di Q742, abilito, in qualche modo, il passaggio della base dei tempi A
4.senza applicare alcun segnale ai canali, noto che A_DISP ha un dente di sega mai presente sul B_DISP (nemmeno quando seleziono in modo B)
5. noto che il Flip-Flop D che pilota i transistori Q742 e Q732 (e che è attivato dal commutatore a frontale Horiz. mode A/Both/B) ha segnali corretti in ingresso (sia di livello che di logica) mentre in uscita i segnali sono tra i 2.5V/3V e con impulsi scarsi in modalità "both" (si vede nel video sotto).
Ho controllato tutti i transistor e le resistenze di mezzo smontandoli prima di provarli (Q683,Q682,Q684,Q687). Purtroppo sembra tutto OK.
Altro bel rompicapo
Sono normali quei livelli all'uscita del Flip-Flop? Intanto ho ordinato -e sono in attesa- di un nuovo U670 (10H131).
Anche riguardo quel dente di sega su A_DISP: perché rientra verso il circuito di pilotaggio tramite CR742?
http://youtu.be/2DYwdxhImIE
0
voti
BrunoValente ha scritto:..
Mi pare che quelle tensioni variano selezionando A o B, quindi seleziona A e misurale (tutte), poi seleziona B e misurale di nuovo.
Dovresti anche misurare le tensioni sui collettori di Q682 e Q683 selezionando A e poi di nuovo selezionando B
-

BrunoValente
39,6k 7 11 13 - G.Master EY

- Messaggi: 7796
- Iscritto il: 8 mag 2007, 14:48
0
voti
Eccole:
- Allegati
-
- selector.png (7.57 KiB) Osservato 9037 volte
0
voti
Sì, sembrerebbe che U670 non stia pilotando correttamente i due transistor.
Serge il sospetto di una correlazione tra questo nuovo guasto e il precedente: probabilmente quando hai giocato con il preregolatore l'alimentatore avrà erogato tensioni anomale..speriamo non vi siano altri componenti rotti oltre a U670.
Hai verificato se ora i valori delle tensioni di alimentazione sono tutti entro i limiti?
Serge il sospetto di una correlazione tra questo nuovo guasto e il precedente: probabilmente quando hai giocato con il preregolatore l'alimentatore avrà erogato tensioni anomale..speriamo non vi siano altri componenti rotti oltre a U670.
Hai verificato se ora i valori delle tensioni di alimentazione sono tutti entro i limiti?
-

BrunoValente
39,6k 7 11 13 - G.Master EY

- Messaggi: 7796
- Iscritto il: 8 mag 2007, 14:48
0
voti
Si Bruno, è stato il primo pensiero quello di correlare il secondo guasto con il primo. Tuttavia le tensioni sono ora OK e anche i ripple sono OK. Speriamo di non aver danneggiato qualcos'altro durante le innumerevoli prove sull'inverter. Ad ogni modo sto aspettando che mi arrivi il 10H131P dall'inghilterra, poi vedremo se c'è dell'altro (speriamo di no). Comunque in questa parte di circuito di selezione A/B c'è di sicuro qualcosa che non va e mi rincuora un po' il fatto che in Horizontal mode B sembra funzionare.
1
voti
Eccomi di nuovo.
Ieri sono riuscito a recuperare dal postino il mio circuito integrato 10H131p acquistato in Inghilterra. Montato questo Filp-Flop, la base dei tempi A è tornata a funzionare
ed ora sto testando l'intero oscilloscopio che sembra essere tornato operante in tutto
. Voglio ringraziare Bruno, che mi ha pazientemente supportato in questa travagliata riparazione. Auguri di Natale a te ed Auguri a tutti i lettori. Io il mio regalo l'ho appena ricevuto

Ieri sono riuscito a recuperare dal postino il mio circuito integrato 10H131p acquistato in Inghilterra. Montato questo Filp-Flop, la base dei tempi A è tornata a funzionare
ed ora sto testando l'intero oscilloscopio che sembra essere tornato operante in tutto 
1
voti
Bene sono contento per il tuo regalo che pare sia tornato in vita, anch'io ne ho ricevuto uno: un amico speciale è tornato a farsi sentire qui..
Auguri anche a te per le feste in arrivo
Auguri anche a te per le feste in arrivo

-

BrunoValente
39,6k 7 11 13 - G.Master EY

- Messaggi: 7796
- Iscritto il: 8 mag 2007, 14:48
Chi c’è in linea
Visitano il forum: Nessuno e 41 ospiti

Elettrotecnica e non solo (admin)
Un gatto tra gli elettroni (IsidoroKZ)
Esperienza e simulazioni (g.schgor)
Moleskine di un idraulico (RenzoDF)
Il Blog di ElectroYou (webmaster)
Idee microcontrollate (TardoFreak)
PICcoli grandi PICMicro (Paolino)
Il blog elettrico di carloc (carloc)
DirtEYblooog (dirtydeeds)
Di tutto... un po' (jordan20)
AK47 (lillo)
Esperienze elettroniche (marco438)
Telecomunicazioni musicali (clavicordo)
Automazione ed Elettronica (gustavo)
Direttive per la sicurezza (ErnestoCappelletti)
EYnfo dall'Alaska (mir)
Apriamo il quadro! (attilio)
H7-25 (asdf)
Passione Elettrica (massimob)
Elettroni a spasso (guidob)
Bloguerra (guerra)
