Buongiorno a tutti
Allora vediamo di fare una volta per tutte un riassunto del funzionamento dell'intero circuito dividendo in due blocchi concettuali il tutto.
La mia unica direttiva è che tutto il circuito deve funzionare a 12V c.c per tutto il resto mi affido a voi nelle migliori scelte.
Partiamo con la descrizione dei due blocchi.
Blocco 1 (Timer PRE-PARTITA e Timer PARTITA)
- Il timer pre-partita (impostabile da 0 minuti a 1 ora) deve darmi il tempo di poter piazzare la stazione nella zona del campo che mi interessa.
Allo scadere del tempo impostato nel timer pre partita deve partire un suono che inidica l'inizio della partita.
- Il timer partita (impostabile da 0 minuti a 6/8/10 ore) andrà a scandire la il vero tempo della partita.
Al termine del tempo impostato nel timer partita deve partire un suono che faccia capire la fine della partita e vengano stoppati i contatori del blocco 2.
NOTE: io vedo due possibili soluzioni per questo blocco 1:
---- il timer pre-partita al termine del conteggio oltre a dare il suono fa partire il timer partita (collegamento in serie)
---- il timer pre-partita conta il tempo impostato e manda il suono mentre in parallelo anche il timer partita sta contando lo stesso tempo più il tempo partita al termine del quale manda un suono e stoppa i contatori del blocco due (collegamento in parallelo).
Blocco 2 (Pulsantiera e contatori)
In questo blocco devono essere presenti due pulsanti, due lampeggianti led e due contatori ( rappresentanti le due fazioni diciamo fazione (A) e fazione (B)).
La fazione (A) preme il pulsante (A) facendo partire il contatore (A) e il lampeggiante (A) stoppando l'enventuale già attivo contatore (B).
La fazione (B) preme il pulsante (B) facendo partire il contatore (B) e il lampeggiante (B) stoppando l'enventuale già attivo contatore (A).
NOTE:
---- all'accensione del circuito ogni contatore deve essere fermo
---- l'azzeramento dei contatori avviene solo quando viene spento il circuito
---- il conteggio viene effettuato ad ogni secondo (quindi la frequenza dell'oscillazione può essere a 1Hz) questo comporterà solo conteggio di numeri grossi ma va benissimo.
---- la precisione richesta non è altissima nel senso il circuito serve per un gioco ma è bene che non ci siano errorri grossolani.
---- è necessario che la pressione consecutiva di un pulsante non cambi lo stato del conteggio (nel senso se arrivo e premo 2 o 3 volte il pulsante (A) questo tipo di comando non vada ad incasinare il conteggio di nessuna fazione)
---- entrambi i contatori si devono fermare al termine del timer partita del blocco 1 per permettere la lettura dei numeri e identificare la fazione vincitrice.
Spero che ora sia tutto chiaro.
Questo è tutto il circuito spiegato nella sua interezza.
Ringrazio anticipatamente.
Contatore clock e pulsanti
Moderatori:
carloc,
g.schgor,
BrunoValente,
IsidoroKZ
44 messaggi
• Pagina 4 di 5 • 1, 2, 3, 4, 5
0
voti
0
voti
No via... non ci siamo
devi ridimensionare/semplificare tutto notevolmente per divertirti a farlo via harware
oppure ti impari a programmare un microcontrollore e te lo fai in quel modo (toh, magari studiati Arduino, è piu' che sufficiente ai tuoi scopi)
spera pure, ma dubito che qualcuno qui ti perda tempo a darti tutto il progetto pronto, funzionante e debbuggato, e che magari costi poco. Vedrai che non è cosi' banale.
devi ridimensionare/semplificare tutto notevolmente per divertirti a farlo via harware
oppure ti impari a programmare un microcontrollore e te lo fai in quel modo (toh, magari studiati Arduino, è piu' che sufficiente ai tuoi scopi)
spera pure, ma dubito che qualcuno qui ti perda tempo a darti tutto il progetto pronto, funzionante e debbuggato, e che magari costi poco. Vedrai che non è cosi' banale.
1
voti
Per il blocco 1 consiglierei 2 timers come questo (su Google ne trovi a prezzi stracciati).
Per il blocco 2 consiglierei un oscillatore 555 a 1s, 2 FlipFlop (1 4027)+ gates
di controllo.
Ma il problema principale resta la capacità di assemblare il tutto
(e ovviamente la necessaria attrezzatura). Ti senti in grado di
realizzare circuiti del genere? (per lo schema non c'è problema)
Per il blocco 2 consiglierei un oscillatore 555 a 1s, 2 FlipFlop (1 4027)+ gates
di controllo.
Ma il problema principale resta la capacità di assemblare il tutto
(e ovviamente la necessaria attrezzatura). Ti senti in grado di
realizzare circuiti del genere? (per lo schema non c'è problema)
0
voti
Per quanto riguarda la lettura e lo sbroglio dello schema nn ho nessun problema come anche l'assemblaggio. Anche per attrezzature ecc non ho problemi.
a me servirebbe solo uno schema con lista componenti. A tutto il resto penso io!
Per i timer ne ho visti pure io di diversi già fatti e infatti anche io ero convinto fosse la migliore cosa da impiegare.
Come avete visto dai primi post ero già partito a fare uno schema con componenti ma ovviamente mi manca qualcosa e per questo mi son rivolto a voi.
a me servirebbe solo uno schema con lista componenti. A tutto il resto penso io!
Per i timer ne ho visti pure io di diversi già fatti e infatti anche io ero convinto fosse la migliore cosa da impiegare.
Come avete visto dai primi post ero già partito a fare uno schema con componenti ma ovviamente mi manca qualcosa e per questo mi son rivolto a voi.
0
voti
Bene, direi che allora possiamo incominciare.
Per favorire la comprensione del circuito (ed evitare
sorprese finali) propongo di procedere per gradi
iniziando dall'oscillatore ad 1 Hz su breadboard.
Per ottenere 1Hz con una discreta precisione,
poniamo C=47uF,R 1=1K ed R2 composto
dalla serie 12K+2.2K+trimmer da 1K.
Inviando gli impulsi ad uno dei contatori
per un tempo noto e abbastanza lungo
è così possibile verificare (ed aggiustare)
la frequenza prodotta.
Sei d'accordo?
Per favorire la comprensione del circuito (ed evitare
sorprese finali) propongo di procedere per gradi
iniziando dall'oscillatore ad 1 Hz su breadboard.
Per ottenere 1Hz con una discreta precisione,
poniamo C=47uF,R 1=1K ed R2 composto
dalla serie 12K+2.2K+trimmer da 1K.
Inviando gli impulsi ad uno dei contatori
per un tempo noto e abbastanza lungo
è così possibile verificare (ed aggiustare)
la frequenza prodotta.
Sei d'accordo?
0
voti
g.schgor ha scritto:.... propongo di procedere per gradi
iniziando dall'oscillatore ad 1 Hz su breadboard.
Per attrezzature non pensavo parlassi di breadboard e oscilloscopio (perché presumo che la verifica dell'oscillatore sarebbe stata fatta con un oscilloscopio).
Per attrezzature e componenti pensavo parlassi di saldatore stagno e reali componenti (cose peraltro facilmente reperibili).
g.schgor ha scritto:Per ottenere 1Hz con una discreta precisione,
poniamo C=47uF,R 1=1K ed R2 composto
dalla serie 12K+2.2K+trimmer da 1K.
Inviando gli impulsi ad uno dei contatori
per un tempo noto e abbastanza lungo
è così possibile verificare (ed aggiustare)
la frequenza prodotta.
Sei d'accordo?
So che esistono delle formule matematiche per "impostare" la frequenza di oscillazione dipendenti appunto dai componenti che hai messo attorno al 555...quindi il fatto di inserire il trimmer secondo me (ma mi affido alla tua esperienza) non ha senso dal momento che è necessario impostare una oscillazione e fargli fare sempre quella (non ho interesse a modulare/dilatare i tempi di oscillazione e quindi di conteggio (ovviamente correggimi se sto ragionando male e se sto sbagliando qualcosa).
Grazie
1
voti

"Non farei mai parte di un club che accettasse la mia iscrizione" (G. Marx)
-

claudiocedrone
21,3k 4 7 9 - Master EY

- Messaggi: 15302
- Iscritto il: 18 gen 2012, 13:36
1
voti
Non ho mai parlato di oscilloscopio.
La messe a punto dell'oscillatore è necessaria per compensare
le inevitabili tolleranze dei componenti utilizzati e la verifica
della precisione è fatta (come già detto) contando gli impulsi
per un tempo lungo ed esatto (ad es. 1 ora di orologio).
Circa la breadboard, l'ho citata per la sua praticità, ma in mancanza
può essere usata una scheda millefori con zoccoli per gli integrati.
Questo per non partire già con il circuito stampato,
che è l'ultima cosa da fare, dopo aver verificato
il funzionamento dello schema.
Vedo ora che sono stato preceduto.OK
La messe a punto dell'oscillatore è necessaria per compensare
le inevitabili tolleranze dei componenti utilizzati e la verifica
della precisione è fatta (come già detto) contando gli impulsi
per un tempo lungo ed esatto (ad es. 1 ora di orologio).
Circa la breadboard, l'ho citata per la sua praticità, ma in mancanza
può essere usata una scheda millefori con zoccoli per gli integrati.
Questo per non partire già con il circuito stampato,
che è l'ultima cosa da fare, dopo aver verificato
il funzionamento dello schema.
Vedo ora che sono stato preceduto.OK
0
voti
Ok ok...vedo di procurarmi una breadboard che tanto non va a male :)! Per la tolleranza dei componenti me ne ero totalmente scordato quindi ok per trimmer!
Per effettuare la misura proposta dovrei collegare l'oscillatore già direttamente al contatore per poi comparare il numero contato (in teoria 3600secondi) con un orologio normale (ditemi se ho capito bene)!
Grazie
Per effettuare la misura proposta dovrei collegare l'oscillatore già direttamente al contatore per poi comparare il numero contato (in teoria 3600secondi) con un orologio normale (ditemi se ho capito bene)!
Grazie
2
voti
Si, è così.
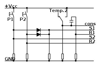
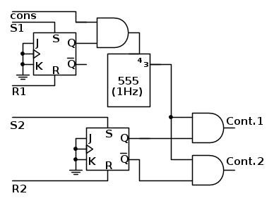
Lo schema prevede 3 integrati:
555, 4027(dual JK-FF, che però vengono usati come SR-FF)
e 4081 (quad 2-input AND), ed è questo:
Il circuito è comandato da 5 ingressi che,
in linea doi principio sono questi:
(penso infatti che se i pulsanti sono distanti dal circuito
sia opportuno ripeterli con relè, per evitare disturbi e
consentire anche interblocchi incrociati).
Credo che gli schemi siano semplici da interpretare,
ma ovviamente sono disponibile per eventuali spiegazioni.
Lo schema prevede 3 integrati:
555, 4027(dual JK-FF, che però vengono usati come SR-FF)
e 4081 (quad 2-input AND), ed è questo:
Il circuito è comandato da 5 ingressi che,
in linea doi principio sono questi:
(penso infatti che se i pulsanti sono distanti dal circuito
sia opportuno ripeterli con relè, per evitare disturbi e
consentire anche interblocchi incrociati).
Credo che gli schemi siano semplici da interpretare,
ma ovviamente sono disponibile per eventuali spiegazioni.
44 messaggi
• Pagina 4 di 5 • 1, 2, 3, 4, 5
Chi c’è in linea
Visitano il forum: Nessuno e 122 ospiti

Elettrotecnica e non solo (admin)
Un gatto tra gli elettroni (IsidoroKZ)
Esperienza e simulazioni (g.schgor)
Moleskine di un idraulico (RenzoDF)
Il Blog di ElectroYou (webmaster)
Idee microcontrollate (TardoFreak)
PICcoli grandi PICMicro (Paolino)
Il blog elettrico di carloc (carloc)
DirtEYblooog (dirtydeeds)
Di tutto... un po' (jordan20)
AK47 (lillo)
Esperienze elettroniche (marco438)
Telecomunicazioni musicali (clavicordo)
Automazione ed Elettronica (gustavo)
Direttive per la sicurezza (ErnestoCappelletti)
EYnfo dall'Alaska (mir)
Apriamo il quadro! (attilio)
H7-25 (asdf)
Passione Elettrica (massimob)
Elettroni a spasso (guidob)
Bloguerra (guerra)






