Salve a tutti,
avrei bisogno di un aiuto con un esercizio nel calcolo delle correnti.
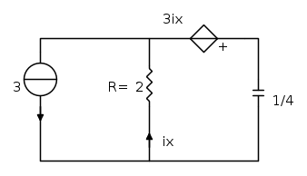
-Io avevo pensato di fare un Millman, ma non so come comportarmi nella parte destra dove ho il pilotato e il condesatore.
-Altra opzione era di fare un KCL e un KVL ma penso che questa sarebbe un disastro perché conosco solo una tensione.
-Altra opzione ancora era il partitore di corrente, ma volendomi trovare la corrente sul condensatore, come dovrei impostarlo? Nel senso, dato che a destra non alcun resistore la formula come diventa?
Qualcuno può aiutarmi?
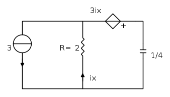
Calcolare la corrente che attraversa il condensatore
Moderatori:
g.schgor,
IsidoroKZ
33 messaggi
• Pagina 1 di 4 • 1, 2, 3, 4
0
voti
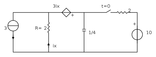
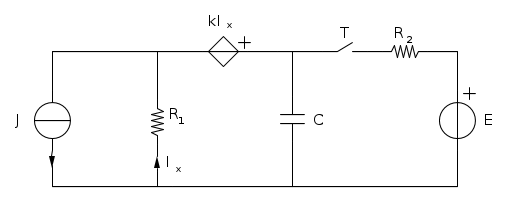
Si devo studiare il transitorio, ed in verità il circuito è questo:
consideraqndo che l'interruttore si chiude a t=0, trascuro la parte a destra e il circuito si riduce a quello di prima e adesso sono alla ricerca delle condizioni iniziali del post di prima.
scusate se prima sono stato poco chiaro
consideraqndo che l'interruttore si chiude a t=0, trascuro la parte a destra e il circuito si riduce a quello di prima e adesso sono alla ricerca delle condizioni iniziali del post di prima.
scusate se prima sono stato poco chiaro
0
voti
Allora non devi occuparti del transitorio per t<0,
supponendolo esaurito per t=0.
Devi quindi trovare la tensione ai capi del condensatore
alla chiusura dell'interruttore, il che è banale...
supponendolo esaurito per t=0.
Devi quindi trovare la tensione ai capi del condensatore
alla chiusura dell'interruttore, il che è banale...
1
voti
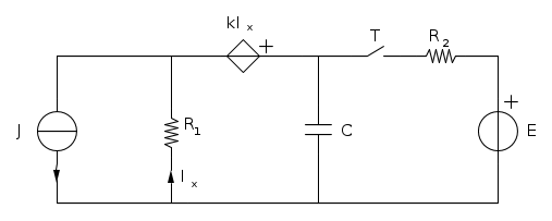
Ho ridisegnato il circuito con i nomi dei componenti se no diventa difficile capirci.
,
,
,
,
,
.
si chiude per 
Le unità di misura le ho immaginate, correggimi se ho fatto qualche errore.
Ora, come giustamente detto da
g.schgor, la rete per
è a regime per cui hai che il condensatore è carico a una certa tensione
per ciò su di esso non scorre corrente.
A te interessa calcolare la
che sarà la tensione iniziale del transitorio che inizia chiudeno T.
La situazione per
è questa:
Abbiamo detto che il condensatore è carico quindi ai suoi capi ci sarà una tensione
che dipende dal resto della rete, sul suo ramo non scorre corrente per cui lo possiamo disegnare come un lato aperto:
Ora sapresti continuare?
,
,
,
,
,
.
si chiude per 
Le unità di misura le ho immaginate, correggimi se ho fatto qualche errore.
Ora, come giustamente detto da
è a regime per cui hai che il condensatore è carico a una certa tensione
per ciò su di esso non scorre corrente.A te interessa calcolare la
che sarà la tensione iniziale del transitorio che inizia chiudeno T.La situazione per
è questa:Abbiamo detto che il condensatore è carico quindi ai suoi capi ci sarà una tensione
che dipende dal resto della rete, sul suo ramo non scorre corrente per cui lo possiamo disegnare come un lato aperto:Ora sapresti continuare?
Atlant.
Behind every great man is a woman rolling her eyes.
Behind every great man is a woman rolling her eyes.
0
voti
Ah forse ho capito, quindi siccome a t=0- il condensatore è a regime, la sua corrente è zero perché è in funzione della derivata della tensione Vc che (a regime) è costante, quindi mi devo trovare la Vc qui dove si sostituisce il condensatore con un circuito aperto per ciò che si è detto prima:
dopo di che la corrente ix che entra nella resistenza R1 è quella data dal generatore di corrente di 3A (trovando anche il pilota) e posso fare una KVL nella maglia di sx dico bene?
dopo di che la corrente ix che entra nella resistenza R1 è quella data dal generatore di corrente di 3A (trovando anche il pilota) e posso fare una KVL nella maglia di sx dico bene?
1
voti
Dici bene, ma considera la maglia di destra, perché è li che hai la
ed è quella che ti serve.
ed è quella che ti serve.Atlant.
Behind every great man is a woman rolling her eyes.
Behind every great man is a woman rolling her eyes.
0
voti
Si scusa, avevo sbagliato a scrivere, comunque facendo i calcoli mi risulta Vc =0, quindi in teoria potrei sostituire il condensatore con un generatore di tensione nullo (ossia un corto), e dopo di che per continuità studiarmi il transitorio per t=0+ e vedere cosa fa giusto?
L'ultima cosa, per la soluzione di regime per tempi t>0 come mi comporto ? sapresti darmi qualche informazione?
Grazie in anticipo
L'ultima cosa, per la soluzione di regime per tempi t>0 come mi comporto ? sapresti darmi qualche informazione?
Grazie in anticipo
33 messaggi
• Pagina 1 di 4 • 1, 2, 3, 4
Torna a Elettrotecnica generale
Chi c’è in linea
Visitano il forum: Nessuno e 22 ospiti

Elettrotecnica e non solo (admin)
Un gatto tra gli elettroni (IsidoroKZ)
Esperienza e simulazioni (g.schgor)
Moleskine di un idraulico (RenzoDF)
Il Blog di ElectroYou (webmaster)
Idee microcontrollate (TardoFreak)
PICcoli grandi PICMicro (Paolino)
Il blog elettrico di carloc (carloc)
DirtEYblooog (dirtydeeds)
Di tutto... un po' (jordan20)
AK47 (lillo)
Esperienze elettroniche (marco438)
Telecomunicazioni musicali (clavicordo)
Automazione ed Elettronica (gustavo)
Direttive per la sicurezza (ErnestoCappelletti)
EYnfo dall'Alaska (mir)
Apriamo il quadro! (attilio)
H7-25 (asdf)
Passione Elettrica (massimob)
Elettroni a spasso (guidob)
Bloguerra (guerra)







