Ciao,
come si evince dalla domanda l'elettronica è un hobby, ma con questo non è detto che non abbia la curiosità di sapere.
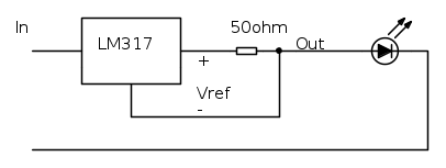
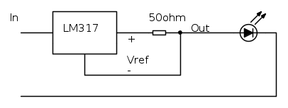
Leggevo di un regolatore in corrente costante con un LM317,
di seguito quello che ho sono riuscito a capire:
La corrente in uscita è data dalla formula, Io=Vref/R = 1,25/50= 0.025A (25mA)
La potenza dissipata dalla resistenza è, P=(Vref*Vref)/R = (1.25*1.25)/50= 0.031W
LM317 dovrà dissipare 3V * Io = 3*0.025=0,075W.
Penso di aver capito che il regolatore variarà la tensione in uscita in modo tale da avere la corrente costante, ma il mio dubbio è :
Con che tensione avrò i miei 25mA, Vo=Vi-3V cioè la tensione in entrata meno i 3V che servono al LM317 per funzionare?
Ringrazio tutti per il tempo didicatomi.
regolatore in corrente costante,e la tensione?
Moderatori:
carloc,
g.schgor,
BrunoValente,
IsidoroKZ
8 messaggi
• Pagina 1 di 1
0
voti
Un generatore di corrente non deve essere lasciato "aperto"
(cioè senza carico) e la tensione in uscita è ovviamente
la corrente impostata, moltiplicata per la resistenza di carico.
In un regolatore reale questo è vero finché la tensione
non arriva al suo massimo (determinato appunto dall'alimentazione
del regolatore stesso).
(cioè senza carico) e la tensione in uscita è ovviamente
la corrente impostata, moltiplicata per la resistenza di carico.
In un regolatore reale questo è vero finché la tensione
non arriva al suo massimo (determinato appunto dall'alimentazione
del regolatore stesso).
0
voti
Intanto grazie per la risposta, molto celere oserei dire.
Quindi volendo accendere un led Blu che va alimetato a 3V con 25mA dovrei avere:
Vi = 6V
Vo = Vi-3V = 6V-3V= 3V
R = 50ohm
Tutto questo è SOLO per capire come funziona e non per realizzare chissa cosa.
Grazie mille
Quindi volendo accendere un led Blu che va alimetato a 3V con 25mA dovrei avere:
Vi = 6V
Vo = Vi-3V = 6V-3V= 3V
R = 50ohm
Tutto questo è SOLO per capire come funziona e non per realizzare chissa cosa.
Grazie mille
1
voti
solideo ha scritto:La corrente in uscita è data dalla formula, Io=Vref/R = 1,25/50= 0.025A (25mA)
La potenza dissipata dalla resistenza è, P=(Vref*Vref)/R = (1.25*1.25)/50= 0.031W
Esatto
solideo ha scritto:LM317 dovrà dissipare 3V * Io = 3*0.025=0,075W.
Questo in realtà dipende da che carico metti in seguito, ovvero l'LM317 potrebbe non necessariamente dover lavorare con una ddp ai suoi capi di 3V.
Se ad esempio metti il tuo diodo, su questo sara' forzato un passaggio di corrente di circa 25mA, e questo dovrebbe garantirne il funzionamento (oddio, se da datasheet il LED dice che vuole 25mA, potresti anche stare piu' cauto sui 20mA).
La ddp ai capi del LED da datasheet dovrebbero essere circa 3V... ma circa.
La resistenza da 50ohm avra' ai suoi capi 1.25V (esattamente).
LM317 per lavorare si dovrebbe "mangiare" diciamo circa 2V.
Conclusione, con 6V non credo che hai proprio tutte le carte in gioco per far lavorare bene il tuo circuito... ci vai abbastanza preciso, se non scarso. Se invece lo alimenti a 9V il tutto potrebbe essere piu' stabile... vabbè: chiaramente l'LM317 sarà sottoposto ai suoi capi ad una ddp maggiore (autoregolandosi), quindi dovrebbe dissipare piu' energia che nel primo caso.
0
voti
Quindi diciamo che con i dati da me usati arriverei a dissipare su LM317, se alimento a 9V
P=(Vi-Vo)*Io= (9-3)*0.025=0.15W
0
voti
solideo ha scritto:P=(Vi-Vo)*Io= (9-3)*0.025=0.15W
ma perche' togli 3V?
Se alimenti a 9V, e se hai una caduta sul LED di 3V, piu' altri 1.25 sulla resistenza, allora sul regolatore rimangono circa 4.75V
0
voti
Russell ha scritto:ma perche' togli 3V?
Credo stia facendo un po' di confusione con il drop-out del regolatore che, come tu hai gia' detto, e' dipendente dal carico e non sempre di 3V.
marco
8 messaggi
• Pagina 1 di 1
Chi c’è in linea
Visitano il forum: Nessuno e 124 ospiti

Elettrotecnica e non solo (admin)
Un gatto tra gli elettroni (IsidoroKZ)
Esperienza e simulazioni (g.schgor)
Moleskine di un idraulico (RenzoDF)
Il Blog di ElectroYou (webmaster)
Idee microcontrollate (TardoFreak)
PICcoli grandi PICMicro (Paolino)
Il blog elettrico di carloc (carloc)
DirtEYblooog (dirtydeeds)
Di tutto... un po' (jordan20)
AK47 (lillo)
Esperienze elettroniche (marco438)
Telecomunicazioni musicali (clavicordo)
Automazione ed Elettronica (gustavo)
Direttive per la sicurezza (ErnestoCappelletti)
EYnfo dall'Alaska (mir)
Apriamo il quadro! (attilio)
H7-25 (asdf)
Passione Elettrica (massimob)
Elettroni a spasso (guidob)
Bloguerra (guerra)







