Buonasera ho un problema riguardante la carica di un condensatore.
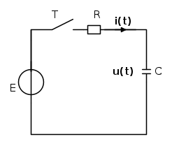
Al tempo t0, T viene chiuso e si vuole determinare u(t) ed i(t) per t>to.
Per prima cosa si deve stabilire se u(t) è continua in to, cioè se u(t0-)=u(t0+).
Poi c'è scritto che se u(t0) fosse discontinua, questo implicherebbe la comparsa di un impulso di corrente. La carica dovrebbe passare istantaneamente producendo una corrente infinita. Questo non è però possibile in quanto nel resistore si dissiperebbe per effetto joule una potenza infinita.
Cosa significano queste ultime due frasi ??
carica di un condensatore
Moderatori:
g.schgor,
IsidoroKZ
7 messaggi
• Pagina 1 di 1
2
voti
Ti ho corretto lo schema e rispondo alla domanda.
Il ragionamento è "per assurdo", cioè se non ci fosse
"continuità" di u(t) si dovrebbe supporre una corrente infinita.
Teoricamente infatti, se non ci fosse R, C si dovrebbe
caricare "istantaneamente" al valore di alimentazione
(il che richiederebbe appunto una corrente infinita).
Nella realtà la corrente di carica è limitata dalla resistenza
quindi C si carica progressivamente fino a raggiungere
la tensione di alimentazione E in un tempo determinato
dal prodotto di
.
Il ragionamento è "per assurdo", cioè se non ci fosse
"continuità" di u(t) si dovrebbe supporre una corrente infinita.
Teoricamente infatti, se non ci fosse R, C si dovrebbe
caricare "istantaneamente" al valore di alimentazione
(il che richiederebbe appunto una corrente infinita).
Nella realtà la corrente di carica è limitata dalla resistenza
quindi C si carica progressivamente fino a raggiungere
la tensione di alimentazione E in un tempo determinato
dal prodotto di
.0
voti
salve, grazie mille per la risposta. Le cose che mi hai detto riguardo alla carica progressiva del condenstaore le ho capite.. Il mio dubbio principale rimane però. Non capisco bene la questione della continuità e perché la corrente è infinita??????. Aiutooooo .
4
voti
Un condensatore alimentato a corrente costante si caricherebbe
indefinitamente (in teoria) con un andamento lineare nel tempo.
Più grande è la corrente e più ripida è la pendenza di carica.
Per una "discontinuità" (gradino) sarebbe quindi necessaria
una corrente infinita. Ti è chiaro ora?
indefinitamente (in teoria) con un andamento lineare nel tempo.
Più grande è la corrente e più ripida è la pendenza di carica.
Per una "discontinuità" (gradino) sarebbe quindi necessaria
una corrente infinita. Ti è chiaro ora?
0
voti
Aggiungo la mia opinione a quanto già detto da g.schgor.
Al tempo
il condensatore è scarico, la tensione
ai suoi capi è nulla (per ipotesi del problema!).
Al tempo
l'interruttore è chiuso. Se la tensione
ai capi del condensatore fosse uguale alla tensione
avremo un andamento della tensione
così fatto:
In cui è presente quindi una discontinuità di prima specie infatti:

Ora sappiamo che la carica
(in valore assoluto) presente sulle armature del condensatore è legata alla tensione o ddp tra le armature stesse, infatti
dove
è la capacità del condensatore (che consideriamo costante). Quindi vediamo bene come
abbia un andamento uguale alla
.
Ora la carica presente sulle armature, non è stata generata per miracolo, ma si è spostata da un armatura ad un'altra (il condensatore, ed in particolare tutto il sistema continua a rimanere elettricamente neutro), quindi una carica
si è "mossa", spostata(grazie al generatore), attraversando necessariamente i conduttori di collegamento.
La corrente elettrica può essere definita come
o più rigorosamente come sai
. Ma nel punto
tale limite non esiste(!!). Volendo però prescindere dal rigore matematico, potremmo dire la carica Q si porta da un armatura ad un'altra in un tempo NULLO, cioè zero...non si può dividere per zero, ma se consideri questo tempo piccolo, ma proprio piccolo, ma proprio piccolo piccolo, bè allora la corrente i(t) la stai esprimendo come il rapporto di qualcosa di finito, e di qualcosa di infinitamente piccolo. Conclusione: i(t) è grandissima, tende ad infinito...impossibile
tenderebbe ad infinito.
Cosa possibile solo nel caso ideale, nella nostra fantasia.
Ciao!
Al tempo
il condensatore è scarico, la tensione
ai suoi capi è nulla (per ipotesi del problema!).Al tempo
l'interruttore è chiuso. Se la tensione
ai capi del condensatore fosse uguale alla tensione
avremo un andamento della tensione
così fatto:In cui è presente quindi una discontinuità di prima specie infatti:

Ora sappiamo che la carica
(in valore assoluto) presente sulle armature del condensatore è legata alla tensione o ddp tra le armature stesse, infatti
dove
è la capacità del condensatore (che consideriamo costante). Quindi vediamo bene come
abbia un andamento uguale alla
.Ora la carica presente sulle armature, non è stata generata per miracolo, ma si è spostata da un armatura ad un'altra (il condensatore, ed in particolare tutto il sistema continua a rimanere elettricamente neutro), quindi una carica
si è "mossa", spostata(grazie al generatore), attraversando necessariamente i conduttori di collegamento. La corrente elettrica può essere definita come
o più rigorosamente come sai
. Ma nel punto
tale limite non esiste(!!). Volendo però prescindere dal rigore matematico, potremmo dire la carica Q si porta da un armatura ad un'altra in un tempo NULLO, cioè zero...non si può dividere per zero, ma se consideri questo tempo piccolo, ma proprio piccolo, ma proprio piccolo piccolo, bè allora la corrente i(t) la stai esprimendo come il rapporto di qualcosa di finito, e di qualcosa di infinitamente piccolo. Conclusione: i(t) è grandissima, tende ad infinito...impossibile
tenderebbe ad infinito.Cosa possibile solo nel caso ideale, nella nostra fantasia.
Ciao!
0
voti
Grazie mille a tutti e due !!!! Non ho capito l'ultima cosa: su che base o su che idea sostieni che la carica si trasferisce da un'armatura all'altra in un tempo nullo??
0
voti
man45780 ha scritto:Non ho capito l'ultima cosa: su che base o su che idea sostieni che la carica si trasferisce da un'armatura all'altra in un tempo nullo??
Vedi l'andamento di
?Ora
come ti ho già scritto, ha un andamento praticamente identico a
a meno della costante moltiplicativa
. Infatti
, quindi il grafico è praticamente identico ossia
Quindi mi sembra ovvio (ma già prima lo era) che al tempo
la carica sia pari a
al tempo
la carica sia
.Aggiungo anche che come ti ho detto per una funzione
così fatta, non è possibile definire
ossia non è possibile definire la funzione
nel punto
. Quindi anche considerando un modello ideale la
non esiste(!) nel punto
. Però volendo fare un ragionamento meno matematico e più "fisico", potremmo concludere che quella carica
in un modo o in un altro deve essersi separata sulle due armature. Questo è stato fatto in un tempo che è fisicamente nullo, a te la conclusione.
7 messaggi
• Pagina 1 di 1
Torna a Elettrotecnica generale
Chi c’è in linea
Visitano il forum: Nessuno e 26 ospiti

Elettrotecnica e non solo (admin)
Un gatto tra gli elettroni (IsidoroKZ)
Esperienza e simulazioni (g.schgor)
Moleskine di un idraulico (RenzoDF)
Il Blog di ElectroYou (webmaster)
Idee microcontrollate (TardoFreak)
PICcoli grandi PICMicro (Paolino)
Il blog elettrico di carloc (carloc)
DirtEYblooog (dirtydeeds)
Di tutto... un po' (jordan20)
AK47 (lillo)
Esperienze elettroniche (marco438)
Telecomunicazioni musicali (clavicordo)
Automazione ed Elettronica (gustavo)
Direttive per la sicurezza (ErnestoCappelletti)
EYnfo dall'Alaska (mir)
Apriamo il quadro! (attilio)
H7-25 (asdf)
Passione Elettrica (massimob)
Elettroni a spasso (guidob)
Bloguerra (guerra)




