Driver led
Moderatore:
IsidoroKZ
0
voti
[62] Re: Driver LED
tobotto ha scritto:..Poi mi sono accorto che la tensione delle batterie invece di essere 33,3v come da targa era 36, mentre il LED è a 30-34v.
Per essere precisi la tensione massima a piena carica di 9 celle al litio in serie è di 37,8 volt a vuoto
Ultima modifica di
sandroz84 il 20 dic 2014, 20:16, modificato 3 volte in totale.
0
voti
[63] Re: Driver LED
richiurci ha scritto:Caratterizzazione LED dei poveri
http://millefori.altervista.org
Tool gratuito per chi sviluppa su millefori.
Tutti sanno che una cosa è impossibile da realizzare, finché arriva uno sprovveduto che non lo sa e la inventa. (A. Einstein)
Se non c'e` un 555 non e` un buon progetto (IsidoroKZ)
Strumento per formule
Tool gratuito per chi sviluppa su millefori.
Tutti sanno che una cosa è impossibile da realizzare, finché arriva uno sprovveduto che non lo sa e la inventa. (A. Einstein)
Se non c'e` un 555 non e` un buon progetto (IsidoroKZ)
Strumento per formule
-

posta10100
5.550 4 10 13 - Master EY

- Messaggi: 4832
- Iscritto il: 5 nov 2006, 0:09
0
voti
[64] Re: Driver LED
Giusto per dare tutte le info queste sono le batterie
http://www.anticaportadeltitano.com/pac ... -2379.html
http://www.anticaportadeltitano.com/pac ... -2379.html
0
voti
[65] Re: Driver LED
Gli 11,1 volt vanno intensi come nominali, ognuna di quelle batterie è composta da 3 celle lipo in serie (3,7 volt x3), quindi è come se ne stessi connettendo 9 singole in serie.
Una cella lipo come range va dai 4,2 volt al 100% di carica, ai 2,7 volt quando raggiunge lo 0% di carica, anche se sarebbe meglio stare ben più alti se si vuole preservare la vita della stessa.
Una cella lipo come range va dai 4,2 volt al 100% di carica, ai 2,7 volt quando raggiunge lo 0% di carica, anche se sarebbe meglio stare ben più alti se si vuole preservare la vita della stessa.
0
voti
[66] Re: Driver LED
era ora tobotto!
Però hai visto cosa consiglia riguardo la ricarica? Il problema non è solo pilotare il LED, ma anche gestire le batterie (per giunta 3 in serie...)
@Marco: le resistenze le intendevo solo per caratterizzare il LED, mi sembra che tobotto sia alquanto a digiuno... era per far capire meglio a lui e noi cosa sta maneggiando...
Però hai visto cosa consiglia riguardo la ricarica? Il problema non è solo pilotare il LED, ma anche gestire le batterie (per giunta 3 in serie...)
@Marco: le resistenze le intendevo solo per caratterizzare il LED, mi sembra che tobotto sia alquanto a digiuno... era per far capire meglio a lui e noi cosa sta maneggiando...
0
voti
[67] Re: Driver LED
Ah, il discorso delle 5 resistenze l'hai fatto per far capire meglio a me?
Adesso mi studio l'argomento così poi vediamo se ho capito!
Si, consiglia di ricaricare con il suo caricatore apposito, che ho acquistato assieme alle batterie.
Adesso mi studio l'argomento così poi vediamo se ho capito!
Si, consiglia di ricaricare con il suo caricatore apposito, che ho acquistato assieme alle batterie.
0
voti
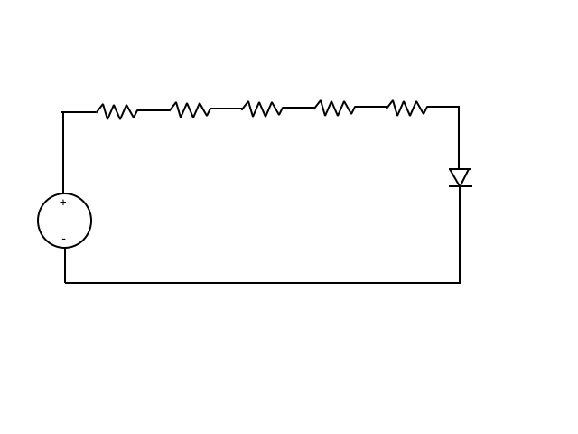
[68] Re: Driver LED
Allora vediamo se ho capito.
Devo collegare le 5 resistenze in serie tra loro e al led (come schema allegato) e misurare la tensione ai capi di ogni singola resistenza e del led. Ripetere l'operazione eliminando una resistenza alla volta. non ho capito con quale stratagemma riesco a capire quando la corrente sarà 1A.
L'ideale sarebbe misurare la corrente con un tester (amperometro)?
Devo collegare le 5 resistenze in serie tra loro e al led (come schema allegato) e misurare la tensione ai capi di ogni singola resistenza e del led. Ripetere l'operazione eliminando una resistenza alla volta. non ho capito con quale stratagemma riesco a capire quando la corrente sarà 1A.
L'ideale sarebbe misurare la corrente con un tester (amperometro)?
0
voti
[69] Re: Driver LED
si ma visto che non lo hai.. o meglio non arriva a misurare 1A...
Ne metti 5 e misuri la corrente= tensione ai capi di una R (le altre saranno uguali) e misuri anche la tensione ai capi del LED e della batteria.
Poi ne togli una, e I aumenterà... e così via, ogni R tolta farà aumentare I. Non è detto tu debba toglierne una, se hai le R fermati prima che I superi 1A e eviti di stressare il LED.
Ho detto 5 perché dovrebbero bastare a partire da valori sicuramente inferiori a 1A.
Non è solo per capire, è anche un modo rozzo per ottenere un'alimentazione variabile partendo dalle tue batterie.
Fai questa operazione, poi carica le batterie al massimo e ripetila.
Da questi dati di partenza dovremmo riuscire a individuare la soluzione più adatta e semplice
Ne metti 5 e misuri la corrente= tensione ai capi di una R (le altre saranno uguali) e misuri anche la tensione ai capi del LED e della batteria.
Poi ne togli una, e I aumenterà... e così via, ogni R tolta farà aumentare I. Non è detto tu debba toglierne una, se hai le R fermati prima che I superi 1A e eviti di stressare il LED.
Ho detto 5 perché dovrebbero bastare a partire da valori sicuramente inferiori a 1A.
Non è solo per capire, è anche un modo rozzo per ottenere un'alimentazione variabile partendo dalle tue batterie.
Fai questa operazione, poi carica le batterie al massimo e ripetila.
Da questi dati di partenza dovremmo riuscire a individuare la soluzione più adatta e semplice
0
voti
[70] Re: Driver LED
Perfetto!!!!! Adesso devo solo capire dove prendere queste resistenze! Lunedì se le trovo faccio questa prova!!!
Torna a Elettronica e spettacolo
Chi c’è in linea
Visitano il forum: Nessuno e 6 ospiti

Elettrotecnica e non solo (admin)
Un gatto tra gli elettroni (IsidoroKZ)
Esperienza e simulazioni (g.schgor)
Moleskine di un idraulico (RenzoDF)
Il Blog di ElectroYou (webmaster)
Idee microcontrollate (TardoFreak)
PICcoli grandi PICMicro (Paolino)
Il blog elettrico di carloc (carloc)
DirtEYblooog (dirtydeeds)
Di tutto... un po' (jordan20)
AK47 (lillo)
Esperienze elettroniche (marco438)
Telecomunicazioni musicali (clavicordo)
Automazione ed Elettronica (gustavo)
Direttive per la sicurezza (ErnestoCappelletti)
EYnfo dall'Alaska (mir)
Apriamo il quadro! (attilio)
H7-25 (asdf)
Passione Elettrica (massimob)
Elettroni a spasso (guidob)
Bloguerra (guerra)




