Protezione alimentatore duale
Moderatori:
carloc,
g.schgor,
BrunoValente,
IsidoroKZ
7 messaggi
• Pagina 1 di 1
0
voti
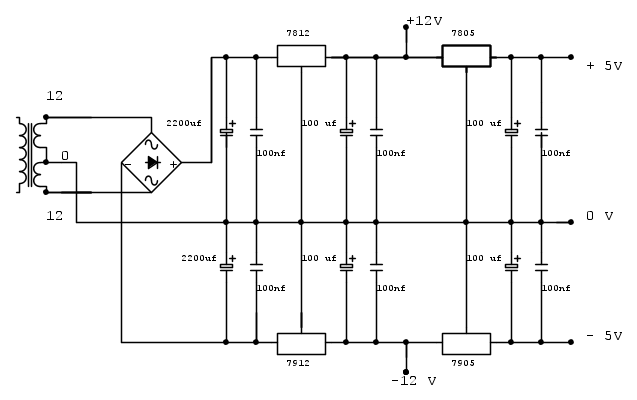
Dovendo alimentare un generatore di funzioni AVR DDS V2.0, ho assemblato un alimentatore duale 12-0-12V ed in cascata 5-0-5V utilizzando lo schema classico con regolatori della famiglia LM78.. e LM79... Ora vorrei proteggere in qualche modo il circuito, ma la soluzione fusibili non mi sembra quella ottimale. Cosa mi consigliate? Grazie ed... Auguri!!!!
1
voti
Con uno schema sarebbe piu' facile risponderti, comunque se lo hai realizzato con i 78xx, questi sono gia' protetti sia termicamente che per eventuali corto circuiti non prolungati.
Poi, se vuoi aggiungere dei fusibili, male non fanno.
Poi, se vuoi aggiungere dei fusibili, male non fanno.
marco
0
voti
Forse non intende proteggere i regolatori, o quantomeno non solo, ma il circuito del generatore con una limitazione di corrente
Sai dirci che corrente assorbe il generatore?
Sai dirci che corrente assorbe il generatore?
-

FedericoSibona
5.022 3 5 8 - Master

- Messaggi: 3951
- Iscritto il: 19 mar 2013, 11:43
6
voti
Come prima cosa verifica che il circuito consumi almeno una decina di milliampere. Con correnti inferiori i regolatori, specie quelli negativi, non funzionano bene.
Poi bisogna vedere che cosa vuoi proteggere, la sorgente di potenza, i regolatori o il circuito.
Per proteggere la sorgente che fornisce i 12V tipicamente si possono usare i fusibili.
Per proteggere i regolatori, come diceva
marco438, non c'e` molto da fare, sono gia` abbastanza protetti. Al piu` si possono mettere dei limitatori di sovratensioni all'ingresso dei regolatori. I diodi fra uscita e ingresso dei regolatori da 5V non servono, su quelli da 12V potrebbero servire in particolari circuiti, ma non e` una situazione molto comune.
Infine per proteggere il carico devi garantire un consumo minimo altrimenti la tensione di uscita rischia di salire a valori troppo elevati (ad esempio -9V al posto dei voluti -5V), e poi metti due diodi, preferibilmente Schottky, fra uscita positiva e 0V e fra 0V e uscita negativa in modo che siano polarizzati inversamente. Cosi` se si verifica un cortocircuito fra uscita positiva e negativa, non si ha una tensione di polarita` sbagliata che fa molto male al carico.
Con uno schema fidocadj si puo` spiegare meglio.
Poi bisogna vedere che cosa vuoi proteggere, la sorgente di potenza, i regolatori o il circuito.
Per proteggere la sorgente che fornisce i 12V tipicamente si possono usare i fusibili.
Per proteggere i regolatori, come diceva
Infine per proteggere il carico devi garantire un consumo minimo altrimenti la tensione di uscita rischia di salire a valori troppo elevati (ad esempio -9V al posto dei voluti -5V), e poi metti due diodi, preferibilmente Schottky, fra uscita positiva e 0V e fra 0V e uscita negativa in modo che siano polarizzati inversamente. Cosi` se si verifica un cortocircuito fra uscita positiva e negativa, non si ha una tensione di polarita` sbagliata che fa molto male al carico.
Con uno schema fidocadj si puo` spiegare meglio.
0
voti
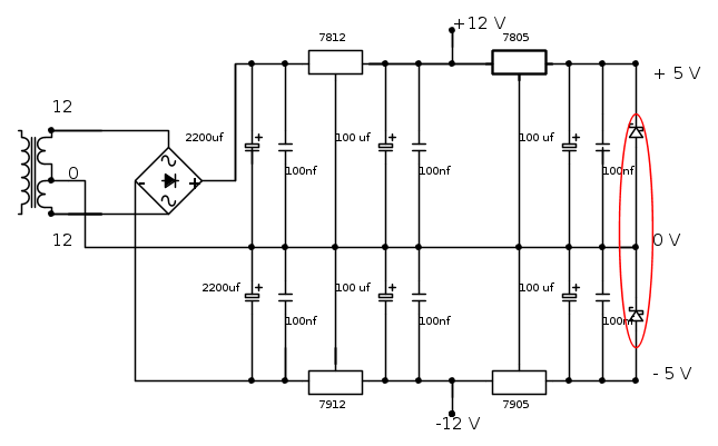
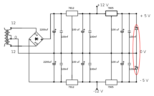
Mi interessa particolarmente la protezione del carico, di cui non conosco il consumo minimo, il generatore di funzioni è questo:
http://electronics-lab.com/projects/test/013/index.html
4
voti
I due diodi di cui parlavo sono questi
Poi ricorda che i farad hanno come simbolo F maiuscolo, perche' deriva dal nome di Michael Faraday. Tutte le unita` di misura che derivano da un nome proprio sono maiuscole.
Il circuito che hai linkato non sembra abbia bisogno del -5V, sei sicuro che serva il 7905? Per fare contento il 7912 metti una resistenza da 2.2kohm fra uscita a -12V e 0V. Se proprio vuoi montare il 7905, allora basta una resistenza da 1kohm fra uscita a -5V e 0V.
Mi ero sbagliato: il carico minimo per i regolatori e` 5mA, non 10mA, ricordavo male.
Poi ricorda che i farad hanno come simbolo F maiuscolo, perche' deriva dal nome di Michael Faraday. Tutte le unita` di misura che derivano da un nome proprio sono maiuscole.
Il circuito che hai linkato non sembra abbia bisogno del -5V, sei sicuro che serva il 7905? Per fare contento il 7912 metti una resistenza da 2.2kohm fra uscita a -12V e 0V. Se proprio vuoi montare il 7905, allora basta una resistenza da 1kohm fra uscita a -5V e 0V.
Mi ero sbagliato: il carico minimo per i regolatori e` 5mA, non 10mA, ricordavo male.
0
voti
Sì, in effetti il -5V non è richiesto, ma già che ero in ballo, in previsione di altri utilizzi, ho preferito la soluzione illustrata.
Grazie per le dritte e ....gloria a Faraday!!!!
Grazie per le dritte e ....gloria a Faraday!!!!
7 messaggi
• Pagina 1 di 1
Chi c’è in linea
Visitano il forum: Google [Bot] e 254 ospiti

Elettrotecnica e non solo (admin)
Un gatto tra gli elettroni (IsidoroKZ)
Esperienza e simulazioni (g.schgor)
Moleskine di un idraulico (RenzoDF)
Il Blog di ElectroYou (webmaster)
Idee microcontrollate (TardoFreak)
PICcoli grandi PICMicro (Paolino)
Il blog elettrico di carloc (carloc)
DirtEYblooog (dirtydeeds)
Di tutto... un po' (jordan20)
AK47 (lillo)
Esperienze elettroniche (marco438)
Telecomunicazioni musicali (clavicordo)
Automazione ed Elettronica (gustavo)
Direttive per la sicurezza (ErnestoCappelletti)
EYnfo dall'Alaska (mir)
Apriamo il quadro! (attilio)
H7-25 (asdf)
Passione Elettrica (massimob)
Elettroni a spasso (guidob)
Bloguerra (guerra)





