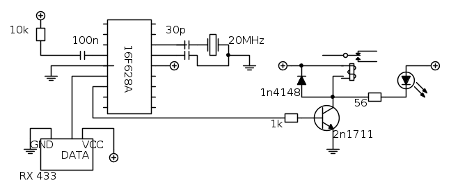
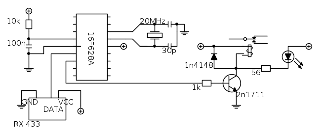
Ciao ragazzi, innanzitutto auguri e buone feste a tutti. Montando questo circuito ho notato una cosa strana: se all'uscita del microcontrollore (16F628A) collego solo un led, il circuito funziona bene. Se invece ci collego un transistor che pilota un relè, l'uscita del PIC sembra essere influenzata in quache maniera dalla presenza del BJT, infatti non appena l'uscita va a livello alto, il transistor satura eccitando il relè, l'uscita ritorna a livello logico basso diseccitando di conseguenza il relè.
Spiego un po' cosa fa questo circuito. In pratica ho realizzato un ricevitore a 433 MHz, utilizzando i moduli che si trovano molto facilmente su ebay. La linea dati del modulo ricevente è collegata ad un ingresso del PIC, il quale poi decodifica i dati. Se il codice ricevuto risulta essere uguale ad un codice, stabilito da me, allora l'uscita commuta, altrimenti non esegue niente.
Come già detto se all'uscita è collegato solo un led con resistenza, funziona tutto bene. Se invece ci collego un transistor con anche solo un led sul collettore, nel momento in cui il led dovebbe spegnersi, si spegne e si riaccende da solo poiché l'uscita del pin va prima a livello logico basso ma ritorna subito a livello alto. Cosa c'è che non va? Non riesco proprio a capire dove sia il problema.
Ecco lo schema del circuito:
Problema con transistor
Moderatori:
carloc,
g.schgor,
BrunoValente,
IsidoroKZ
22 messaggi
• Pagina 1 di 3 • 1, 2, 3
1
voti
Hai messo un condensatore ceramiCo da un centinaio di nanofarad sulle alimentazioni del Micro? E vicino al Micro, non dove capita ☺!
Per usare proficuamente un simulatore, bisogna sapere molta più elettronica di lui
Plug it in - it works better!
Il 555 sta all'elettronica come Arduino all'informatica! (entrambi loro malgrado)
Se volete risposte rispondete a tutte le mie domande
Plug it in - it works better!
Il 555 sta all'elettronica come Arduino all'informatica! (entrambi loro malgrado)
Se volete risposte rispondete a tutte le mie domande
0
voti
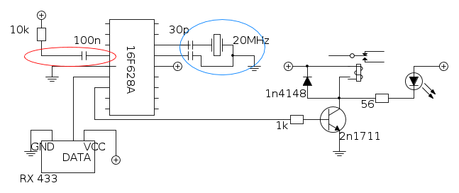
Forse quello che ti sto per segnalare non è la fonte del tuo problema, però il collegamento cerchiato in rosso:
non mi convince.
EDIT: nemmeno il collegamento del quarzo.
non mi convince.
EDIT: nemmeno il collegamento del quarzo.
0
voti
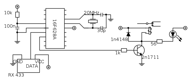
Si scusami, ho sbagliato io mentre stavo disegnando il circuito. Ecco quello corretto:
Ultima modifica di
kristian il 26 dic 2014, 17:07, modificato 1 volta in totale.
0
voti
Non è che l'assorbimento del relay ti fa calare la tensione di alimentazione ed il micro resetta???
-

AlbertoBianchi
2.009 3 5 - Master

- Messaggi: 836
- Iscritto il: 4 dic 2014, 18:30
- Località: Lastra a Signa (FI)
1
voti
Da dove arriva l'alimentazione positiva?
Per usare proficuamente un simulatore, bisogna sapere molta più elettronica di lui
Plug it in - it works better!
Il 555 sta all'elettronica come Arduino all'informatica! (entrambi loro malgrado)
Se volete risposte rispondete a tutte le mie domande
Plug it in - it works better!
Il 555 sta all'elettronica come Arduino all'informatica! (entrambi loro malgrado)
Se volete risposte rispondete a tutte le mie domande
22 messaggi
• Pagina 1 di 3 • 1, 2, 3
Chi c’è in linea
Visitano il forum: Nessuno e 116 ospiti

Elettrotecnica e non solo (admin)
Un gatto tra gli elettroni (IsidoroKZ)
Esperienza e simulazioni (g.schgor)
Moleskine di un idraulico (RenzoDF)
Il Blog di ElectroYou (webmaster)
Idee microcontrollate (TardoFreak)
PICcoli grandi PICMicro (Paolino)
Il blog elettrico di carloc (carloc)
DirtEYblooog (dirtydeeds)
Di tutto... un po' (jordan20)
AK47 (lillo)
Esperienze elettroniche (marco438)
Telecomunicazioni musicali (clavicordo)
Automazione ed Elettronica (gustavo)
Direttive per la sicurezza (ErnestoCappelletti)
EYnfo dall'Alaska (mir)
Apriamo il quadro! (attilio)
H7-25 (asdf)
Passione Elettrica (massimob)
Elettroni a spasso (guidob)
Bloguerra (guerra)







