Ma io ho alcune resistenze se le collego in parallelo tra di loro cosa succede
Alimentatore tensione variabile
Moderatori:
carloc,
g.schgor,
BrunoValente,
IsidoroKZ
0
voti
1
voti
Salve ragazzi ho provveduto alla sistemazione dell' alimentatore cosa ne dite ???
Non ancora ho provveduto alla realizzazione del circuito di protezione consigliatomi da
BrunoValente visto che le resistenze non ancora mi devono arrivare
Grazie e AUGURI a tutti

Non ancora ho provveduto alla realizzazione del circuito di protezione consigliatomi da
Grazie e AUGURI a tutti

0
voti
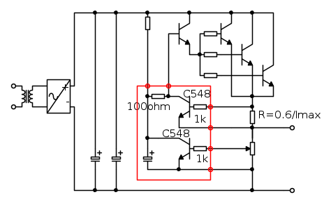
Salve ragazzi, stamane ho installato il circuito di protezione sulla alimentatore. Soltanto che ho dimensionato la resistenza R per 2 A quindi R=0.6/2=0.3 ohm sono riuscito a trovare una resistenza da 0.33 ohm, va bene o no ? Ho provveduto alla realizzazione del circuito di protezione soltanto che adesso quando vado a mettere un carico da 7A non va logicamente perché il circuito di protezione non fa passare più di 2A ?? vorrei installare una resistenza R dimensionata per una corrente massima di 20 A ovvero R=0.6/20=0.03 ohm ma non sono riuscito a trovarla poteri mettere delle resistenze in serie ??
0
voti
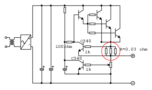
Per mettere le tre resistenze in parallelo devo fare il tipo di operazione cerchiato nello schema ?
Grazie per la risposta
Grazie per la risposta
0
voti
Sì, così va bene.
Direi però di comperare tre resistori da 0,1Ω, ma per ora usarne solo due in parallelo e vedere a che corrente interviene la protezione. Non ho riletto tutto il thread, ma, se i finali sono rimasti tre 2N3055, fai attenzione che con 20A in uscita sono prossimi al collasso.
Ricorda anche che quei resistori devono essere da almeno 10W.
Direi però di comperare tre resistori da 0,1Ω, ma per ora usarne solo due in parallelo e vedere a che corrente interviene la protezione. Non ho riletto tutto il thread, ma, se i finali sono rimasti tre 2N3055, fai attenzione che con 20A in uscita sono prossimi al collasso.
Ricorda anche che quei resistori devono essere da almeno 10W.
-

FedericoSibona
5.022 3 5 8 - Master

- Messaggi: 3951
- Iscritto il: 19 mar 2013, 11:43
0
voti
adesso provo a mettere in parallelo 3 resistenze da 0.33 ohm e in uscita dovrei avere 5 A.
La mia curiosità adesso è ma se io sostituisco la resistenza R quando applico un carico la tensione non deve scendere come fa adesso, ora con la resistenza da 0.33 ohm quando applico un carico da 2.3 A la tensione si abbassa
La mia curiosità adesso è ma se io sostituisco la resistenza R quando applico un carico la tensione non deve scendere come fa adesso, ora con la resistenza da 0.33 ohm quando applico un carico da 2.3 A la tensione si abbassa
0
voti
Se limiti l'intervento della protezione a 5A, la tensione dovrebbe rimanere stabile se applichi un carico uguale o inferiore ai 5A; se al contrario applichi un carico superiore, interviene la protezione abbassando la tensione erogata.
marco
Chi c’è in linea
Visitano il forum: Nessuno e 123 ospiti

Elettrotecnica e non solo (admin)
Un gatto tra gli elettroni (IsidoroKZ)
Esperienza e simulazioni (g.schgor)
Moleskine di un idraulico (RenzoDF)
Il Blog di ElectroYou (webmaster)
Idee microcontrollate (TardoFreak)
PICcoli grandi PICMicro (Paolino)
Il blog elettrico di carloc (carloc)
DirtEYblooog (dirtydeeds)
Di tutto... un po' (jordan20)
AK47 (lillo)
Esperienze elettroniche (marco438)
Telecomunicazioni musicali (clavicordo)
Automazione ed Elettronica (gustavo)
Direttive per la sicurezza (ErnestoCappelletti)
EYnfo dall'Alaska (mir)
Apriamo il quadro! (attilio)
H7-25 (asdf)
Passione Elettrica (massimob)
Elettroni a spasso (guidob)
Bloguerra (guerra)





