Cos'è ElectroYou | Login Iscriviti

ElectroYou - la comunità dei professionisti del mondo elettrico

Pilotare forti carichi resistivi con mosfet

Elettronica lineare e digitale: didattica ed applicazioni

Moderatori: Foto Utentecarloc, Foto Utenteg.schgor, Foto UtenteBrunoValente, Foto UtenteIsidoroKZ

0
voti

[21] Re: Pilotare forti carichi resistivi con mosfet

Messaggioda Foto UtentePietroBaima » 15 gen 2015, 16:21

IsidoroKZ ha scritto:Sforzo bi-inutile :( non e` in grado di capirlo

sei insopportabile quando hai ragione, lo sai? :D
Generatore codice per articoli:
nomi
Sul forum:
[pigreco]=π
[ohm]=Ω
[quadrato]=²
[cubo]=³
Avatar utente
Foto UtentePietroBaima
90,7k 7 12 13
G.Master EY
G.Master EY
 
Messaggi: 12206
Iscritto il: 12 ago 2012, 1:20
Località: Londra

0
voti

[22] Re: Pilotare forti carichi resistivi con mosfet

Messaggioda Foto Utentesimo85 » 15 gen 2015, 16:26

aldofad ha scritto:aumenta con l'aumentare della corrente sul gate

Non mi è chiara questa affermazione. Cosa intendi con 'aumentare corrente sul gate' ?
Avatar utente
Foto Utentesimo85
30,9k 7 12 13
Disattivato su sua richiesta
 
Messaggi: 9927
Iscritto il: 30 ago 2010, 4:59

0
voti

[23] Re: Pilotare forti carichi resistivi con mosfet

Messaggioda Foto Utentealdofad » 15 gen 2015, 16:28

simo85 ha scritto:Non mi è chiara questa affermazione. Cosa intendi con 'aumentare corrente sul gate' ?

Nemmeno a me è chiara, infatti è ciò che contestavo...
Avatar utente
Foto Utentealdofad
853 4 5
Sostenitore
Sostenitore
 
Messaggi: 689
Iscritto il: 21 gen 2014, 1:07
Località: Treviso

0
voti

[24] Re: Pilotare forti carichi resistivi con mosfet

Messaggioda Foto Utentesimo85 » 15 gen 2015, 16:32

Non mi pare aver letto la frase che hai scritto tu. Ma potrei aver letto male o aver interpretato male quello che scrivi. :(

Ad ogni modo potresti esporre il tuo punto di vista e giustificare le tue ipotesi (giuste o sbagliate) invece di rifiutare a tutti i costi quelle degli altri. Mi sembra un modo di partecipare molto più costruttivo e corretto.
Avatar utente
Foto Utentesimo85
30,9k 7 12 13
Disattivato su sua richiesta
 
Messaggi: 9927
Iscritto il: 30 ago 2010, 4:59

2
voti

[25] Re: Pilotare forti carichi resistivi con mosfet

Messaggioda Foto UtenteIsidoroKZ » 15 gen 2015, 17:05

PietroBaima ha scritto:Stavo anche pensando che se il modello del driver fosse davvero quello, quando apri SW a transitorio estinto, il MOS non si spegne mica. :D


Che e` esattamente quello che capita nella realta` :-) Il driver non apre, tira giu`! La carica immagazziata sul gate serve in alcuni circuiti per tenere acceso il transistore. Ad esempio quando si fa il pilotaggio con trasformatore saturante.
Per usare proficuamente un simulatore, bisogna sapere molta più elettronica di lui
Plug it in - it works better!
Il 555 sta all'elettronica come Arduino all'informatica! (entrambi loro malgrado)
Se volete risposte rispondete a tutte le mie domande
Avatar utente
Foto UtenteIsidoroKZ
121,2k 1 3 8
G.Master EY
G.Master EY
 
Messaggi: 21059
Iscritto il: 17 ott 2009, 0:00

8
voti

[26] Re: Pilotare forti carichi resistivi con mosfet

Messaggioda Foto UtenteIsidoroKZ » 15 gen 2015, 17:11

aldofad ha scritto:il tempo di commutazione in un mosfet aumenta con l'aumentare della corrente sul gate (addirittura di Ampere)?


Mica ho detto quello. Ho detto che per avede i tempi di commutazione veloci, come quelli riportati dal datasheet, si devono avere correnti elevate (ordine degli ampere) per tempi di decine di nanosecondi.

Provo in forma piu` facile: piu` corrente piu` velocita`. Oppure piu` corrente meno tempo. La ragione e` che quello che accende il MOS e` la carica: se hai piu` corrente serve meno tempo per accendere. Sai com'e`, Q=I*T.

Se ti hanno insegnato delle cose in contrasto con queste ti hanno imbrogliato, fatti restituire i soldi :D
Per usare proficuamente un simulatore, bisogna sapere molta più elettronica di lui
Plug it in - it works better!
Il 555 sta all'elettronica come Arduino all'informatica! (entrambi loro malgrado)
Se volete risposte rispondete a tutte le mie domande
Avatar utente
Foto UtenteIsidoroKZ
121,2k 1 3 8
G.Master EY
G.Master EY
 
Messaggi: 21059
Iscritto il: 17 ott 2009, 0:00

0
voti

[27] Re: Pilotare forti carichi resistivi con mosfet

Messaggioda Foto Utentekf00115 » 15 gen 2015, 18:17

Chiaramente la capacità in ingresso gate del al MOS devessere "riempita e svuotata" con una certa velocità in modo che il Mosfet lavori per brevi istanti ma in saturazione o interdizione altrimenti lavorerà blandamente in zona lineare o resistore. (Vedi comunque circuiti RC e costante tau ) Solo in simulazione, ho provato un circuito che realizzi una serie di impulsi molto squadrati (tempi salita e discesa minimi) il CD40106 che è anche trigger di schmitt. probabilmente sabato farò alcune prove fisiche

Sempre in simulazione si vede come il segnale applicato al carico è perfettamente di tipo impulsivo.

Forse serviranno 2 sezioni CD40106 in parallelo ?

Saluti
Allegati
osciilloscopio.JPG
osciilloscopio.JPG (22.69 KiB) Osservato 6693 volte
Schema_driver_homemade.JPG
Avatar utente
Foto Utentekf00115
50 4
New entry
New entry
 
Messaggi: 64
Iscritto il: 17 feb 2007, 18:16
Località: perugia

1
voti

[28] Re: Pilotare forti carichi resistivi con mosfet

Messaggioda Foto Utentesimo85 » 15 gen 2015, 18:22

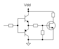
Forse qualcosa del genere è meglio di una porta logica CMOS come Gate Driver:



Anche perché la porta NOT è inutile.
Avatar utente
Foto Utentesimo85
30,9k 7 12 13
Disattivato su sua richiesta
 
Messaggi: 9927
Iscritto il: 30 ago 2010, 4:59

0
voti

[29] Re: Pilotare forti carichi resistivi con mosfet

Messaggioda Foto Utenteudos46 » 15 gen 2015, 20:32

qui do ragione a isidoro, la tensione di gate va tra i 15 e 18 volt ( 22 volt li accettano come limite)
inoltre devi caricare la capacita di GS in tempi brevi e correnti elevate , per questo si usano tra 10 e 47 R di gate per non spaccare il condensatore intrinseco gate source
se non serviva, perche avrebbero fatto i driver MOS?
Avatar utente
Foto Utenteudos46
128 1 6
Frequentatore
Frequentatore
 
Messaggi: 105
Iscritto il: 19 mar 2007, 18:35
Località: lugano

1
voti

[30] Re: Pilotare forti carichi resistivi con mosfet

Messaggioda Foto UtentePixy » 15 gen 2015, 22:04

ciao Foto Utentekf00115 mi inserisco di nuovo nella discussione, per darti un semplice consiglio, ma a mio avviso pertinente al tuo caso.

1 kHz in generale sono pochi per un PWM, ma nel tuo caso sono tanti, perché il carico che vuoi pilotare ha una resistenza troppo bassa e tensione di alimentazione troppo bassa tale che la potenza che dissiperai sul mosfet con un PWM è paragonabile a quella del carico se non di più e questa potenza dissipata sul mosfet sarà tanto maggiore quanto maggiore sarà la frequenza, per i motivi che mi sembra già conosci e che comunque sono stati ribaditi anche dagli altri interventi
( E' per questo che inizialmente ho ribadito che non si può consigliare semplicemente un mosfet con Rdson più piccola e e corrente di drain maggiore, perché questo può portare addirittura all' effetto contrario, visto che un mosfet da 200 A avrà bisogno di un pilotaggio, anche solo ad 1 kHz non paragonabile ad un mosfet di piccola potenza )

Però , a mio avviso, non ha bisogno di un PWM così veloce.
Puoi anche realizzare un PWM anche di soli 10 Hz ( per esempio ) in quanto riuscirai lo stesso a regolare la temperatura visto che l' inerzia termica del tuo forno, tanto sarà maggiore in ogni caso del tuo PWM, e come hai visto, pilotandolo fisso, per esempio, il mosfet non riscalda

questo è un consiglio, ovviamente..

Poi, se vuoi applicarti per riuscire a pilotare al meglio il mosfet anche con 1 kHz nelle condizioni che hai descritto e farlo funzionare senza fonderlo, non posso certo scoraggiarti.. :), anzi diventa un ottimo esercizio per il pilotaggio dei MOS e un ottima discussione da fare sul forum, come era già iniziata
Avatar utente
Foto UtentePixy
559 2 7
Expert EY
Expert EY
 
Messaggi: 478
Iscritto il: 20 nov 2012, 20:14

PrecedenteProssimo

Torna a Elettronica generale

Chi c’è in linea

Visitano il forum: Nessuno e 388 ospiti