Cos'è ElectroYou | Login Iscriviti

ElectroYou - la comunità dei professionisti del mondo elettrico

Misura remota di temperatura

Elettronica lineare e digitale: didattica ed applicazioni

Moderatori: Foto Utentecarloc, Foto Utenteg.schgor, Foto UtenteBrunoValente, Foto UtenteIsidoroKZ

0
voti

[11] Re: Misura remota di temperatura

Messaggioda Foto UtenteIsidoroKZ » 19 gen 2015, 1:33

Se vuoi usare la PT-1000 ok. In base ai cavi che hai puoi avere due diverse soluzioni.

PT-1000 nella scatola, elettronica nella stazione, leggi la temperatura direttamente con il tester serve un cavo a due fili per portare il segnale in stazione. Se vuoi anche controllare la temperatura nella scatola ti serve un altro cavo a due fili per portare su il comando della resistenza di riscaldamento. Non basta un 12V fisso, devi poter comandare la resistenza.

Oppure: PT-1000 nella scatola, elettronica nella scatola che comanda automaticamente la temperatura e ti serve un cavo che scende per portare in stazione la tensione proporzionale alla temperatura (l'RG174 che hai gia`). Per far funzionare l'elettronica e il riscaldamento ci vogliono 12V in continua, che dovrebbero gia` esserci.

Pero` manca un comando: l'impostazione della temperatura die Temperatursollwerte. Puoi tenerla fissa ad esempio a 20°C, e non la puoi spostare.

Se vuoi misurare la temperatura e controllarla, direi che servono almeno due cavi con 4 fili in tutto piu` l'alimentazione a 12V.

Mettere insieme i negativi non mi piace molto, meglio evitare per problemi di crosstalk e offset.

Sentiamo anche che cosa dice Foto Utenteboiler
Per usare proficuamente un simulatore, bisogna sapere molta più elettronica di lui
Plug it in - it works better!
Il 555 sta all'elettronica come Arduino all'informatica! (entrambi loro malgrado)
Se volete risposte rispondete a tutte le mie domande
Avatar utente
Foto UtenteIsidoroKZ
121,2k 1 3 8
G.Master EY
G.Master EY
 
Messaggi: 21059
Iscritto il: 17 ott 2009, 0:00

0
voti

[12] Re: Misura remota di temperatura

Messaggioda Foto Utenteboiler » 19 gen 2015, 11:50

Se non vuoi aggiungere cavi l'unica soluzione viabile è quella di mettere l'elettronica di controllo nel box e usare un preset fisso per la temperatura.

A questo punto puoi usare il Pt1000, condizionarlo e mandare il segnale condizionato sul cavo coassiale già presente. Avrai così una tensione proporzionale alla temperatura.

In stazione per visualizzare la temperatura ti propongo una soluzione che, come radioamatore, apprezzerai per la semplicità ma soprattutto per lo stile :cool:
Prendi uno strumento analogico e sostituiscine la scala. Si tratta solo di calcolare quanti volt corrispondono a quanti gradi e stampare qualcosa di carino al computer.

Il condizionamento del Pt1000 per applicazioni non ultra-critiche di solito lo faccio così:


Visto che l'elettronica è nella scatola il drift in temperatura dei componenti si trasforma in un errore di misura: scegli i Vref e i resistori di conseguenza.

Il controllo della resistenza di riscaldamento si riduce ad un comparatore con un po' di isteresi. Lo Schwellenwert lo puoi ricavare direttamente da Vref tramite un partitore resistivo.

Come ti ha detto Foto UtenteIsidoroKZ, è rischioso usare lo stesso cavo per il ritorno dell'alimentazione "normale" e per quella di riscaldamento. Quando il riscaldamento si accende hai un repentino aumento della corrente che scorre in questo cavo e di conseguenza un salto nella caduta di tensione. Questo fenomeno si chiama ground bounce. Se prima dei componenti HF hai un'altra regolazione e/o i cavi sono di sezione indecentemente enorme, il problema è mitigato.

73 de Boiler (saltuariamente HB4FF)
Avatar utente
Foto Utenteboiler
26,4k 5 9 13
G.Master EY
G.Master EY
 
Messaggi: 5602
Iscritto il: 9 nov 2011, 12:27

0
voti

[13] Re: Misura remota di temperatura

Messaggioda Foto UtenteStefanGrenzer » 19 gen 2015, 11:54

Vediamo un po': altri cavi e fili vari non passano nella canalina (alles besetz! è piena ) senza contare i quattro coassiali in Radiofrequenza che sono fuori. Quindi dobbiamo usare quello che c'è. Oppure... posso tirare in parallelo alla cannetta uno o due coassiali a 75 Ohm da RF che avrei in più, ora devo sostituire tutti i coassiali con migliori, già acqustati. Così si può disporre di linee supplementari. Penso non serva regolare dalla stazione la temp. se si tara fissa a circa 15 °già va molto bene, eventualmente se il clima scende a -40° esco con picozza sul tetto e rompo un po' di ghiaccio:-) 73.
Avatar utente
Foto UtenteStefanGrenzer
169 5
Frequentatore
Frequentatore
 
Messaggi: 147
Iscritto il: 17 gen 2015, 1:47

0
voti

[14] Re: Misura remota di temperatura

Messaggioda Foto UtenteStefanGrenzer » 19 gen 2015, 12:17

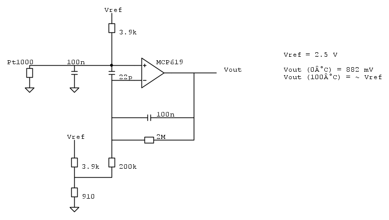
Scusa Boiler, ho scritto la mia precedente senza aver visto la tua risp. con schema, Dunque, il MCP619 è un operazionale? Non ho mai usato questi componenti, ha tre piedini come un transistor. la PT-1000 è nella stessa linea di positivo separata nel segnale dal cond 22pF. Non avevo considerato questo sistema. Non so cosa si intende per condizionamento del sensore. E la Vref deve essere sempre 2,5 volt? Mi complica la vita.
Avatar utente
Foto UtenteStefanGrenzer
169 5
Frequentatore
Frequentatore
 
Messaggi: 147
Iscritto il: 17 gen 2015, 1:47

2
voti

[15] Re: Misura remota di temperatura

Messaggioda Foto UtenteIsidoroKZ » 19 gen 2015, 12:25

Si`, e` un operazionale, se ne possono usare anche altri. La tensione Vref puo` essere anche quella che esce da un 7812 e che alimenta il resto del circuito. Non e` molto stabile ne' precisa, eventualmente faccio i conti per vedere la deriva di misura in temperatura.

Gli operazionali hanno per lo meno 5 piedini: oltre a quelli dello schema ci sono due piedini di alimentazione.

Hai una idea di quanta potenza serve per scaldare la scatola?
Per usare proficuamente un simulatore, bisogna sapere molta più elettronica di lui
Plug it in - it works better!
Il 555 sta all'elettronica come Arduino all'informatica! (entrambi loro malgrado)
Se volete risposte rispondete a tutte le mie domande
Avatar utente
Foto UtenteIsidoroKZ
121,2k 1 3 8
G.Master EY
G.Master EY
 
Messaggi: 21059
Iscritto il: 17 ott 2009, 0:00

0
voti

[16] Re: Misura remota di temperatura

Messaggioda Foto Utenteboiler » 19 gen 2015, 13:51

Ho messo l'MCP619 perché uso quello (tra l'altro, è quadruplo, a te basta doppio, così con il secondo ci fai il comparatore). Puoi usarne un altro. Occhio alle tensioni di alimentazione se vuoi partire direttamente dal 12 V, questo modello non va bene (va fino a 5.5 V).

Come ha detto Isidoro, la Vref può anche avere un altro valore.

Boiler
Avatar utente
Foto Utenteboiler
26,4k 5 9 13
G.Master EY
G.Master EY
 
Messaggi: 5602
Iscritto il: 9 nov 2011, 12:27

0
voti

[17] Re: Misura remota di temperatura

Messaggioda Foto UtenteStefanGrenzer » 19 gen 2015, 16:55

Bene... " Vref che esce da un IC 7812", "ma può aver altro valore", "il secondo (o quarto) settore dell'operazionale MCP619 lo devo usare (chi, io?) per il comparatore...", chiedo venia, ma se voi mi fate il progetto, completo, (non sentitevi obbligati!!) io eseguo il manufatto, con il Weller ci lavoro spesso. Però Non ho nessuna base per progettare ed elaborare un circuito. Ho sbirciato un poco nei vostri Blog e mi sento una micropulce davanti alla vostra capacità di progettazione. Caspita, non ho idea di quanta potenza serva per scaldare il box, l'ho rivestito internamente di espanso, ma più di così... Grazie, saluti.
Avatar utente
Foto UtenteStefanGrenzer
169 5
Frequentatore
Frequentatore
 
Messaggi: 147
Iscritto il: 17 gen 2015, 1:47

0
voti

[18] Re: Misura remota di temperatura

Messaggioda Foto Utenteboiler » 19 gen 2015, 23:36

StefanGrenzer ha scritto:chiedo venia, ma se voi mi fate il progetto, completo


Cosa vuol dire completo? Se ti basta lo schema si può fare, se vuoi un PCB con sbroglio, al momento non ho tempo di fartelo.
In ogni caso non prima del week-end, i prossimi giorni sono pieni.

Caspita, non ho idea di quanta potenza serva per scaldare il box, l'ho rivestito internamente di espanso, ma più di così... Grazie, saluti.


Questo non è bene. Hai la possibilità di fare delle prove? Come resistenze di test puoi benissimo usare delle lampadine a incandescenza (o alogene a 12 V se vuoi usare l'alimentazione già presente).

Boiler
Avatar utente
Foto Utenteboiler
26,4k 5 9 13
G.Master EY
G.Master EY
 
Messaggi: 5602
Iscritto il: 9 nov 2011, 12:27

0
voti

[19] Re: Misura remota di temperatura

Messaggioda Foto UtenteStefanGrenzer » 20 gen 2015, 1:30

Ma certamente mi basta uno schema elettrico. "Completo" nel senso di tutto compreso, dai 12-13,5 volt dell'alimentazione alla lettura esatta in stazione attraverso il coassiale(o da convertire con tabella), con le piedinature dell'integrato ed, eventualmente, il circuito di controllo del riscaldatore. Sinceramente mi pare già di approfittare troppo. Avevo già provato con una lampada automobilistica da 12 volt 5W ma dopo 15 minuti non ha scaldato nulla. Magari lasciandola a lungo accesa qualcosa fa. Penso però che una lampada trasformi un'enormità di energia in luce e quindi non è paragonabile ad una resistenza di 5w che produce solo calore. 73
Avatar utente
Foto UtenteStefanGrenzer
169 5
Frequentatore
Frequentatore
 
Messaggi: 147
Iscritto il: 17 gen 2015, 1:47

1
voti

[20] Re: Misura remota di temperatura

Messaggioda Foto UtenteIsidoroKZ » 20 gen 2015, 1:38

La luce di una lampada a filamento e` pochissima rispetto al calore generato e se la scatola e` chiusa anche la luce viene assorbita e scalda. Una lampada e una resistenza scaldano uguale.
Per usare proficuamente un simulatore, bisogna sapere molta più elettronica di lui
Plug it in - it works better!
Il 555 sta all'elettronica come Arduino all'informatica! (entrambi loro malgrado)
Se volete risposte rispondete a tutte le mie domande
Avatar utente
Foto UtenteIsidoroKZ
121,2k 1 3 8
G.Master EY
G.Master EY
 
Messaggi: 21059
Iscritto il: 17 ott 2009, 0:00

PrecedenteProssimo

Torna a Elettronica generale

Chi c’è in linea

Visitano il forum: Nessuno e 175 ospiti