Così brutalmente una "toppa" al circuito, sacrificando un po' di potenza, si potrebbe esplorare questa soluzione:
Fasce anticondensa
Moderatori:
carloc,
g.schgor,
BrunoValente,
IsidoroKZ
41 messaggi
• Pagina 4 di 5 • 1, 2, 3, 4, 5
0
voti
Ciao. In serie al circuito penso vada bene un lm7805 con una resistenza da 220ohm. Aspetta comunque qualcuno più esperto di me
-

FeedTheMario
0 3 - Messaggi: 18
- Iscritto il: 5 ott 2013, 21:13
1
voti
La soluzione non è bella per molti motivi, ma soprattutto perché si butta via 0.5W per il prelievo di corrente. Ricordo che tu usavi i riscaldatori sempre alla massima potenza. Se è così, questa modifica dovrebbe fare al caso tuo. Te la propongo perché è semplice e perché mi ricordo che non avevi grande domestichezza con l'elettronica.
Se però avevi implementato un sistema di regolazione della potenza, questa modifica non va bene e bisogna fare altro...
Se però avevi implementato un sistema di regolazione della potenza, questa modifica non va bene e bisogna fare altro...
-

EnChamade
6.498 2 8 12 - G.Master EY

- Messaggi: 588
- Iscritto il: 18 giu 2009, 12:00
- Località: Padova - Feltre
0
voti
consiglio di usare direttamente un elemento riscaldante come questo
http://www.ebay.it/itm/Cartuccia-riscaldante-ceramica-cartridge-heater-12V-40-W-reprap-/161507695540?pt=Componenti_elettronici_passivi&hash=item259a9bdbb4
e di lasciar perdere le resistenze
http://www.ebay.it/itm/Cartuccia-riscaldante-ceramica-cartridge-heater-12V-40-W-reprap-/161507695540?pt=Componenti_elettronici_passivi&hash=item259a9bdbb4
e di lasciar perdere le resistenze
0
voti
aldofad ha scritto:consiglio di usare direttamente un elemento riscaldante come questo
http://www.ebay.it/itm/Cartuccia-riscaldante-ceramica-cartridge-heater-12V-40-W-reprap-/161507695540?pt=Componenti_elettronici_passivi&hash=item259a9bdbb4
e di lasciar perdere le resistenze
Ciao,
purtroppo la potenza è troppo elevata e anche troppa, la mia batteria non reggerebbe molto, la soluzione che ho realizzato con le resistenze invece va molto bene.
Grazie!
0
voti
EnChamade ha scritto:La soluzione non è bella per molti motivi, ma soprattutto perché si butta via 0.5W per il prelievo di corrente. Ricordo che tu usavi i riscaldatori sempre alla massima potenza. Se è così, questa modifica dovrebbe fare al caso tuo. Te la propongo perché è semplice e perché mi ricordo che non avevi grande domestichezza con l'elettronica.
Se però avevi implementato un sistema di regolazione della potenza, questa modifica non va bene e bisogna fare altro...
Ciao,
non avevo aggiunto alcun sistema per regolare la potenza quindi credo vada bene la tua soluzione!
Mi potresti spiegare come funziona? Siccome le fasce sono due vorrei capire come trovare i valori delle resistenze anche per la seconda in modo da fare uni'unica basetta millefori con gli interruttori, fusibili e led da mettere direttamente , in qualche modo, sulla barra Losmandy del telescopio.
Grazie mille!
Giovanni.
0
voti
In attesa di risposte ho un po' studiato e, da quel che ho capito, il funzionamento è il seguente:
Il transistor è attivato se alla base applichiamo una corrente che deriva da quella in uscita dalla serie di resistenze.
Se attivato, il transistor mette in comunicazione collettore e emettitore mettendo a massa il catodo del led e quindi facendolo accendere.
Se il fusibile salta oppure una qualche saldatura della serie di resistenze interrompe il collegamento allora il transistor interrompe il circuito del led che si spegne.
Detto questo, sempre che sia corretto, non capisco come calcolare la caduta di potenza totale; se non erro la serie di resistenze è, a sua volta, in serie con la risultante delle due resistenze(che sono in parallelo) collegate alla base del transistor mentre la resistenza del led è in parallelo a quanto detto adesso.
Probabilmente ho sbagliato i calcoli ma mi sembra che la resistenza totale aumenterebbe leggermente ma non so come valutare la potenza persa per via del transistor.
Come posso valutare la resistenza da applicare alla base del transistor all'analogo circuito dell'altra fascia?
Grazie,
G.
Il transistor è attivato se alla base applichiamo una corrente che deriva da quella in uscita dalla serie di resistenze.
Se attivato, il transistor mette in comunicazione collettore e emettitore mettendo a massa il catodo del led e quindi facendolo accendere.
Se il fusibile salta oppure una qualche saldatura della serie di resistenze interrompe il collegamento allora il transistor interrompe il circuito del led che si spegne.
Detto questo, sempre che sia corretto, non capisco come calcolare la caduta di potenza totale; se non erro la serie di resistenze è, a sua volta, in serie con la risultante delle due resistenze(che sono in parallelo) collegate alla base del transistor mentre la resistenza del led è in parallelo a quanto detto adesso.
Probabilmente ho sbagliato i calcoli ma mi sembra che la resistenza totale aumenterebbe leggermente ma non so come valutare la potenza persa per via del transistor.
Come posso valutare la resistenza da applicare alla base del transistor all'analogo circuito dell'altra fascia?
Grazie,
G.
3
voti
ggkids ha scritto:Il transistor è attivato se alla base applichiamo una corrente che deriva da quella in uscita dalla serie di resistenze.
Se attivato, il transistor mette in comunicazione collettore e emettitore mettendo a massa il catodo del LED e quindi facendolo accendere.
Se il fusibile salta oppure una qualche saldatura della serie di resistenze interrompe il collegamento allora il transistor interrompe il circuito del LED che si spegne.
Si, hai interpretato giusto!
ggkids ha scritto:Detto questo, sempre che sia corretto, non capisco come calcolare la caduta di potenza totale; se non erro la serie di resistenze è, a sua volta, in serie con la risultante delle due resistenze(che sono in parallelo) collegate alla base del transistor mentre la resistenza del LED è in parallelo a quanto detto adesso.
Probabilmente ho sbagliato i calcoli ma mi sembra che la resistenza totale aumenterebbe leggermente ma non so come valutare la potenza persa per via del transistor.
Come posso valutare la resistenza da applicare alla base del transistor all'analogo circuito dell'altra fascia?
In questo caso invece, se ho capito bene, sbagli.
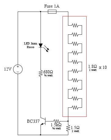
Ricominciamo da questo circuito dove ho semplicemente dato un nome ai vari componenti che dobbiamo dimensionare e alle correnti che entrano in gioco nel nostro dimensionamento:
Lo scopo del tuo progetto è quello di far accendere il led quando scorre corrente nelle fasce anticondensa. Abbiamo scelto un LED rosso 3mm e diciamo quindi possiamo riformulare la frase precedente nel modo seguente: vogliamo che quando circola corrente nella fascia la corrente che scorre nel LED sia di 15mA (corrente necessaria per un buon utilizzo del LED e scelta a priori). Quindi il primo dato è che decidiamo è:

Poi, sappiamo che il led rosso quando funziona regolarmente impone ai suoi capi una caduta di tensione dalle parti di 1.8V (si trova questo valore semplicemente cercando su google); questa tensione la chiamiamo
. Inoltre, nel nostro circuito vogliamo far lavorare il BJT come interruttore e quindi solo in saturazione (interruttore chiuso) o in interdizione (interruttore aperto). Quando è chiuso, e quindi in saturazione, però il BJT impone ai suoi capi una tensione, che chiamiamo
, dalle parti di 0.2-0.3V. Ora abbiamo i dati necessari per calcolare
. In pratica, nella maglia fra generatore e il ramo con il LED possiamo scrivere l'equazione:
Dato che questo valore non è standard, assumiamo il valore commerciale più vicino:
. Con il nuovo valore di resistenza, circolerà un po' meno corrente nel LED, ma questo non è un problema perché avevamo scelto un valore abbastanza conservativo di corrente. Infine, puoi calcolare la potenza dissipata dal resistore:
e quindi basta una resistenza da un quarto di watt.
Ora però bisogna mettere in saturazione il transistor. Per farlo, si utilizzano le due resistenze
e
. La
è una resistenza di sense che viene utilizzata per misurare la corrente che scorre sulle fasce. Questa resistenza va in serie alle fasce e quindi diminuisce la corrente che scorre in esse (e quindi la potenza dissipata da esse); quindi, deve essere più piccola possibile. Però, come succede spesso in elettronica, abbiamo anche la richiesta contraria: questa resistenza non deve essere troppo piccola perché altrimenti la tensione ai suoi capi non è sufficiente ad "accendere" il BJT. Infatti, per funzionare, il BJT ha bisogno di una tensione Base-Emettitore dalle parti di 0.6-0.7V. La cosa da fare è quindi dimensionare
in modo che durante il funzionamento la caduta di tensione ai suoi capi sia >0.7, e poi aggiustare
in modo da mettere in saturazione il BJT. Scegliamo come tensione nominale di sense (
) di 0.9V (si potrebbe anche scegliere 0.8V).La corrente che scorrerà ora nelle fascie sarà (
è il numero di resistenze nella fascia e
il loro valore):
Assumendo l'aprossimazione
abbiamo che possiamo dire
e quindi abbiamo che
Come prima scegliamo il valore standard ottenendo
. Calcoliamo anche la potenza dissipata. Assumendo sempre valida l'approssimazione
, abbiamo
e quindi occorre una resistenza da 1W e questo è il brutto di questo circuito. Forse, provando con 0.8V di tensione di sense, si abbassa un po'...
Infine, per garantire la saturazione del BJT, ci serve un parametro che si trova nel suo datasheet: sto parlando dell'
. Prendendo il minimo, abbiamo
. Per saturare il BJT, in base deve scorrere una corrente 
e quindi per calcolare la resistenza di base

e qui, puoi sceglie quale valore standard prendere. Nel conto di prima avevo considerato di usare un BJT BC337-25 e quindi avevo preso un
ottenendo
. Se però consideri il conto fatto adesso, considerando il BC337 semplice allora prenderei
.Ti la scio calcolare la potenza dissipata dalla resistenza che ti porterà alla conclusione che puoi sceglierne una da 1/4 di watt.
Prima di concludere, bisogna osservare se tutte le ipotesi fatte sono valide. Nel caso in oggetto abbiamo che
e quindi il dimensionamento è valido.Provi a fare tu i conti per l’altra fascia?
-

EnChamade
6.498 2 8 12 - G.Master EY

- Messaggi: 588
- Iscritto il: 18 giu 2009, 12:00
- Località: Padova - Feltre
1
voti
Mille grazie! La tua è stata una lezione magistrale, rifarò i conti per l'altra fascia e li posto per verifica.
Grazie ancora,
G.
Grazie ancora,
G.
0
voti
Ciao,
ho fatto un po' i calcoli con l'altra fascia che ha 10 resistenze in serie da 2,2 Ohm.
Mi sembra non cambi nulla tranne Rs che dovrebbe valere 1,785 Ohm e una potenza di 900mW.
Non ho trovato resistenze da 1W quindi sto ordinando resistenze da 2W e, in questo caso, quella più vicina è da 1,8 Ohm.
Procedo? :)
Grazie mille,
G.
ho fatto un po' i calcoli con l'altra fascia che ha 10 resistenze in serie da 2,2 Ohm.
Mi sembra non cambi nulla tranne Rs che dovrebbe valere 1,785 Ohm e una potenza di 900mW.
Non ho trovato resistenze da 1W quindi sto ordinando resistenze da 2W e, in questo caso, quella più vicina è da 1,8 Ohm.
Procedo? :)
Grazie mille,
G.
41 messaggi
• Pagina 4 di 5 • 1, 2, 3, 4, 5
Chi c’è in linea
Visitano il forum: Nessuno e 83 ospiti

Elettrotecnica e non solo (admin)
Un gatto tra gli elettroni (IsidoroKZ)
Esperienza e simulazioni (g.schgor)
Moleskine di un idraulico (RenzoDF)
Il Blog di ElectroYou (webmaster)
Idee microcontrollate (TardoFreak)
PICcoli grandi PICMicro (Paolino)
Il blog elettrico di carloc (carloc)
DirtEYblooog (dirtydeeds)
Di tutto... un po' (jordan20)
AK47 (lillo)
Esperienze elettroniche (marco438)
Telecomunicazioni musicali (clavicordo)
Automazione ed Elettronica (gustavo)
Direttive per la sicurezza (ErnestoCappelletti)
EYnfo dall'Alaska (mir)
Apriamo il quadro! (attilio)
H7-25 (asdf)
Passione Elettrica (massimob)
Elettroni a spasso (guidob)
Bloguerra (guerra)





