Movimentazione tapparelle tramite Arduino
Moderatore:
Paolino
21 messaggi
• Pagina 2 di 3 • 1, 2, 3
0
voti
Che gentile!! Grazie mille Pietro...
Risposta davvero completa!!
Mi piacerebbe sapere come hai dimensionato i componenti!
Magari imparo qualcosa...:)
Risposta davvero completa!!
Mi piacerebbe sapere come hai dimensionato i componenti!
Magari imparo qualcosa...:)
5
voti
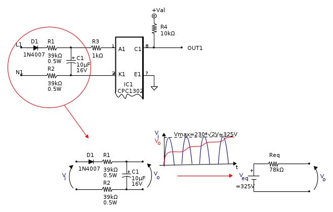
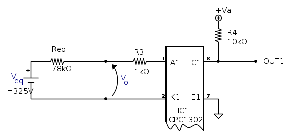
ok, vediamo allora come ho progettato il circuito.
Come prima cosa devo ottenere una tensione continua e sufficientemente bassa, partendo dalla tensione di rete.
Prendiamo lo schema che ho fatto, tagliandolo in due, in modo da avere un solo stadio del circuito (l'altro è perfettamente identico):
Isoliamo la parte cerchiata in rosso, cercandone un equivalente.
D1 è in conduzione solo quando la sinusoide in ingresso è positiva e, quando lo è, il gruppo RC a valle si caricherà molto lentamente, avendo una costante di tempo molto più grande di 10ms, pari al tempo di un semiperiodo di rete.
Quando il segno della sinusoide di ingresso si inverte D1 smette di condurre e C1 non ha dove scaricarsi, per cui la sua tensione resta costante (assumendo il condensatore come ideale, cosa che in questo caso è ragionevolmente vera) al valore appena assunto.
La sinusoide torna quindi ad essere positiva e il condensatore riprende a caricarsi.
Ho quindi fatto un rivelatore di picco lento
E' chiaro che, aspettando un tempo sufficiente, il condensatore si caricherà al valore massimo della tensione di rete, pari a 325V circa, e ci resterà indefinitamente.
L'andamento della tensione Vo è quindi quello che ti ho riportato in rosso, sul grafico.
Posso quindi, sostanzialmente, considerare quel circuito equivalente ad una batteria, con una resistenza in serie pari alla somma delle due resistenze che "vede" il condensatore.
Primo quesito che mi chiederai:
"perché hai messo due resistenze e non una sola, in serie al condensatore?"
perché le resistenze RC06 o RC05, cioè quelle "classiche" da millefori, hanno una tensione massima sopportabile di circa 150-200V, quindi non è saggio sottoporle alla tensione di rete, violando i limiti di progettazione dichiarati dal costruttore. Lo so che i cinesi se ne fregano, ma non per questo hanno ragione
Secondo quesito:
"Se la tensione equivalente è di 325V, come mai hai messo un elettrolitico da 16V?"
perché 325V è la tensione a vuoto, cioè quella che ci sarebbe se a valle di quel circuito non ci fosse collegato nulla. Noi collegheremo un carico, che farà calare la tensione sul condensatore.
Certamente, se ci fosse un guasto, per esempio se si staccasse la resistenza R3 oppure il pin 1 o 2 dell'integrato, la tensione su C1 salirebbe fino a farlo esplodere.
Non mi è sembrato il caso di considerare questa eventualità, ma, nel caso tu invece voglia farlo, per rendere il circuito immune da questo problema, dovresti mettere un condensatore in grado di sopportare 400V.
Non l'ho fatto perché dovresti metterne 10 e questo condensatore sarebbe ingombrante e costoso.
Non mi sembra il caso.
Adesso che abbiamo un modello (moooolto approssimato), usiamolo caricandolo con il led del fotoaccoppiatore:
Se calcoliamo la corrente circolante nel circuito otteniamo:

dove VL è la tensione diretta del LED interno al fotoaccoppiatore, che, da data sheet possiamo assumere pari 1.3V (sarebbe trascurabile rispetto a Veq, ma ho preferito riportarla lo stesso).
Se fai il conto dovresti ottenere circa 4mA.
Il LED interno funziona da 1mA fino a 20mA circa. 4mA mi è sembrato un buon compromesso per non avere la corrente radente al minimo e non avere la Req che dissipi troppa potenza.
Già, ma quanto dissipa Req?
ATTENZIONE: il modello che abbiamo utilizzato finora non è valido per calcolare la potenza, perché la potenza (essendo pari al prodotto tensione per corrente) non è lineare!
Ragioniamo così: se la resistenza da 78kΩ fosse posta in parallelo alla rete dissiperebbe
.
poiché abbiamo interposto un diodo in serie, ne dissiperà metà, quindi 0.34W.
poiché le resistenze sono due uguali si dividono equamente la potenza dissipata, pari quindi a 0.17W.
Ho messo delle resistenze da mezzo W per dare al circuito un po' di robustezza agli spike e altre porcherie che possono essere presenti in rete.
Dobbiamo ancora dimensionare la tensione sul condensatore.
Applichiamo Millman:

Come vedi la tensione sul condensatore è ben minore di 325V
Per garantire un po' di robustezza al circuito ho inserito una capacità di 16V.
Volendo essere più garantisti si potrebbe metterne una da 25V o da 50V, per offrire più protezione nel caso di sovratensioni o spikes. 400V se si vuole una protezione contro i guasti del circuito. Come ripeto non mi sembra il caso.
Notare che i calcoli fatti fin qui sono approssimati, perché la tensione ai capi del condensatore è tutt'altro che costante, infatti oscilla tra transitorio di carica per opera di D1 e transitorio di scarica (quando D1 è OFF e invece il LED assorbe ancora corrente, fornita dal condensatore).
Queste oscillazioni sono smorzate in uscita dalla saturazione del fotodarlington di uscita, che (da data sheet) con 1mA sul LED garantisce una corrente di uscita pari a 10mA.
Se comunque non dovesse bastare potrai aumentare un po' la capacità C1, al prezzo di una maggiore lentezza di risposta del circuito.
La resistenza di uscita R4, viste le prestazioni del circuito, è stata posta a 10kΩ come da (brutta
) consuetudine.
Un progetto più serio di questa resistenza tiene in considerazione l'ingresso della logica che segue, ma, in questo caso specifico non mi sembrava un problema.
Ciao,
Pietro.
Come prima cosa devo ottenere una tensione continua e sufficientemente bassa, partendo dalla tensione di rete.
Prendiamo lo schema che ho fatto, tagliandolo in due, in modo da avere un solo stadio del circuito (l'altro è perfettamente identico):
Isoliamo la parte cerchiata in rosso, cercandone un equivalente.
D1 è in conduzione solo quando la sinusoide in ingresso è positiva e, quando lo è, il gruppo RC a valle si caricherà molto lentamente, avendo una costante di tempo molto più grande di 10ms, pari al tempo di un semiperiodo di rete.
Quando il segno della sinusoide di ingresso si inverte D1 smette di condurre e C1 non ha dove scaricarsi, per cui la sua tensione resta costante (assumendo il condensatore come ideale, cosa che in questo caso è ragionevolmente vera) al valore appena assunto.
La sinusoide torna quindi ad essere positiva e il condensatore riprende a caricarsi.
Ho quindi fatto un rivelatore di picco lento
E' chiaro che, aspettando un tempo sufficiente, il condensatore si caricherà al valore massimo della tensione di rete, pari a 325V circa, e ci resterà indefinitamente.
L'andamento della tensione Vo è quindi quello che ti ho riportato in rosso, sul grafico.
Posso quindi, sostanzialmente, considerare quel circuito equivalente ad una batteria, con una resistenza in serie pari alla somma delle due resistenze che "vede" il condensatore.
Primo quesito che mi chiederai:
"perché hai messo due resistenze e non una sola, in serie al condensatore?"
perché le resistenze RC06 o RC05, cioè quelle "classiche" da millefori, hanno una tensione massima sopportabile di circa 150-200V, quindi non è saggio sottoporle alla tensione di rete, violando i limiti di progettazione dichiarati dal costruttore. Lo so che i cinesi se ne fregano, ma non per questo hanno ragione
Secondo quesito:
"Se la tensione equivalente è di 325V, come mai hai messo un elettrolitico da 16V?"
perché 325V è la tensione a vuoto, cioè quella che ci sarebbe se a valle di quel circuito non ci fosse collegato nulla. Noi collegheremo un carico, che farà calare la tensione sul condensatore.
Certamente, se ci fosse un guasto, per esempio se si staccasse la resistenza R3 oppure il pin 1 o 2 dell'integrato, la tensione su C1 salirebbe fino a farlo esplodere.
Non mi è sembrato il caso di considerare questa eventualità, ma, nel caso tu invece voglia farlo, per rendere il circuito immune da questo problema, dovresti mettere un condensatore in grado di sopportare 400V.
Non l'ho fatto perché dovresti metterne 10 e questo condensatore sarebbe ingombrante e costoso.
Non mi sembra il caso.
Adesso che abbiamo un modello (moooolto approssimato), usiamolo caricandolo con il led del fotoaccoppiatore:
Se calcoliamo la corrente circolante nel circuito otteniamo:

dove VL è la tensione diretta del LED interno al fotoaccoppiatore, che, da data sheet possiamo assumere pari 1.3V (sarebbe trascurabile rispetto a Veq, ma ho preferito riportarla lo stesso).
Se fai il conto dovresti ottenere circa 4mA.
Il LED interno funziona da 1mA fino a 20mA circa. 4mA mi è sembrato un buon compromesso per non avere la corrente radente al minimo e non avere la Req che dissipi troppa potenza.
Già, ma quanto dissipa Req?
ATTENZIONE: il modello che abbiamo utilizzato finora non è valido per calcolare la potenza, perché la potenza (essendo pari al prodotto tensione per corrente) non è lineare!
Ragioniamo così: se la resistenza da 78kΩ fosse posta in parallelo alla rete dissiperebbe
.poiché abbiamo interposto un diodo in serie, ne dissiperà metà, quindi 0.34W.
poiché le resistenze sono due uguali si dividono equamente la potenza dissipata, pari quindi a 0.17W.
Ho messo delle resistenze da mezzo W per dare al circuito un po' di robustezza agli spike e altre porcherie che possono essere presenti in rete.
Dobbiamo ancora dimensionare la tensione sul condensatore.
Applichiamo Millman:

Come vedi la tensione sul condensatore è ben minore di 325V
Per garantire un po' di robustezza al circuito ho inserito una capacità di 16V.
Volendo essere più garantisti si potrebbe metterne una da 25V o da 50V, per offrire più protezione nel caso di sovratensioni o spikes. 400V se si vuole una protezione contro i guasti del circuito. Come ripeto non mi sembra il caso.
Notare che i calcoli fatti fin qui sono approssimati, perché la tensione ai capi del condensatore è tutt'altro che costante, infatti oscilla tra transitorio di carica per opera di D1 e transitorio di scarica (quando D1 è OFF e invece il LED assorbe ancora corrente, fornita dal condensatore).
Queste oscillazioni sono smorzate in uscita dalla saturazione del fotodarlington di uscita, che (da data sheet) con 1mA sul LED garantisce una corrente di uscita pari a 10mA.
Se comunque non dovesse bastare potrai aumentare un po' la capacità C1, al prezzo di una maggiore lentezza di risposta del circuito.
La resistenza di uscita R4, viste le prestazioni del circuito, è stata posta a 10kΩ come da (brutta
Un progetto più serio di questa resistenza tiene in considerazione l'ingresso della logica che segue, ma, in questo caso specifico non mi sembrava un problema.
Ciao,
Pietro.
-

PietroBaima
90,7k 7 12 13 - G.Master EY

- Messaggi: 12206
- Iscritto il: 12 ago 2012, 1:20
- Località: Londra
2
voti
La resistenza equivalente di un circuito non lineare e` un casino, dato che la si deve mediare. Ci sono due o tre possibilita` di fare quella stima.
Visto che dopo hai un condensatore e il carico, quindi un nodo in cui si conserva la corrente media, e che la tensione di uscita sara` bassa rispetto all'ingresso, tanto vale mettere il valore medio della tensione dopo il diodo, che vale
. A questo punto, no matter what c'e` dopo, la corrente media erogata vale con buona precisione 1.3mA.
Ora devo scappare, poi continuo.
Visto che dopo hai un condensatore e il carico, quindi un nodo in cui si conserva la corrente media, e che la tensione di uscita sara` bassa rispetto all'ingresso, tanto vale mettere il valore medio della tensione dopo il diodo, che vale
. A questo punto, no matter what c'e` dopo, la corrente media erogata vale con buona precisione 1.3mA. Ora devo scappare, poi continuo.
Per usare proficuamente un simulatore, bisogna sapere molta più elettronica di lui
Plug it in - it works better!
Il 555 sta all'elettronica come Arduino all'informatica! (entrambi loro malgrado)
Se volete risposte rispondete a tutte le mie domande
Plug it in - it works better!
Il 555 sta all'elettronica come Arduino all'informatica! (entrambi loro malgrado)
Se volete risposte rispondete a tutte le mie domande
1
voti
ottimo, non vedo l'ora di leggerti! Grazie!
Pietro
Pietro
-

PietroBaima
90,7k 7 12 13 - G.Master EY

- Messaggi: 12206
- Iscritto il: 12 ago 2012, 1:20
- Località: Londra
0
voti
Troppo complicato!! :)
Dovrei rispolverare i libri di elettronica!!
Ti ringrazio per il tempo dedicatomi...spero che torni utile anche ad altri!!
Ti farò una domanda e da questa capirai che ci ho capito quasi nulla!!
Premesso che l'interruttore verrà premuto per 2/3 secondi, tuttò ciò funzionerà?!
Quando il D1 non conduce(semionda positiva), cosa succede dal lato delle due resistenze?
Ammettiamo che non ci sia ne la R3, ne il fotoaccoppiatore e il C fosse da 400V,così non esploderebbe(questo l'ho capito).
Grazie in anticipo...
Dovrei rispolverare i libri di elettronica!!
Ti ringrazio per il tempo dedicatomi...spero che torni utile anche ad altri!!
Ti farò una domanda e da questa capirai che ci ho capito quasi nulla!!
Premesso che l'interruttore verrà premuto per 2/3 secondi, tuttò ciò funzionerà?!
Quando il D1 non conduce(semionda positiva), cosa succede dal lato delle due resistenze?
Ammettiamo che non ci sia ne la R3, ne il fotoaccoppiatore e il C fosse da 400V,così non esploderebbe(questo l'ho capito).
Grazie in anticipo...
1
voti
toreg00 ha scritto:Troppo complicato!! :)
E forse anche troppo semplificato!
Sono curioso di sentire cosa ha da dire in merito
toreg00 ha scritto:Dovrei rispolverare i libri di elettronica!!
anche io e, molti, devo ancora studiarli!
toreg00 ha scritto:Ti ringrazio per il tempo dedicatomi...spero che torni utile anche ad altri!!
Penso che tornerà utile a me, come a molti altri.
toreg00 ha scritto:Ti farò una domanda e da questa capirai che ci ho capito quasi nulla!!
Premesso che l'interruttore verrà premuto per 2/3 secondi, tuttò ciò funzionerà?!
dovrebbe, sì.
toreg00 ha scritto:Quando il D1 non conduce(semionda positiva), cosa succede dal lato delle due resistenze?
quando D1 non conduce siamo nella semionda negativa e il condensatore C1 si scarica su R3 e sul LED del fotoaccoppiatore.
Nelle due resistenze in serie a D1 non circola corrente perché quel lato è "aperto" da D1.
toreg00 ha scritto:Ammettiamo che non ci sia ne la R3, ne il fotoaccoppiatore e il C fosse da 400V,così non esploderebbe(questo l'ho capito).
Sì, proprio così.
toreg00 ha scritto:Grazie in anticipo...
Il bello di questo forum è che, nella condivisione del sapere, alla fine tutti impariamo qualcosa, quindi non mi devi ringraziare proprio di nulla.
Se poi vorrai, senza impegno naturalmente, quando avrai realizzato il tutto, potresti concludere il thread con una bella foto del tuo circuito.
Ciao e a presto.
Pietro.
-

PietroBaima
90,7k 7 12 13 - G.Master EY

- Messaggi: 12206
- Iscritto il: 12 ago 2012, 1:20
- Località: Londra
4
voti
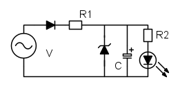
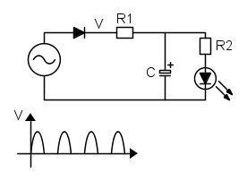
Provo a completare la risposta per quanto riguarda l'equivalente Thevenin del circuito non lineare.
La cosa importante e` che nei circuiti non lineari bisogna avere una idea del punto di funziomanento per poi linearizzare intorno al punto di lavoro, o almeno fare una stima del comportamento intorno al punto di lavoro.
Il circuito originale e` questo
La tensione sul condensatore, anche per ridurne il costo, deve essere di pochi volt, che implica R1>>R2. R1 ed R2 non formano un partitore, poiche' che c'e` un condensatore in mezzo.
Dato che questo circuito deve provvedere una corrente circa continua al led, stabilizzata dal condensatore, si puo` pensare di mediare la tensione presente dopo il diodo. Essendo la tensione sul condensatore molto minore di quella di rete, la corrente in R1 sara` circa proporzionale alla tensione di rete nella semionda positiva, quindi mediare tensione o corrente non fa praticamente differenza.
Il circuito diventa quindi
La tensione media e` di 103V circa e per avere una corrente media di 4mA serve una resistenza complessiva, R1+R2 di circa 25kohm. La potenza su R1 pero` non puo` essere calcolata con la corrente media, ci vuole quella efficace perche' la forma d'onda della corrente non e` costante.
Come detto, se si stacca il carico, la tensione sul condensatore vorrebbe salire fino a circa 325V, e il povero condensatore esplode :( Per evitare questo basta uno zener:
Da notare che se si stacca il carico, l'approssimazione di bassa tensione di uscita non e` piu` valida e quindi anche il modello che predice una tensione massima di 103V sbaglia alla grande.
Se la tensione sul condensatore fosse stata progettata per essere ad esempio 100V, questa approssimazione sulla tensione media non sarebbe stata valida, si doveva mediare direttamente la corrente in R1 (un casino!)
Per avere una tensione circa costante sul condensatore, e quindi una corrente abbastanza stabile attraverso il diodo bisogna fare in modo che la costante di tempo RC sia molto maggiore del periodo della rete. La resistenza che vede il condensatore vale circa R1, essendo R1<<R2. Se si vuole includere anche R2, giusto per farsi del male, bisogna considerare che R2 e` collegata al circuito praticamente per meta` tempo e se si mediano le conduttanze su un periodo si ha che l'effetto di R2 e` come se fosse di valore doppio, in quanto presente solo per meta` del tempo.
Nel circuito presentato R1 vale 1kohm, e serve una costante di tempo abbastanza maggiore del periodo della rete, quindi molte decine di microfarad di capacita`, ma questo comporta un ritardo nell'accensione del fotoaccoppiatore.
Ci sono altri modelli che si possono fare con i raddrizzatori. Ad esempio si puo` fare un equivalente Thevenin medio del raddrizzatore "normale", nell'ipotesi di piccolo ripple.
La tensione equivalente e` il picco dell'alternata, mentre la resistenza equivalente, sempre nell'ipotesi di piccolo ripple, vale
. Se il raddrizzatore fosse stato a doppia semionda, la resistenza equivalente sarebbe stata la meta`.
Il modello presentato nel messaggio [12] e` quello che ci sarabbe se ci fosse diodo, condensatore anche solo da 10uF, poi la resistenza da 78kohm. Il ripple picco picco sarebbe stato di 8V, e la resistenza equivalente, calcolata con la formula data prima, di circa 1kohm: si sarebbe stati in pieno nel caso di piccolo ripple. D'altra parte pero` il condensatore doveva essere da 400V di tensione di lavoro.
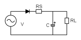
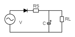
Il caso invece di questo thread, con una resistenza di carico RL e una resistenza in serie al diodo RS, come in questa figura, dove i valori di RS e RL non sono vincolati da disuguaglianze come nei casi precedenti, non e` in generale trattato.
L'unico testo che conosco che tratta questo caso e` il vecchio Gray-Searle Principle of Electronics, del 1969, e dopo l'impostazione generale fa l'ipotesi che RS sia abbastanza minore di RL.
Il caso generale, se non ho fatto troppi errori di conto, da` questa equazione
oppure, con arditi passaggi matematici come diceva un mio prof,

da cui uno si ricava quello che gli serve.
Per esempio nel caso di questo thread, supponendo di volere 5V sul condensatore e una corrente sul carico di 4mA, con 325V di tensione di picco all'ingresso, si ha che la resistenza equivalente vale 1.25kohm, e andando a sostituire i valori nell'espressione precendente si ottiene RS=25.2kohm, come calcolato prima.
La cosa importante e` che nei circuiti non lineari bisogna avere una idea del punto di funziomanento per poi linearizzare intorno al punto di lavoro, o almeno fare una stima del comportamento intorno al punto di lavoro.
Il circuito originale e` questo
La tensione sul condensatore, anche per ridurne il costo, deve essere di pochi volt, che implica R1>>R2. R1 ed R2 non formano un partitore, poiche' che c'e` un condensatore in mezzo.
Dato che questo circuito deve provvedere una corrente circa continua al led, stabilizzata dal condensatore, si puo` pensare di mediare la tensione presente dopo il diodo. Essendo la tensione sul condensatore molto minore di quella di rete, la corrente in R1 sara` circa proporzionale alla tensione di rete nella semionda positiva, quindi mediare tensione o corrente non fa praticamente differenza.
Il circuito diventa quindi
La tensione media e` di 103V circa e per avere una corrente media di 4mA serve una resistenza complessiva, R1+R2 di circa 25kohm. La potenza su R1 pero` non puo` essere calcolata con la corrente media, ci vuole quella efficace perche' la forma d'onda della corrente non e` costante.
Come detto, se si stacca il carico, la tensione sul condensatore vorrebbe salire fino a circa 325V, e il povero condensatore esplode :( Per evitare questo basta uno zener:
Da notare che se si stacca il carico, l'approssimazione di bassa tensione di uscita non e` piu` valida e quindi anche il modello che predice una tensione massima di 103V sbaglia alla grande.
Se la tensione sul condensatore fosse stata progettata per essere ad esempio 100V, questa approssimazione sulla tensione media non sarebbe stata valida, si doveva mediare direttamente la corrente in R1 (un casino!)
Per avere una tensione circa costante sul condensatore, e quindi una corrente abbastanza stabile attraverso il diodo bisogna fare in modo che la costante di tempo RC sia molto maggiore del periodo della rete. La resistenza che vede il condensatore vale circa R1, essendo R1<<R2. Se si vuole includere anche R2, giusto per farsi del male, bisogna considerare che R2 e` collegata al circuito praticamente per meta` tempo e se si mediano le conduttanze su un periodo si ha che l'effetto di R2 e` come se fosse di valore doppio, in quanto presente solo per meta` del tempo.
Nel circuito presentato R1 vale 1kohm, e serve una costante di tempo abbastanza maggiore del periodo della rete, quindi molte decine di microfarad di capacita`, ma questo comporta un ritardo nell'accensione del fotoaccoppiatore.
Ci sono altri modelli che si possono fare con i raddrizzatori. Ad esempio si puo` fare un equivalente Thevenin medio del raddrizzatore "normale", nell'ipotesi di piccolo ripple.
La tensione equivalente e` il picco dell'alternata, mentre la resistenza equivalente, sempre nell'ipotesi di piccolo ripple, vale
. Se il raddrizzatore fosse stato a doppia semionda, la resistenza equivalente sarebbe stata la meta`.Il modello presentato nel messaggio [12] e` quello che ci sarabbe se ci fosse diodo, condensatore anche solo da 10uF, poi la resistenza da 78kohm. Il ripple picco picco sarebbe stato di 8V, e la resistenza equivalente, calcolata con la formula data prima, di circa 1kohm: si sarebbe stati in pieno nel caso di piccolo ripple. D'altra parte pero` il condensatore doveva essere da 400V di tensione di lavoro.
Il caso invece di questo thread, con una resistenza di carico RL e una resistenza in serie al diodo RS, come in questa figura, dove i valori di RS e RL non sono vincolati da disuguaglianze come nei casi precedenti, non e` in generale trattato.
L'unico testo che conosco che tratta questo caso e` il vecchio Gray-Searle Principle of Electronics, del 1969, e dopo l'impostazione generale fa l'ipotesi che RS sia abbastanza minore di RL.
Il caso generale, se non ho fatto troppi errori di conto, da` questa equazione
oppure, con arditi passaggi matematici come diceva un mio prof, 
da cui uno si ricava quello che gli serve.
Per esempio nel caso di questo thread, supponendo di volere 5V sul condensatore e una corrente sul carico di 4mA, con 325V di tensione di picco all'ingresso, si ha che la resistenza equivalente vale 1.25kohm, e andando a sostituire i valori nell'espressione precendente si ottiene RS=25.2kohm, come calcolato prima.
Per usare proficuamente un simulatore, bisogna sapere molta più elettronica di lui
Plug it in - it works better!
Il 555 sta all'elettronica come Arduino all'informatica! (entrambi loro malgrado)
Se volete risposte rispondete a tutte le mie domande
Plug it in - it works better!
Il 555 sta all'elettronica come Arduino all'informatica! (entrambi loro malgrado)
Se volete risposte rispondete a tutte le mie domande
2
voti
Grazie!
-

PietroBaima
90,7k 7 12 13 - G.Master EY

- Messaggi: 12206
- Iscritto il: 12 ago 2012, 1:20
- Località: Londra
0
voti
no, perché...
ci siamo solo messi a discutere di un po' di interessante teoria.
Comincia a montare lo schema che ti ho dato io, poi se non va cambiamo una resistenza!
-

PietroBaima
90,7k 7 12 13 - G.Master EY

- Messaggi: 12206
- Iscritto il: 12 ago 2012, 1:20
- Località: Londra
21 messaggi
• Pagina 2 di 3 • 1, 2, 3
Torna a Realizzazioni, interfacciamento e nozioni generali.
Chi c’è in linea
Visitano il forum: Nessuno e 5 ospiti

Elettrotecnica e non solo (admin)
Un gatto tra gli elettroni (IsidoroKZ)
Esperienza e simulazioni (g.schgor)
Moleskine di un idraulico (RenzoDF)
Il Blog di ElectroYou (webmaster)
Idee microcontrollate (TardoFreak)
PICcoli grandi PICMicro (Paolino)
Il blog elettrico di carloc (carloc)
DirtEYblooog (dirtydeeds)
Di tutto... un po' (jordan20)
AK47 (lillo)
Esperienze elettroniche (marco438)
Telecomunicazioni musicali (clavicordo)
Automazione ed Elettronica (gustavo)
Direttive per la sicurezza (ErnestoCappelletti)
EYnfo dall'Alaska (mir)
Apriamo il quadro! (attilio)
H7-25 (asdf)
Passione Elettrica (massimob)
Elettroni a spasso (guidob)
Bloguerra (guerra)



pigreco]=π




