B E L L I S S I M O !
Poi sarei io ad evere le idee geniali, eh?
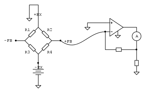
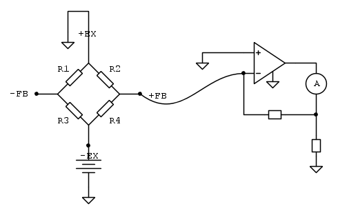
carloc ha scritto:e anziwhat about bias and offset dell'op-amp
![]()
Aspetta, aspetta...
quando ho un attimo mi ci metto
Ciao,
Pietro.
PS: che non ci sgami

Moderatori:
g.schgor,
IsidoroKZ
carloc ha scritto:e anziwhat about bias and offset dell'op-amp
![]()



PietroBaima ha scritto:Poi sarei io ad evere le idee geniali, eh?


PietroBaima ha scritto:PS: che non ci sgami DirtyDeeds a lavorare sul ponte enigmistico... anche se qualcosa mi dice che ormai sia troppo tardi...
instead of
(Anonimo).
ain't
, right?
in lieu of
.
for
arithm.


JeanValjean ha scritto:la seconda soluzione non l'ho capita, a partire dalla sua presunta serietà. Era una boutade?
JeanValjean ha scritto:Forse considerava solo gli effetti teorici o funziona davvero?
JeanValjean ha scritto:Voglio dire, si può davvero utilizzare un, che so, LM741 e farlo funzionare?
JeanValjean ha scritto:Grazie comunque della considerazione.


Torna a Elettrotecnica generale
Visitano il forum: Nessuno e 10 ospiti