ho ralizzato un semplice programma utilizzando la Easy PIC 5 della Microchip che fa lampeggiare un led.
Sto utilizzando il Mikrobasic così configurato:
- PIC 16F877A
- Clock 8MHz
- _PWRTE_ON
- _WDT_OFF
- _HS_OSC
Il codice (semplicissimo perché si tratta di un esempio) è il seguente:
- Codice: Seleziona tutto
program Lampeggio
main:
trisb.0=0
Label:
portb.0=1
Delay_ms(2000)
portb.0=0
Delay_ms(2000)
goto Label
End.
Ora sulla Easy PIC tutto funziona perfettamente ma quando monto il PIC sulla mia bread board la portb.0 rimane a livello logico basso (0V) senza effettuare il lampeggio.
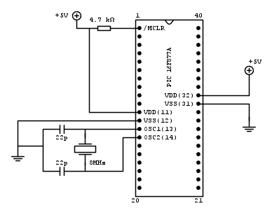
Ho realizzato il seguente schema elettrico:
Allego anche alcune foto.
Non riesco a capire dove sbaglio o se c'è qualcosa di errato nella configurazione, programmazione o realizzazione del circuito.
Qualcuno di voi riesce a darmi qualche suggerimento?
Grazie mille.

Elettrotecnica e non solo (admin)
Un gatto tra gli elettroni (IsidoroKZ)
Esperienza e simulazioni (g.schgor)
Moleskine di un idraulico (RenzoDF)
Il Blog di ElectroYou (webmaster)
Idee microcontrollate (TardoFreak)
PICcoli grandi PICMicro (Paolino)
Il blog elettrico di carloc (carloc)
DirtEYblooog (dirtydeeds)
Di tutto... un po' (jordan20)
AK47 (lillo)
Esperienze elettroniche (marco438)
Telecomunicazioni musicali (clavicordo)
Automazione ed Elettronica (gustavo)
Direttive per la sicurezza (ErnestoCappelletti)
EYnfo dall'Alaska (mir)
Apriamo il quadro! (attilio)
H7-25 (asdf)
Passione Elettrica (massimob)
Elettroni a spasso (guidob)
Bloguerra (guerra)





