Cos'è ElectroYou | Login Iscriviti

ElectroYou - la comunità dei professionisti del mondo elettrico

apriporta wireless

Piccole automazioni, installazioni elettroniche e domotica
0
voti

[1] apriporta wireless

Messaggioda Foto Utenteshadyeclipse » 27 gen 2015, 13:56

buongiorno a tutti,
vorrei chiedere un'informazione.
abito in un condominio col classico apriporta comandabile sia dal pulsante ingresso che dal citofono interno ad ogni appartamento.
sarei interessato all'azionamento tramite telecomando dell'apriporta (in modo che arrivando dall'esterno non servirebbero più le chiavi).
in rete sono reperibili appositi kit composti da ricevente più telecomando che si collegano in parallelo al pulsante apriporta e non necessitano di alimentazione.
questo però richiederebbe che io ''toccassi'' l'impianto condominiale con problemi e responsabilità annesse e connesse.
chiedo cortesemente se con il kit in questione (o in qualsiasi altro modo voi mi suggeriate) sia possibile collegarsi direttamente al pulsante apriporta del citofono.
la mia idea sarebbe di collegare il kit in parallelo al pulsante del citofono direttamente sulla scheda, ma da perfetto ignorante non mi spiego come questo NON necessiti di alimentazione.
l'alternativa sarebbe quella di utilizzate una normale ricevente a impulso monostabile con telecomando dedicato che alla pressione del telecomando chiuderebbe il contatto dell'apriporta ( sempre collegato in parallelo direttamente sulla scheda del citofono) ma in questo caso non saprei come alimentare la ricevente: se prendessi i 12v volt del bus del citofono ci sarebbero problemi/interferenze col normale funzionamento del citofono?
se può essere utile il mio citofono è un comelit style funzionamento a due fili e il kit in questione è di questo tipo
Immagine
Avatar utente
Foto Utenteshadyeclipse
10 2
 
Messaggi: 22
Iscritto il: 27 gen 2015, 13:24

0
voti

[2] Re: apriporta wireless

Messaggioda Foto Utentemaxx » 27 gen 2015, 14:04

Se la ricevente è dentro casa a fianco del citofono ho qualche dubbio che quel telecomando ci arrivi. Peromeno con il mio di apertura serranda garage devo essere proprio vicino
Avatar utente
Foto Utentemaxx
261 4
Frequentatore
Frequentatore
 
Messaggi: 135
Iscritto il: 15 apr 2012, 20:28

0
voti

[3] Re: apriporta wireless

Messaggioda Foto Utenteshadyeclipse » 27 gen 2015, 14:13

per quanto il raggio d'azione non c'è problema perché in linea d'aria ci sono meno di 10 metri e come ostacolo c'è soltanto il vetro di una portafinestra. dall'interno col telecomando riesco ad aprire il cancello elettrico la cui ricevente è situata almeno al doppio della distanza a cui dovrebbe lavorare questa nuova installazione.
intanto comunque grazie mille per la risposta velocissima
Avatar utente
Foto Utenteshadyeclipse
10 2
 
Messaggi: 22
Iscritto il: 27 gen 2015, 13:24

0
voti

[4] Re: apriporta wireless

Messaggioda Foto Utentemaxx » 27 gen 2015, 15:43

Ciao, è chiaro che la ricevente del kit richiede una linea di alimentazione, a meno che non funzioni a batteria; lo schema mostra solo il contatto di chiusura con l'alimentazione dell'apriporta, omettendo l'alimentazione del circuito. Utilizzando l'alimentazione del citofono, sempre che sia disponibile, vai inserire un carico su un impianto condominiale. Io utilizzerei un piccolo alimentatore dedicato. Non hai una presa di corrente vicino al citofono?
Avatar utente
Foto Utentemaxx
261 4
Frequentatore
Frequentatore
 
Messaggi: 135
Iscritto il: 15 apr 2012, 20:28

0
voti

[5] Re: apriporta wireless

Messaggioda Foto Utenteshadyeclipse » 27 gen 2015, 15:47

è proprio quello il mio dubbio: i venditori del kit sostengono che non abbia bisogno di alimentazione in quanto la preleverebbe direttamente dal pulsante collegatogli.
è proprio quello che non mi spiego.

si a questo punto forse hai ragione mi conviene alimentare separatemente, in qualche modo riesco a portare i cavi
Avatar utente
Foto Utenteshadyeclipse
10 2
 
Messaggi: 22
Iscritto il: 27 gen 2015, 13:24

0
voti

[6] Re: apriporta wireless

Messaggioda Foto Utenteelettroigor » 27 gen 2015, 17:41

Personalmente prima di procedere all'acquisto rifletterei bene

1) quell'affare non può funzionare ad aria, ha bisogno di alimentazione e viste le dimensioni si tratterà di 12/24 V.Quindi avrà bisogno di un trasformatore.
2) generalmente i sistemi due fili per interagire con apparati esterni hanno attuatori appositi
3) l'attuatore della serratura è quasi sempre nel posto esterno
4) non è perché il citofono è dentro casa tua puoi fare cio che vuoi,rispondi comunque dei danni
5) sicuro di avere i contatti del pulsante apriporta a vista? Molti sono integrati

il mio è solo un ragionamento :mrgreen: sicuramente mi sbaglio O_/
Avatar utente
Foto Utenteelettroigor
2.063 1 5 12
Expert free
 
Messaggi: 780
Iscritto il: 22 gen 2011, 0:02

0
voti

[7] Re: apriporta wireless

Messaggioda Foto Utenteshadyeclipse » 27 gen 2015, 18:08

nono assolutamente hai ragione su tutto:
1)appunto per quello non capivo come venisse alimentato e ho espresso il mio dubbio e volevo capire se qualcuno di voi ne sapesse di più: mi trovo davanti a un venditore che continua a insistere che il kit non ha bisogno di alimentazione esterna e che la preleva direttamente dal pulsante a cui è collegato. ancora non spiego come però.
2)per quello chiedevo se potevo causare interferenze
3)non ho capito cosa intendi, quello che intendo io è di collegarmi al pulsante apriporta del mio citofono interno che posso azionare indipendentemente dalla posizione della cornetta e dal fatto che qualcuno abbia suonato o meno il campanello
4)assolutamente, ne sono consapevole. proprio per questo motivo prima di comprare un kit di cui non ho ancora capito il funzionamento con cui potrei fare danni sono aperto a tutte le soluzioni possibili e più sicure
5)i contatti sono integrati sulla scheda del citofono, ma io (correggetemi se sbaglio) pensavo di saldare i due fili che mi occorrono direttamente sul retro della scheda. ho già smontato e controllato, c'è sufficiente spazio per fare un lavoro pulito



per ovviare ai problemi 1) e 2) mi pare di capire che maxx suggerisca di comprare una normale ricevente monostabile e di alimentarla con un'alimentazione separata (non toccando quindi i 12 volt bus del citofono). da collegare poi in uscita al contatto apriporta del mio citofono

aperto a qualsiasi consiglio e correggete pure se ho scritto delle cavolate, ci mancherebbe.
Ultima modifica di Foto Utenteshadyeclipse il 27 gen 2015, 18:15, modificato 1 volta in totale.
Avatar utente
Foto Utenteshadyeclipse
10 2
 
Messaggi: 22
Iscritto il: 27 gen 2015, 13:24

0
voti

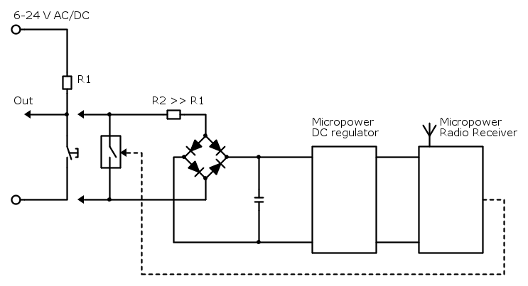
[8] Re: apriporta wireless

Messaggioda Foto UtenteGuidoB » 27 gen 2015, 18:54

Comunque, se l'energia mediamente assorbita dal ricevitore è molto bassa, è possibile che il ricevitore la ricavi direttamente dai morsetti del pulsante, senza disturbarne il normale funzionamento.

Per esempio:


Quindi il venditore potrebbe avere ragione. Bisogna però capire se il dispositivo assorbe una corrente abbastanza bassa da non disturbare il funzionamento del pulsante, e quindi bisogna conoscere le specifiche sia del radioricevitore che del citofono, oppure ricavarle anche con misure, oppure (opzione meno sicura) provare a effettuare il collegamento e vedere se funziona.

Trucchi di "energy harvesting" come questo e più complessi si vedranno sempre più in futuro.
Big fan of ƎlectroYou!       Ausili per disabili e anziani su ƎlectroYou
Caratteri utili: À È É Ì Ò Ó Ù α β γ δ ε η θ λ μ π ρ σ τ φ ω Ω º ª ² ³ √ ∛ ∜ ₀ ₁ ₂ ₃ ₄ ₅ ₆ ∃ ∄ ∆ ∈ ∉ ± ∓ ∾ ≃ ≈ ≠ ≤ ≥
Avatar utente
Foto UtenteGuidoB
17,8k 7 12 13
G.Master EY
G.Master EY
 
Messaggi: 2809
Iscritto il: 3 mar 2011, 16:48
Località: Madrid

0
voti

[9] Re: apriporta wireless

Messaggioda Foto Utenteshadyeclipse » 27 gen 2015, 19:15

:shock: :shock: :shock: ?% ?% ?% ciao, anche io avevo pensato a una cosa del genere anche se in maniera decisamente più semplicistica dato che non sono decisamente così esperto da capire (tradotto: l'aggeggio assorbe talmente poco che si alimenta dal solo collegamento al pulsante).
ti chiedo una cosa: è possibile che l'apparecchio ne tragga alimentazione anche se effettivamente nel pulsante non passa corrente?
mi spiego: il pulsante apriporta è semplicemente un contatto aperto, che va a chiudersi quando io premo. se dunque fino al momento della pressione di corrente non ne passa, come può l'apparecchio alimentarsi e quindi ricevere il segnale del telecomando? ho scritto una stupidata? per quanto riguarda le specifiche mi piacerebbe ma la vedo dura, perché se il venditore non sa spiegarmi come viene alimentato non credo neppure che abbia la possibilità di fornirmi le specifiche... vedo cosa riesco a recuperare....intanto grazie mille :D :D :ok:
Avatar utente
Foto Utenteshadyeclipse
10 2
 
Messaggi: 22
Iscritto il: 27 gen 2015, 13:24

0
voti

[10] Re: apriporta wireless

Messaggioda Foto UtenteGuidoB » 27 gen 2015, 19:43

shadyeclipse ha scritto:ti chiedo una cosa: è possibile che l'apparecchio ne tragga alimentazione anche se effettivamente nel pulsante non passa corrente?

Sì.
È proprio quando il pulsante non è premuto che ai suoi morsetti è presente una tensione. Questa tensione può essere utilizzata per alimentare un carico, purché la corrente assorbita sia abbastanza bassa da non far interpretare il pulsante come "premuto".

Quando invece il pulsante è premuto la tensione ai suoi morsetti è 0. Quindi l'alimentazione in questi brevi periodi deve provenire da energia accumulata in precedenza, tipicamente da un condensatore.

shadyeclipse ha scritto:per quanto riguarda le specifiche mi piacerebbe ma la vedo dura, perché se il venditore non sa spiegarmi come viene alimentato non credo neppure che abbia la possibilità di fornirmi le specifiche

Bè, il venditore fa il venditore, mica il progettista di circuiti elettronici. Quindi è già tanto se sa dirti come va collegato. Sapere il funzionamento interno non fa parte del suo lavoro.

Le specifiche e le modalità di collegamento dovrebbero essere riportate sul libretto d'istruzioni allegato all'apparecchio. A volte la casa costruttrice lo rende scaricabile dal suo sito web. O magari il venditore potrebbe gentilmente permetterti di fotografarlo o fotocopiarlo.
Big fan of ƎlectroYou!       Ausili per disabili e anziani su ƎlectroYou
Caratteri utili: À È É Ì Ò Ó Ù α β γ δ ε η θ λ μ π ρ σ τ φ ω Ω º ª ² ³ √ ∛ ∜ ₀ ₁ ₂ ₃ ₄ ₅ ₆ ∃ ∄ ∆ ∈ ∉ ± ∓ ∾ ≃ ≈ ≠ ≤ ≥
Avatar utente
Foto UtenteGuidoB
17,8k 7 12 13
G.Master EY
G.Master EY
 
Messaggi: 2809
Iscritto il: 3 mar 2011, 16:48
Località: Madrid

Prossimo

Torna a Automazione civile

Chi c’è in linea

Visitano il forum: Nessuno e 24 ospiti