Accidenti.. ci sono molte cose da fare.
Bè in effetti partendo da zero non ho molte chance di finire in tempo il circuito, studiarlo e spiegare come funziona.
Progetto per la maturità
Moderatore:
IsidoroKZ
28 messaggi
• Pagina 2 di 3 • 1, 2, 3
0
voti
Voi ne avete in mente qualcuno?
Un più semplice forse potebbe essere questo :
Chiedo scusa se non è completo, ora provo a esporlo.
Su ogni pulsante è scritto un numero. A seconda del pulsante che premo il suo numero viene visualizzato sui led. Per esempio se premo il tasto "3" si accendono i led giusti per far comparire il 3.
Altrimenti ditemi qualche altra vostra idea, grazie.
Un più semplice forse potebbe essere questo :
Chiedo scusa se non è completo, ora provo a esporlo.
Su ogni pulsante è scritto un numero. A seconda del pulsante che premo il suo numero viene visualizzato sui led. Per esempio se premo il tasto "3" si accendono i led giusti per far comparire il 3.
Altrimenti ditemi qualche altra vostra idea, grazie.
1
voti
Dico la mia, visto che anche io mi sono diplomato perito elettronico (industriale) anche se poi ho esercitato solo marginalmente in questo settore ma comunque mi è rimasta la passione a livello hobbistico.
Qualunque circuito tu porti deve rappresentare la messa in pratica di nozioni teoriche che hai acquisito; solo se saprai convincere chi ti esamina del fatto che tu sei stato in grado di progettarlo da solo riuscirai ad ottenere il risultato voluto, altrimenti in rete si trova di tutto e questo i prof lo sanno, quindi non bastano spiegazioni sommarie.
Ai miei tempi il genio della classe, che non ero certo io, costruì un frequenzimetro con una miriade di integrati e lo progettò da solo avendo studiato la teoria. Quel frequenzimetro complesso, costoso e obsoleto può essere portato anche ora ad un esame perché contiene tutte le nozioni base dell'elettronica digitale sulle quali si basano gli odieni circuiti dedicati complessi che raccolgono tutto in un integrato da 1 cm2, e sono quelle nozioni in parte contenute nell'articolo che ti ha indicato g.schgor
Quindi io partirei analizzando il meglio della teoria che hai acquisito e sceglierei un circuito che la metta in pratica.
Non mi aspetto che tu sia in grado di progettarlo da solo componente per componente come fece il sig. genio ma pretendo che, schema alla mano, tu sia in grado di spiegarne il funzionamento nel minimo dettaglio e tutta la teoria che vi è alla base.
Qualunque circuito tu porti deve rappresentare la messa in pratica di nozioni teoriche che hai acquisito; solo se saprai convincere chi ti esamina del fatto che tu sei stato in grado di progettarlo da solo riuscirai ad ottenere il risultato voluto, altrimenti in rete si trova di tutto e questo i prof lo sanno, quindi non bastano spiegazioni sommarie.
Ai miei tempi il genio della classe, che non ero certo io, costruì un frequenzimetro con una miriade di integrati e lo progettò da solo avendo studiato la teoria. Quel frequenzimetro complesso, costoso e obsoleto può essere portato anche ora ad un esame perché contiene tutte le nozioni base dell'elettronica digitale sulle quali si basano gli odieni circuiti dedicati complessi che raccolgono tutto in un integrato da 1 cm2, e sono quelle nozioni in parte contenute nell'articolo che ti ha indicato g.schgor
Quindi io partirei analizzando il meglio della teoria che hai acquisito e sceglierei un circuito che la metta in pratica.
Non mi aspetto che tu sia in grado di progettarlo da solo componente per componente come fece il sig. genio ma pretendo che, schema alla mano, tu sia in grado di spiegarne il funzionamento nel minimo dettaglio e tutta la teoria che vi è alla base.
2
voti
Se lo scopo è dimostrare che sai applicare le cose studiate,
anche un semplice circuito di conversione da 10 pulsanti
al comando di un display a 7 segmenti può bastare (è un
ottimo esempio di logica combinatoria).
Ma sai scrivere la "tabella di verità" di un tale convertitore?
anche un semplice circuito di conversione da 10 pulsanti
al comando di un display a 7 segmenti può bastare (è un
ottimo esempio di logica combinatoria).
Ma sai scrivere la "tabella di verità" di un tale convertitore?
0
voti
Se hai un portatile. invece che realizzarlo fisicamente
con integrati e saldature, puoi semplicemente
simulare il circuito senza spendere niente.
Puoi infatti realizzarlo in Microcap (versione
Demo gratuita) semplicemente progettando
il circuito che comanda gli ingressi del display:
con integrati e saldature, puoi semplicemente
simulare il circuito senza spendere niente.
Puoi infatti realizzarlo in Microcap (versione
Demo gratuita) semplicemente progettando
il circuito che comanda gli ingressi del display:
0
voti
Scusate se non vi ho più risposto ma ho avuto un po' da fare..
Per il progetto lascio stare per ora, perché sulla tesina andrò a mettere un argomento che riguarda l'elettricità nella storia. Riguarda la materia elettronica.
Ho cercato un po' su wikipedia e ho trovato Edison, Tesla ma non molto.
Quindi vi ringrazio ma per ora devo concentrarmi su questo tipo di cose.
Se alla fine della tesina vorrò fare qualcosa in più vi farò sapere
Per il progetto lascio stare per ora, perché sulla tesina andrò a mettere un argomento che riguarda l'elettricità nella storia. Riguarda la materia elettronica.
Ho cercato un po' su wikipedia e ho trovato Edison, Tesla ma non molto.
Quindi vi ringrazio ma per ora devo concentrarmi su questo tipo di cose.
Se alla fine della tesina vorrò fare qualcosa in più vi farò sapere

0
voti
Eccomi di ritorno
Dunque, la materia della tesina che su cui andrò a lavorare sarà quella di robotica.
Ho pensato, mi sono confrontato e cercato ciò che mi sembrava più giusto fare e alla fine ho deciso.
Il professore mi ha suggerito di portare un progetto che abbia un dispositivo che compia un movimento, per esempio un motore. Quindi mi ha suggerito di portare qualcosa di più complesso rispetto all'utilizzo dei classici led con una fotoresistenza o altro.
Il progetto è questo:
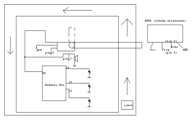
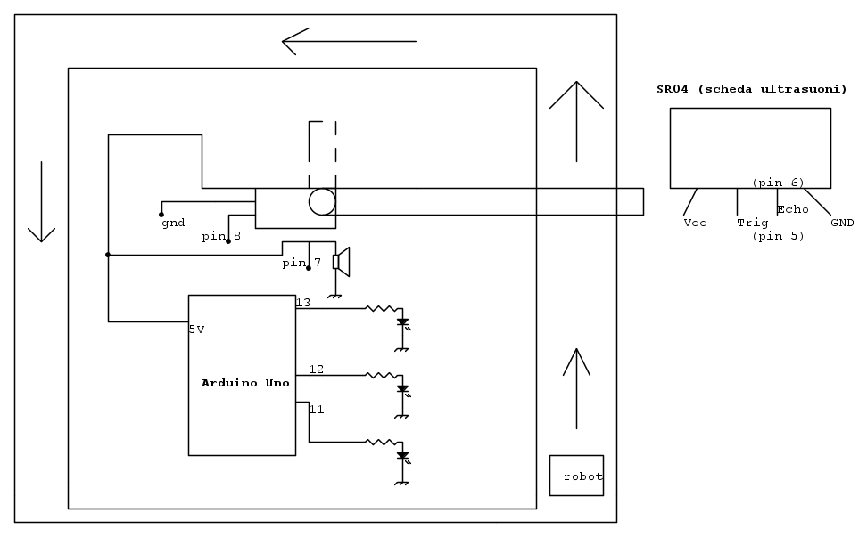
Quando il robot parte e raggiunge parallelamente il primo led, esso si accende, raggiunto il secondo si accende anch'esso (facendo spegnere il precedente), e infine il terzo (facendo spegnere il secondo. La sequenza è: rosso, giallo, verde. Dopo si aziona il suono del buzzer (o altoparlante) e gira l'asse del servomotore facendo aprire la strada al robot. Il robot gira nel suo percorso e ricomincia la sequenza daccapo.
La scheda ultrasuoni serve per sapere a che distanza si trova il robot in modo da far aprire il servo.
Domande:
-La scheda ultrasuoni in che posizione devo metterla ?
-Il robot deve essere un inseguitore di linea che faccia il percorso tracciato all'infinito. Mi conviene comprarne uno o modificare qualcosa io che ho in casa in modo da fargli fare una certa operazione? (non ho mai fatto niente del genere)
-il circuito farà ESATTAMENTE ciò a cui ho pensato?
Grazi a tutti e chiedo scusa per la schifezza di disegno che mi è venuto fuori
Dunque, la materia della tesina che su cui andrò a lavorare sarà quella di robotica.
Ho pensato, mi sono confrontato e cercato ciò che mi sembrava più giusto fare e alla fine ho deciso.
Il professore mi ha suggerito di portare un progetto che abbia un dispositivo che compia un movimento, per esempio un motore. Quindi mi ha suggerito di portare qualcosa di più complesso rispetto all'utilizzo dei classici led con una fotoresistenza o altro.
Il progetto è questo:
Quando il robot parte e raggiunge parallelamente il primo led, esso si accende, raggiunto il secondo si accende anch'esso (facendo spegnere il precedente), e infine il terzo (facendo spegnere il secondo. La sequenza è: rosso, giallo, verde. Dopo si aziona il suono del buzzer (o altoparlante) e gira l'asse del servomotore facendo aprire la strada al robot. Il robot gira nel suo percorso e ricomincia la sequenza daccapo.
La scheda ultrasuoni serve per sapere a che distanza si trova il robot in modo da far aprire il servo.
Domande:
-La scheda ultrasuoni in che posizione devo metterla ?
-Il robot deve essere un inseguitore di linea che faccia il percorso tracciato all'infinito. Mi conviene comprarne uno o modificare qualcosa io che ho in casa in modo da fargli fare una certa operazione? (non ho mai fatto niente del genere)
-il circuito farà ESATTAMENTE ciò a cui ho pensato?
Grazi a tutti e chiedo scusa per la schifezza di disegno che mi è venuto fuori
28 messaggi
• Pagina 2 di 3 • 1, 2, 3
Torna a Elettronica e spettacolo
Chi c’è in linea
Visitano il forum: Nessuno e 8 ospiti

Elettrotecnica e non solo (admin)
Un gatto tra gli elettroni (IsidoroKZ)
Esperienza e simulazioni (g.schgor)
Moleskine di un idraulico (RenzoDF)
Il Blog di ElectroYou (webmaster)
Idee microcontrollate (TardoFreak)
PICcoli grandi PICMicro (Paolino)
Il blog elettrico di carloc (carloc)
DirtEYblooog (dirtydeeds)
Di tutto... un po' (jordan20)
AK47 (lillo)
Esperienze elettroniche (marco438)
Telecomunicazioni musicali (clavicordo)
Automazione ed Elettronica (gustavo)
Direttive per la sicurezza (ErnestoCappelletti)
EYnfo dall'Alaska (mir)
Apriamo il quadro! (attilio)
H7-25 (asdf)
Passione Elettrica (massimob)
Elettroni a spasso (guidob)
Bloguerra (guerra)





