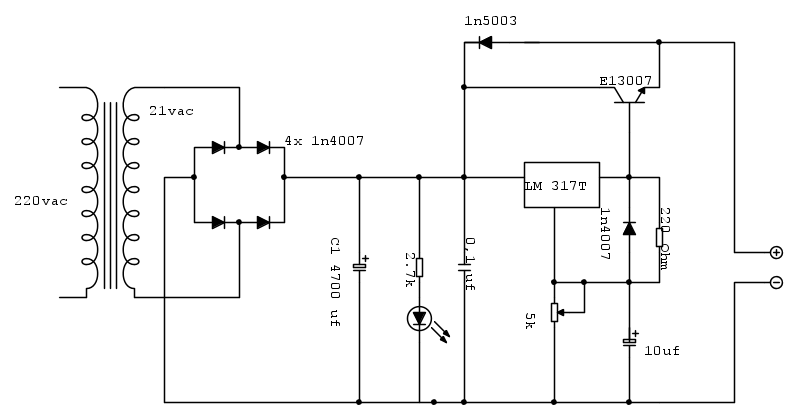
Ciao a tutti di recente costruito il mio primo alimentatore a tensione variabile (4 ampere) ,per il progetto ho preso spunto da libri e qualcosa su internet ,cosi ho buttato giu il seguente schema in allegato, prima di montare tutto su una basetta ho fatto dei collegamenti "volanti" e tutto sembrava funzionare per il meglio,cosi monto tutto su una basetta e facendo gli stessi test effettuati in precedenza sul circuito "volante" mi sono accorto che mettendo un carico che assorbe 1,2 ampere a 12 volt l alimentatore a volte eroga perfettamente questa corrente (anche correnti superiori d 2- 3 ampere) altre volte invece la tensione scende a 0 e il led si spegne come se mettessi l uscita in cortocircuito ,questo capita con qualunque carico...ho notato che quando capita questo lm317 scalda parecchio (tutto e adeguatamente raffreddato ) ....
P.S La tensione ha un range da 5 a 28 volt
Alimentatore tensione variabile
Moderatori:
carloc,
g.schgor,
BrunoValente,
IsidoroKZ
13 messaggi
• Pagina 1 di 2 • 1, 2
0
voti
per me hai fatto una modifica al circuito primario, hai aggiunto il diodo tra collettore ed emettitore del finale ?
quel diodo vanifica il lavoro del transistore finale di potenza.
poi non si capisce bene i collegamenti vari a valle del regolatore in quanto mancano i pallini di connessione.
poi aggiungo che lo schema dovrebbe andare fatto con fidocadj in modo che altri possano modificarlo e aiutarti .
quel diodo vanifica il lavoro del transistore finale di potenza.
poi non si capisce bene i collegamenti vari a valle del regolatore in quanto mancano i pallini di connessione.
poi aggiungo che lo schema dovrebbe andare fatto con fidocadj in modo che altri possano modificarlo e aiutarti .
0
voti
Lo schema Fidocad non deve essere inserito come immagine, così non si può interagire apportando correzioni.
Quando inserisci un argomento o vai in rispondi in alto, sulla destra, tra le opzioni c'è "fcd", clicca lì. Poi vai su Fidocad dove hai il tuo schema, col tasto destro scegli "Seleziona tutto", poi copi e vai ad incollare il sorgente dello schema tra gli fcd nel testo.
Riguardo allo schema la prima cosa che mi salta agli occhi è che il ponte è costituito da diodi che tengono al massimo 1A. Attenzione anche a quel transistor, con 25V di Vce, ad esempio, arriva al massimo a 3A.
Facci anche sapere le caratteristiche di corrente/potenza del trasformatore.
Sarà anche il caso di limitare la tensione di uscita perché tensioni superiori a circa 20/22Vdc difficilmente potranno essere correttamente stabilizzate.
Quando inserisci un argomento o vai in rispondi in alto, sulla destra, tra le opzioni c'è "fcd", clicca lì. Poi vai su Fidocad dove hai il tuo schema, col tasto destro scegli "Seleziona tutto", poi copi e vai ad incollare il sorgente dello schema tra gli fcd nel testo.
Riguardo allo schema la prima cosa che mi salta agli occhi è che il ponte è costituito da diodi che tengono al massimo 1A. Attenzione anche a quel transistor, con 25V di Vce, ad esempio, arriva al massimo a 3A.
Facci anche sapere le caratteristiche di corrente/potenza del trasformatore.
Sarà anche il caso di limitare la tensione di uscita perché tensioni superiori a circa 20/22Vdc difficilmente potranno essere correttamente stabilizzate.
-

FedericoSibona
5.022 3 5 8 - Master

- Messaggi: 3951
- Iscritto il: 19 mar 2013, 11:43
0
voti
marco9506 ha scritto:P.S La tensione ha un range da 5 a 28 volt
A parte quanto detto dagli altri, anche questo fa pensare che qualcosa non quadri; la tensione dovrebbe scendere fino a 1.25V circa.
Inoltre, al posto di un NPN, sicuramente inadeguato nel tuo caso, adopererei un PNP.
Rifai lo schema in fidocadJ e metti i punti di connessione dove vanno, cosi' vediamo meglio se hai fatto tutto come si deve.
Se vuoi saperne un po' di piu', leggiti questo articolo
marco
0
voti
C'è la possibilità che l'LM317 sia cotto. È vero che ha internamente una protezione termica, ma se si lascia in protezione per un po' di tempo, credo si fonda comunque. Proverei a sostituirlo, ma lo fisserei ad una aletta dissipante o lo fisserei, con gli opportuni isolamenti, sul dissipatore del transistor.
Altra possibilità è che ci sia qualche contatto precario (saldatura fredda?).
Resta il fatto che l'ultimo schema dell'articolo di
marco438 è di molto migliore, ed hai anche tutte le indicazioni per dimensionare i componenti.
Comunque restiamo in attesa di riscontri alle nostre richieste
Altra possibilità è che ci sia qualche contatto precario (saldatura fredda?).
Resta il fatto che l'ultimo schema dell'articolo di
Comunque restiamo in attesa di riscontri alle nostre richieste
-

FedericoSibona
5.022 3 5 8 - Master

- Messaggi: 3951
- Iscritto il: 19 mar 2013, 11:43
0
voti
allora ragazzi questo e lo schema dopodiche credo che rifaro tutto da capo seguendo l articolo di
marco438
0
voti
non ne ho idea comunque questo era una sorta di "circuito di prova" perché la mia intenzione e di utilizzare un trasformatore che mi hanno regalato da 300VA ,solo che al secondario ha una tensione nominale di 30 volt e dovrei costruire un pre-regolatore di tensione ...
0
voti
Prima ti avevo suggerito di leggere un mio articolo per farti capire quali sono le difficolta' intrinseche di un alimentatore lineare variabile; maggiore e' la differenza tra ingesso ed uscita e maggiore la dissipazione alle basse tensioni.
E' quindi sconsigliabile optare per grandi escursioni di tensione, specie quando si tratta di potenze abbastanza rilevanti; quindi se il tuo alimentatore non serve per scopi precisi in cui siano necessarie alte tensioni, sarebbe bene rivedessi la tua idea circa la massima tensione erogata dal trasformatore limitandoti a tensioni meno elevate. Quasi tutte le tensioni necessarie in laboratorio vanno da 3.3 a 15V.
E' quindi sconsigliabile optare per grandi escursioni di tensione, specie quando si tratta di potenze abbastanza rilevanti; quindi se il tuo alimentatore non serve per scopi precisi in cui siano necessarie alte tensioni, sarebbe bene rivedessi la tua idea circa la massima tensione erogata dal trasformatore limitandoti a tensioni meno elevate. Quasi tutte le tensioni necessarie in laboratorio vanno da 3.3 a 15V.
marco
0
voti
Ho appena iniziato con l elettronica mi sono incuriosito tantissimo grazie al mio primo lavoro in ambito elettrico ,e avendo fatto le industriali ( elettrotecnica e impianti civili ) sto provando a studiare questa materia per conto mio...
13 messaggi
• Pagina 1 di 2 • 1, 2
Chi c’è in linea
Visitano il forum: Nessuno e 58 ospiti

Elettrotecnica e non solo (admin)
Un gatto tra gli elettroni (IsidoroKZ)
Esperienza e simulazioni (g.schgor)
Moleskine di un idraulico (RenzoDF)
Il Blog di ElectroYou (webmaster)
Idee microcontrollate (TardoFreak)
PICcoli grandi PICMicro (Paolino)
Il blog elettrico di carloc (carloc)
DirtEYblooog (dirtydeeds)
Di tutto... un po' (jordan20)
AK47 (lillo)
Esperienze elettroniche (marco438)
Telecomunicazioni musicali (clavicordo)
Automazione ed Elettronica (gustavo)
Direttive per la sicurezza (ErnestoCappelletti)
EYnfo dall'Alaska (mir)
Apriamo il quadro! (attilio)
H7-25 (asdf)
Passione Elettrica (massimob)
Elettroni a spasso (guidob)
Bloguerra (guerra)





