L'idea era quella di provare a simularlo (a scuola usiamo NI Multisim) e, con l'occasione, provare a vedere se avevo ben compreso. In particolare devo calcolarmi i parametri non direttamente indicati dal testo dell'esercizio. E, in questo modo, dovrò applicare le equazioni che sto cercando di comprendere.
La prima grandezza che intendo calcolare è la tensione V1 applicata ai capi del primario. Nota la potenza apparente S1 e la corrente che eroga il generatore, I1, dovrebbe essere:
V1=S1/I1 = 256.22 V
Posso andare avanti?
Domande sul trasformatore
Moderatori:
g.schgor,
IsidoroKZ
18 messaggi
• Pagina 2 di 2 • 1, 2
0
voti
0
voti
Il passo successivo è quello di calcolare gli induttori di dispersione. Essendo la frequenza uguale a 50 Hz avrò una pulsazione di 314 rad/s. E quindi:
L1d=X1d/314=12.74 mH
L2d=X2d/314=0.18 mH
Questi due dati mi occorrono per poterli inserire in Multisim.
L1d=X1d/314=12.74 mH
L2d=X2d/314=0.18 mH
Questi due dati mi occorrono per poterli inserire in Multisim.
0
voti
I resistori dovuti alle perdite ohmiche degli avvolgimenti sono già indicati e quindi li inserisco in Multisim direttamente.
0
voti
Per quanto riguarda i parametri trasversali G0 (che tiene conto delle perdite nel ferro e B0 (che tiene conto della corrente magnetizzante) ho qualche difficoltà.
Intanto in Multisim non c'è la possibilità di inserirne direttamente i valori (o, almeno, io non ho capito come fare).
Intanto in Multisim non c'è la possibilità di inserirne direttamente i valori (o, almeno, io non ho capito come fare).
0
voti
Pensavo, allora, di inserirli direttamente nel circuito in parallelo all'avvolgimento primario. Faccio bene?
Ed anche per il calcolo ho qualche difficoltà. Il ragionamento che faccio è il seguente. Conoscendo le perdite nel ferro, 15 W, mi posso calcolare G0 in questo modo:
G0=Pf/(E1*E1)
Il problema è che io non conosco E1.
Posso però applicare Kirchhoff alla maglia del primario e calcolare questa tensione come differenza vettoriale tra V1 e la caduta di tensione ai capi di R1 e di L1d.
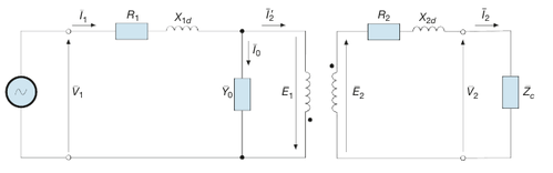
Il circuito sul quale sto ragionando è:
Ed anche per il calcolo ho qualche difficoltà. Il ragionamento che faccio è il seguente. Conoscendo le perdite nel ferro, 15 W, mi posso calcolare G0 in questo modo:
G0=Pf/(E1*E1)
Il problema è che io non conosco E1.
Posso però applicare Kirchhoff alla maglia del primario e calcolare questa tensione come differenza vettoriale tra V1 e la caduta di tensione ai capi di R1 e di L1d.
Il circuito sul quale sto ragionando è:
0
voti
Allora, vediamo se commetto qualche errore (con il metodo simbolico ancora non mi sento tanto sicura). Mi calcolo prima il modulo dell'impedenza offerta da R1 e da Xd1. Dovrebbe essere 4.6 ohm. Poi la moltiplico per I1 e dovrei ottenere il valore efficace della c.d.t. ai capi di questa Z. Se non ho sbagliato il calcolo dovrebbe venire 10.58 V. Ora, però, dovrei fare una sottrazione vettoriale. E qui mi fermo perché ci devo pensare.

0
voti
Devo cercare di capire meglio le relazioni tra gli angoli di fase delle varie grandezze. Sul testo c'è questo diagramma (che un compagno chiama il "mostro"):
- Allegati
-
- fig6.png (16.37 KiB) Osservato 4203 volte
0
voti
Il testo spiega bene il motivo della disposizione di ogni vettore. In pratica, posizionando il flusso sull'asse dei numeri reali, il resto viene di conseguenza. E mi è chiaro. Tutto tranne il vettore I0. Ecco, quello non viene spiegato. Evidentemente deve essere così facile da comprendere che l'autore del libro lo avrà dato per scontato. Ma io non lo capisco
.
Qualcuno mi aiuta?

Qualcuno mi aiuta?
18 messaggi
• Pagina 2 di 2 • 1, 2
Torna a Elettrotecnica generale
Chi c’è in linea
Visitano il forum: Nessuno e 10 ospiti

Elettrotecnica e non solo (admin)
Un gatto tra gli elettroni (IsidoroKZ)
Esperienza e simulazioni (g.schgor)
Moleskine di un idraulico (RenzoDF)
Il Blog di ElectroYou (webmaster)
Idee microcontrollate (TardoFreak)
PICcoli grandi PICMicro (Paolino)
Il blog elettrico di carloc (carloc)
DirtEYblooog (dirtydeeds)
Di tutto... un po' (jordan20)
AK47 (lillo)
Esperienze elettroniche (marco438)
Telecomunicazioni musicali (clavicordo)
Automazione ed Elettronica (gustavo)
Direttive per la sicurezza (ErnestoCappelletti)
EYnfo dall'Alaska (mir)
Apriamo il quadro! (attilio)
H7-25 (asdf)
Passione Elettrica (massimob)
Elettroni a spasso (guidob)
Bloguerra (guerra)