Non puoi andare direttamente al pin 6, e` l'ingresso invertente di un operazionale, lo saturi! Devi mettere il circuito del compensatore, quei due o tre condensatori e resistenze che ci sono nel circuito originale intorno ai piedini COMP e INV. Poi devi mettere anche la rampa di compensazione e il sense di corrente. Mi pare che i 10uF (spero siano micro) intorno al partitore 1Mohm-20kohm probabilmente introducono un polo di troppo.
Ora devo scappare, ma mi sa che bisogna riprogettare la compensazione. Se cerchi gli articoli di Basso sull'uso del 431 spiega come fare.
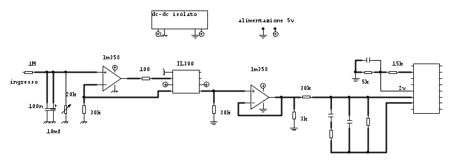
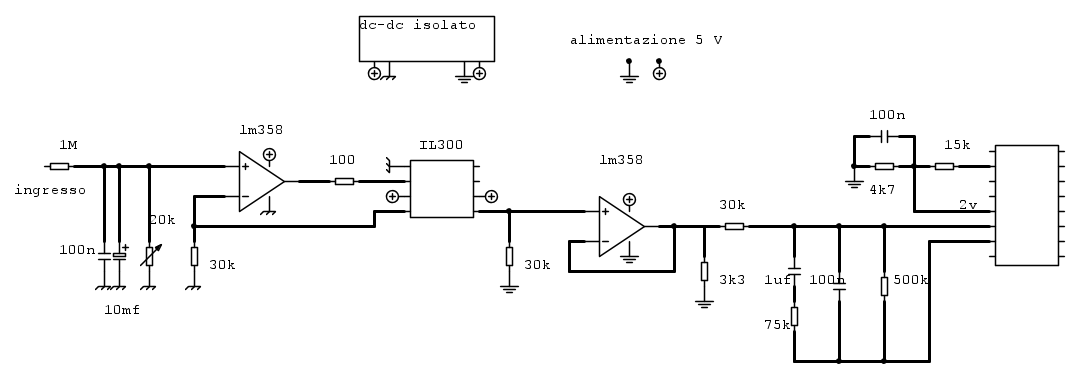
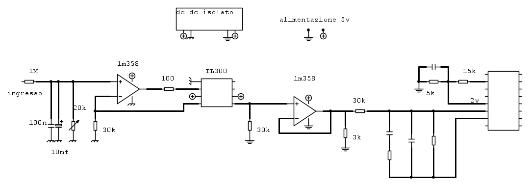
feedback optoisolato
Moderatori:
carloc,
g.schgor,
BrunoValente,
IsidoroKZ
31 messaggi
• Pagina 3 di 4 • 1, 2, 3, 4
0
voti
Per usare proficuamente un simulatore, bisogna sapere molta più elettronica di lui
Plug it in - it works better!
Il 555 sta all'elettronica come Arduino all'informatica! (entrambi loro malgrado)
Se volete risposte rispondete a tutte le mie domande
Plug it in - it works better!
Il 555 sta all'elettronica come Arduino all'informatica! (entrambi loro malgrado)
Se volete risposte rispondete a tutte le mie domande
0
voti
mi correggo, il circuito va collegato al punto fb sullo schema (fatto a mano) e non direttamente al pin 6 dell'uc3846.
intanto seguo il tuo consiglio di guardarmi le basi del 431.
saluti
intanto seguo il tuo consiglio di guardarmi le basi del 431.
saluti
0
voti
salve.
mi sa che seguo il tuo consiglio...
che dici può andare...
mi dai un'occhiata ai valori?
grazie
mi sa che seguo il tuo consiglio...
che dici può andare...
mi dai un'occhiata ai valori?
grazie
0
voti
A 400V quel circuito con il TL431 direi che non possa funzionare, ci sono limiti di tensione da rispettare.
Il fatto e` che non si puo` calcolare la compensazione senza sapere tutti i dati del circuito, inclusi i parametri parassiti di alcuni componenti
Non ho ancora visto tutto lo schema con i valori, le specifiche... Quello che posso suggerire e` che visto che hai il circuito con l'IL300 funziona, usa quello e adatta la rete di compensazione finche' va.
Come fai a dire che il controllore va in undervoltage lock out? Potrebbe essere un comando che arriva dall'ingresso di shutdown?
Il fatto e` che non si puo` calcolare la compensazione senza sapere tutti i dati del circuito, inclusi i parametri parassiti di alcuni componenti
Come fai a dire che il controllore va in undervoltage lock out? Potrebbe essere un comando che arriva dall'ingresso di shutdown?
Per usare proficuamente un simulatore, bisogna sapere molta più elettronica di lui
Plug it in - it works better!
Il 555 sta all'elettronica come Arduino all'informatica! (entrambi loro malgrado)
Se volete risposte rispondete a tutte le mie domande
Plug it in - it works better!
Il 555 sta all'elettronica come Arduino all'informatica! (entrambi loro malgrado)
Se volete risposte rispondete a tutte le mie domande
0
voti
grazie per le risposte, il pin16 shutdown è basso e rimane tale, il pin1 di limitazione corrente quando si blocca va basso. il pin2 rierimento è a 5,1v. non riesco a individuare nessun altro motivo del blocco, quindi ho pensato che il transistor connesso al dispositivo uvlo (vedi schema interno) vada in conduzione. difatti trovo una bassa resistenza sul pin1 quando si blocca il sistema. certo non riesco a dare una spiegazione a quanto accade...
come pensi che debba modificare la compensazione, per adattarci il circuito con IL300?
puoi darmi qualche info in più.
grazie mille
come pensi che debba modificare la compensazione, per adattarci il circuito con IL300?
puoi darmi qualche info in più.
grazie mille
0
voti
0
voti
Purtroppo non sono in grado di aiutarti
Come detto nel messaggio [24] per calcolare la compensazione mi serve sapere i dati di tutti i componenti, inclusi alcuni parametri parassiti. Non ho ancora neanche visto tutto lo schema ne' le speficiche. Resto sempre molto perplesso sul ponte messo dietro al trasformatore di corrente.
A me avevano insegnato che il compensatore serve per "compensare" la funzione di trasferimento del resto del circuito (incluso il carico), ma se non lo si conosce, non saprei da che parte cominciare a fare il progetto.
Si puo` provare con qualcun altro piu` bravo di me, vediamo che dice
EnChamade
A me avevano insegnato che il compensatore serve per "compensare" la funzione di trasferimento del resto del circuito (incluso il carico), ma se non lo si conosce, non saprei da che parte cominciare a fare il progetto.
Si puo` provare con qualcun altro piu` bravo di me, vediamo che dice
Per usare proficuamente un simulatore, bisogna sapere molta più elettronica di lui
Plug it in - it works better!
Il 555 sta all'elettronica come Arduino all'informatica! (entrambi loro malgrado)
Se volete risposte rispondete a tutte le mie domande
Plug it in - it works better!
Il 555 sta all'elettronica come Arduino all'informatica! (entrambi loro malgrado)
Se volete risposte rispondete a tutte le mie domande
0
voti
ho risolto il dilemma..... ho cambiato il controller uc3846 e il tutto funziona (sembra) bene...
faccio qualche prova e vediamo come va... vi aggiorno.
grazie per l'aiuto (e credo che ne servirà ancora)

faccio qualche prova e vediamo come va... vi aggiorno.
grazie per l'aiuto (e credo che ne servirà ancora)

0
voti
Maledetto integrato
.
Il piedino 16 e` aperto o collegato a ground?
Mi racconti come e` fatto il sense di corrente con il trasformatore e raddrizzatore?
Il piedino 16 e` aperto o collegato a ground?
Mi racconti come e` fatto il sense di corrente con il trasformatore e raddrizzatore?
Per usare proficuamente un simulatore, bisogna sapere molta più elettronica di lui
Plug it in - it works better!
Il 555 sta all'elettronica come Arduino all'informatica! (entrambi loro malgrado)
Se volete risposte rispondete a tutte le mie domande
Plug it in - it works better!
Il 555 sta all'elettronica come Arduino all'informatica! (entrambi loro malgrado)
Se volete risposte rispondete a tutte le mie domande
31 messaggi
• Pagina 3 di 4 • 1, 2, 3, 4
Chi c’è in linea
Visitano il forum: Nessuno e 188 ospiti

Elettrotecnica e non solo (admin)
Un gatto tra gli elettroni (IsidoroKZ)
Esperienza e simulazioni (g.schgor)
Moleskine di un idraulico (RenzoDF)
Il Blog di ElectroYou (webmaster)
Idee microcontrollate (TardoFreak)
PICcoli grandi PICMicro (Paolino)
Il blog elettrico di carloc (carloc)
DirtEYblooog (dirtydeeds)
Di tutto... un po' (jordan20)
AK47 (lillo)
Esperienze elettroniche (marco438)
Telecomunicazioni musicali (clavicordo)
Automazione ed Elettronica (gustavo)
Direttive per la sicurezza (ErnestoCappelletti)
EYnfo dall'Alaska (mir)
Apriamo il quadro! (attilio)
H7-25 (asdf)
Passione Elettrica (massimob)
Elettroni a spasso (guidob)
Bloguerra (guerra)





