No, il termostato deve essere NC se usi un relè di sicurezza.
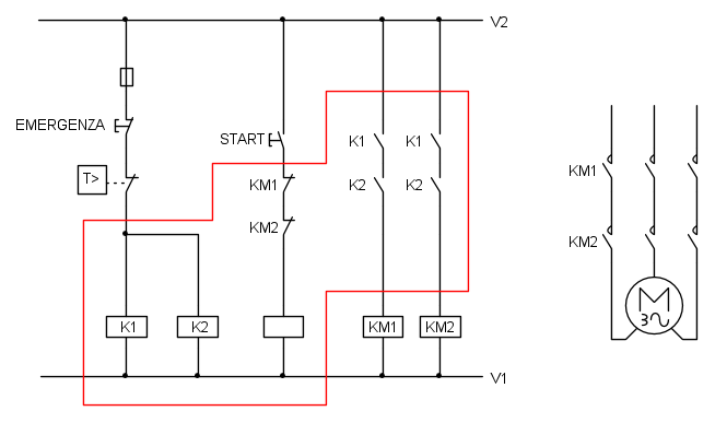
Ripeto, non sono un esperto di direttiva macchine e i prodotti in commercio sono tantissimi, in ogni caso ti riporto in uno schema un relè di sicurezza ad un canale per il comando di un motore:
In rosso ho evidenziato quello che trovi all'interno di un relè di sicurezza.
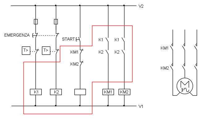
Ora lo stesso esempio con un relè di sicurezza a due canali:
Come vedi i circuiti di comando delle due bobine K1 e K2 sono due ed indipendenti.
Per sfruttare questa doppia sicurezza dovresti usare due termostati.
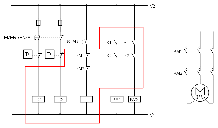
Spero ora sia più chiaro.
Ciao,
Dario
Relè di sicurezza...
Moderatori:
sebago,
MASSIMO-G,
lillo,
Mike
13 messaggi
• Pagina 2 di 2 • 1, 2
0
voti
Evito di riaprire una nuova discussione e riprendo questa vecchia.
Sto cercando di riparare una macchinetta del caffè, dove sulla caldaia ha due relè termici.
Il primo relè termico è normalmente aperto che manda corrente alla pompa e al secondo relè termico.
Il secondo relè è con il riarmo con il tester risulta normalmente chiuso e porta la corrente alla caldaia, di fatti se accendo la macchinetta la caldaia non si scalda.
Ho notato che premendo il riarmo con un cacciavite il relè si commuta in normalmente chiuso e la caldaia si scalda.
E chiaro e palese che c'è qualcosa che non va, perché nella macchina non è previsto un bottone per tenere il riarmo premuto, e non sarebbe comodo dover stare lì una persona con il bottone premuto finché la caldaia non è calda.
Mi è venuto da pensare che magari si è rotto il riarmo del relè trasformandosi da nic a no? Ma è possibile questa cosa?
Sapete darmi qualche indicazione in più che mi possa aiutare a risolvere questo enigma?
Grazie a tutti, buona giornata
Sto cercando di riparare una macchinetta del caffè, dove sulla caldaia ha due relè termici.
Il primo relè termico è normalmente aperto che manda corrente alla pompa e al secondo relè termico.
Il secondo relè è con il riarmo con il tester risulta normalmente chiuso e porta la corrente alla caldaia, di fatti se accendo la macchinetta la caldaia non si scalda.
Ho notato che premendo il riarmo con un cacciavite il relè si commuta in normalmente chiuso e la caldaia si scalda.
E chiaro e palese che c'è qualcosa che non va, perché nella macchina non è previsto un bottone per tenere il riarmo premuto, e non sarebbe comodo dover stare lì una persona con il bottone premuto finché la caldaia non è calda.
Mi è venuto da pensare che magari si è rotto il riarmo del relè trasformandosi da nic a no? Ma è possibile questa cosa?
Sapete darmi qualche indicazione in più che mi possa aiutare a risolvere questo enigma?
Grazie a tutti, buona giornata
13 messaggi
• Pagina 2 di 2 • 1, 2
Torna a Impianti, sicurezza e quadristica
Chi c’è in linea
Visitano il forum: Nessuno e 126 ospiti

Elettrotecnica e non solo (admin)
Un gatto tra gli elettroni (IsidoroKZ)
Esperienza e simulazioni (g.schgor)
Moleskine di un idraulico (RenzoDF)
Il Blog di ElectroYou (webmaster)
Idee microcontrollate (TardoFreak)
PICcoli grandi PICMicro (Paolino)
Il blog elettrico di carloc (carloc)
DirtEYblooog (dirtydeeds)
Di tutto... un po' (jordan20)
AK47 (lillo)
Esperienze elettroniche (marco438)
Telecomunicazioni musicali (clavicordo)
Automazione ed Elettronica (gustavo)
Direttive per la sicurezza (ErnestoCappelletti)
EYnfo dall'Alaska (mir)
Apriamo il quadro! (attilio)
H7-25 (asdf)
Passione Elettrica (massimob)
Elettroni a spasso (guidob)
Bloguerra (guerra)





