T.Millman dubbio
Moderatori:
g.schgor,
IsidoroKZ
9 messaggi
• Pagina 1 di 1
0
voti
[1] T.Millman dubbio
Ciao a tutti, sono un nuovo utente e seguo il forum da qualche giorno.
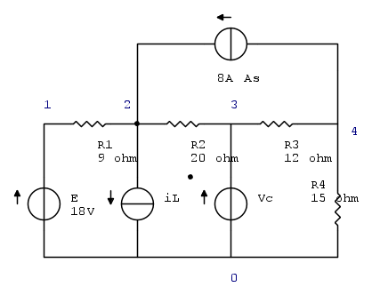
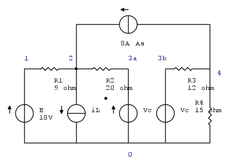
Vi scrivo perché dovendo svolgere l'esame di elettrotecnica II non riesco a togliermi questo dubbio, perlomeno a livello teorico riguardo all'applicazione di Millman in casi come questo che vi mostro:
Vi scrivo perché dovendo svolgere l'esame di elettrotecnica II non riesco a togliermi questo dubbio, perlomeno a livello teorico riguardo all'applicazione di Millman in casi come questo che vi mostro:
1
voti
Posta il circuito utilizzando fidocadJ e dopo se ne può parlare... 
Emanuele Lorina
- Chi lotta contro i mostri deve fare attenzione a non diventare lui stesso un mostro. E se tu riguarderai a lungo in un abisso, anche l'abisso vorrà guardare dentro di te (F. Nietzsche)
- Tavole della legge by admin
- Chi lotta contro i mostri deve fare attenzione a non diventare lui stesso un mostro. E se tu riguarderai a lungo in un abisso, anche l'abisso vorrà guardare dentro di te (F. Nietzsche)
- Tavole della legge by admin
-

Lele_u_biddrazzu
8.154 3 8 13 - Master EY

- Messaggi: 1288
- Iscritto il: 23 gen 2007, 16:13
- Località: Modena
1
voti
Dovrei esserci riuscito
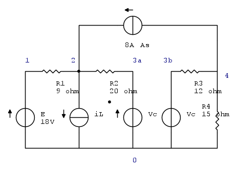
In poche parole dopo aver utilizzato il principio di sostituzione su induttore e condensatore iL e Vc, per trovare VL sull'induttore utilizza Millman non considerando la parte di circuito con R3,R4 e generatore As di corrente.
Riuscireste a spiegare come si può utilizzare millman su una rete palesemente non binodale?
Grazie mille
In poche parole dopo aver utilizzato il principio di sostituzione su induttore e condensatore iL e Vc, per trovare VL sull'induttore utilizza Millman non considerando la parte di circuito con R3,R4 e generatore As di corrente.
Riuscireste a spiegare come si può utilizzare millman su una rete palesemente non binodale?
Grazie mille
6
voti
Zimo ha scritto:...
Riuscireste a spiegare come si può utilizzare millman su una rete palesemente non binodale?
Grazie mille
Semplice
Se ti serve il valore di beta: hai sbagliato il progetto!
0
voti
Edit: NON usare il tasto CITA, usa RISPONDI se non serve citare parte del messaggio cui rispondi
Grazie! Ho compreso il principio base, ma quando posso fare questo "magheggio"? Non riesco a capire come in partenza possa intuire che il generatore As non dia contributo alla rete bidonale ottenuta sulla parte sinistra del circuito.
Io avevo pensato a svolgere il problema con la "sovrapposizione degli effetti", ma non so quanto poteva esser conveniente.
Grazie! Ho compreso il principio base, ma quando posso fare questo "magheggio"? Non riesco a capire come in partenza possa intuire che il generatore As non dia contributo alla rete bidonale ottenuta sulla parte sinistra del circuito.
Io avevo pensato a svolgere il problema con la "sovrapposizione degli effetti", ma non so quanto poteva esser conveniente.
6
voti
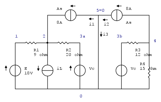
Heheh non è un magheggio
lo si può applicare ogni volta che c'è un generatore ideale di tensione. Vedila così: il generatore fissa il potenziale del nodo 3 indipendentemente da cosa sia collegato a quel nodo semplicemente fornisce tutta la corrente necessaria a verificare la KCL a quel nodo.
A questo punto te ne freghi di tutto il resto e sai che
e puoi usare questa informazione per quello che vuoi, come ad esempio dividere la rete sopra in due reti binodali indipendenti.
Dualmente potersti fare la stessa cosa con un generatore di corrente
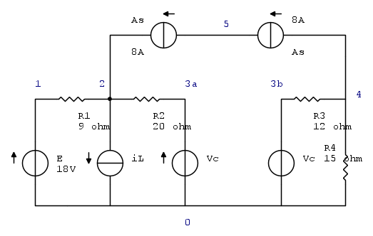
, se ad esempio lo schema fosse questo
fatto il magheggio sul generatore di tensione
sdoppi anche il generatore di corrente
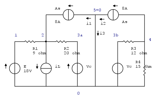
e poi puoi collegare il nodo 5 anche ad un altro nodo qualsiasi della rete, ad esempio lo 0
questo perché se fai una KCL al nodo 5 ti accorgi che i3=0 e quindi che ci sia o non ci sia e dovunque sia collegato se c'è niente cambia
a questo punto anche quello "scomodo" generatore di corrente diventa facilmente trattabile
lo si può applicare ogni volta che c'è un generatore ideale di tensione. Vedila così: il generatore fissa il potenziale del nodo 3 indipendentemente da cosa sia collegato a quel nodo semplicemente fornisce tutta la corrente necessaria a verificare la KCL a quel nodo.
A questo punto te ne freghi di tutto il resto e sai che
e puoi usare questa informazione per quello che vuoi, come ad esempio dividere la rete sopra in due reti binodali indipendenti.Dualmente potersti fare la stessa cosa con un generatore di corrente
fatto il magheggio sul generatore di tensione
sdoppi anche il generatore di corrente
e poi puoi collegare il nodo 5 anche ad un altro nodo qualsiasi della rete, ad esempio lo 0
questo perché se fai una KCL al nodo 5 ti accorgi che i3=0 e quindi che ci sia o non ci sia e dovunque sia collegato se c'è niente cambia

a questo punto anche quello "scomodo" generatore di corrente diventa facilmente trattabile
Se ti serve il valore di beta: hai sbagliato il progetto!
6
voti
Poi tra l'altro Millman lo puoi usare anche se la rete non è binodale
...
prendi questa ad esempio
i tre nodi 2, 3 e 4 saranno ciascuno ad un certo potenziale rispetto al nodo 0, diciamo v2,v3 e v4 (in questo esempio il nodo 1 è fissato ad E dal GIT)
Ora il fatto di non conoscere il loro valore non mi impedisce di dire che varranno appunto v2,v3 e v4 e quindi di collegare a ciascun nodo uno o più generatori indipendenti di tensione di pari valore secondo le mie necessità e convenienza, senza con questo alterare la rete in alcun modo.
a questo punto prendo questo pezzo
e posso scrivere una equazione di Millman che lega v2 e v3 tipo
Poi ripeto su questo
e scrivo
E infine
dove scrivo
A questo punto ho tre incognite v2, v3 e v4 e tre equazioni (indipendenti perché scritte su tre circuiti diversi) ed è fatta

prendi questa ad esempio
i tre nodi 2, 3 e 4 saranno ciascuno ad un certo potenziale rispetto al nodo 0, diciamo v2,v3 e v4 (in questo esempio il nodo 1 è fissato ad E dal GIT)
Ora il fatto di non conoscere il loro valore non mi impedisce di dire che varranno appunto v2,v3 e v4 e quindi di collegare a ciascun nodo uno o più generatori indipendenti di tensione di pari valore secondo le mie necessità e convenienza, senza con questo alterare la rete in alcun modo.
a questo punto prendo questo pezzo
e posso scrivere una equazione di Millman che lega v2 e v3 tipo

Poi ripeto su questo
e scrivo

E infine
dove scrivo

A questo punto ho tre incognite v2, v3 e v4 e tre equazioni (indipendenti perché scritte su tre circuiti diversi) ed è fatta

Se ti serve il valore di beta: hai sbagliato il progetto!
2
voti
carloc ha scritto:Poi tra l'altro Millman lo puoi usare anche se la rete non è binodale...
... ad esempio usando il teorema di

Per usare proficuamente un simulatore, bisogna sapere molta più elettronica di lui
Plug it in - it works better!
Il 555 sta all'elettronica come Arduino all'informatica! (entrambi loro malgrado)
Se volete risposte rispondete a tutte le mie domande
Plug it in - it works better!
Il 555 sta all'elettronica come Arduino all'informatica! (entrambi loro malgrado)
Se volete risposte rispondete a tutte le mie domande
9 messaggi
• Pagina 1 di 1
Torna a Elettrotecnica generale
Chi c’è in linea
Visitano il forum: Nessuno e 28 ospiti

Elettrotecnica e non solo (admin)
Un gatto tra gli elettroni (IsidoroKZ)
Esperienza e simulazioni (g.schgor)
Moleskine di un idraulico (RenzoDF)
Il Blog di ElectroYou (webmaster)
Idee microcontrollate (TardoFreak)
PICcoli grandi PICMicro (Paolino)
Il blog elettrico di carloc (carloc)
DirtEYblooog (dirtydeeds)
Di tutto... un po' (jordan20)
AK47 (lillo)
Esperienze elettroniche (marco438)
Telecomunicazioni musicali (clavicordo)
Automazione ed Elettronica (gustavo)
Direttive per la sicurezza (ErnestoCappelletti)
EYnfo dall'Alaska (mir)
Apriamo il quadro! (attilio)
H7-25 (asdf)
Passione Elettrica (massimob)
Elettroni a spasso (guidob)
Bloguerra (guerra)















