da
IsidoroKZ » 22 feb 2015, 18:32
La prossima volta usa i simboli predefiniti per i componenti: fai prima!
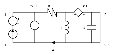
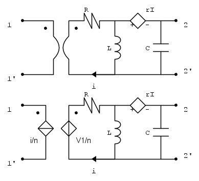
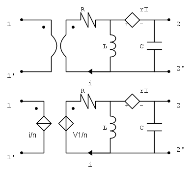
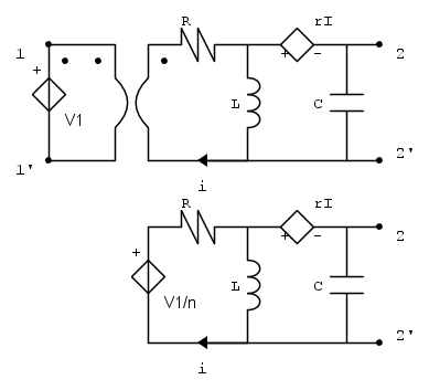
La sostituzione del trasformatore con i due generatori e` fatta in questo modo
Edit: ho corretto il valore del generatore di corrente!ma, come dicevo, non serve perche' si devono mettere i generatori di tensione o corrente solo a sinistra e quindi quello che si ottiene per il generatore di tensione e`
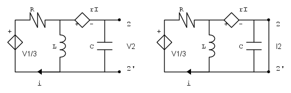
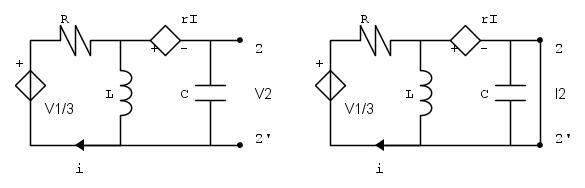
Al posto di usare il generatore V1 usi V1/3 e calcoli la tensione sulla porta 2 e la corrente di cortocircuito sempre sulla porta 2.
Poi fai la stessa cosa con il generatore di corrente in ingresso, questa volta, avendo tolto il trasformatore, deve essere I1*3 e trovi la tensione a vuoto sulla porta 2 e la corrente di cortocircuito
Non ho messo il verso delle correnti perche' non mi ricordo i versi. Mi pare che all'ingresso sia entrante in 1 e in uscita sia uscente da 2, ma dato che le correnti sono per convenzioni positive entranti I2 dovrebbe avere un segno negativo, ma non mi ricordo i dettagli
