Ripeto fermi tutti, evitate di rispondere con cose sbagliate, e aspettiamo i grafici ben fatti di
PWM e calcolo del valore medio
Moderatori:
g.schgor,
IsidoroKZ
34 messaggi
• Pagina 4 di 4 • 1, 2, 3, 4
0
voti
[user]dadituri[/user] hai messo una modulazione a tre livelli, e descritto una a due livelli, con 1-4 e 2-3.
Ripeto fermi tutti, evitate di rispondere con cose sbagliate, e aspettiamo i grafici ben fatti di
DClink su pilotaggio degli interruttori e tensione di uscita. Ci sono almeno tre strategie per fare un inverte con il ponte intero.
Ripeto fermi tutti, evitate di rispondere con cose sbagliate, e aspettiamo i grafici ben fatti di
Per usare proficuamente un simulatore, bisogna sapere molta più elettronica di lui
Plug it in - it works better!
Il 555 sta all'elettronica come Arduino all'informatica! (entrambi loro malgrado)
Se volete risposte rispondete a tutte le mie domande
Plug it in - it works better!
Il 555 sta all'elettronica come Arduino all'informatica! (entrambi loro malgrado)
Se volete risposte rispondete a tutte le mie domande
2
voti
DClink ha scritto: scusa... ma me lo ha detto prima che vengono comandati a coppie...
Quello schema, che si chiama ponte intero, puo` essere pilotato con diverse strategie e si ottengono diverse forme d'onda sul carico e funzionamento del ponte.
Potresti disegnare con fidocadj le forme d'onda del pilotaggio degli interruttori e la forma d'onda di uscita? NON basta dire che vanno a coppie, come ho detto prima ci sono diverse tecniche di pilotaggio.
Adesso PENSA, quando hai le idee chiare del tipo di funzionamento che ti interessa mi mandi un messaggio privato e riapro il thread, altrimenti le cose sbagliate e non comprensibili aumentano.
Questo e` un forum in cui si riceve aiuto, SE SI DA` quello che chiedono, ovvero i disegni corretti. Altrimenti l'aiuto e` piu` controproducente che utile.
Per usare proficuamente un simulatore, bisogna sapere molta più elettronica di lui
Plug it in - it works better!
Il 555 sta all'elettronica come Arduino all'informatica! (entrambi loro malgrado)
Se volete risposte rispondete a tutte le mie domande
Plug it in - it works better!
Il 555 sta all'elettronica come Arduino all'informatica! (entrambi loro malgrado)
Se volete risposte rispondete a tutte le mie domande
6
voti
Avevo bloccato questo thread perche' stava andando per le terre, con suggerimenti giusti, altri malamente espressi, altri sbagliati, e sopprattutto perche' l'OP non era in grado di spiegare che cosa volesse, ne' era collaborativa con le richieste.
Se uno studente di ingegneria aspetta il giorno prima dell'esame per risolvere un dubbio fondamentale e non sa descrivere il circuito di cui parla (che si chiama ponte intero, non "aggiungo una coppia di interruttori") direi che ci sia qualcosa che non vada. Se poi si rifiuta di fare un disegno perche' "non so usare fidocadj" senza provare a guardarlo, mi pare che non sia l'atteggiamento corretto per uno studente di ingegneria. Anyway, bando alle prediche, provo a dare una risposta parziale. So che [user]dadituri[/user] sta preparando un articolo di risposta completa.
I modi piu` importanti per pilotare un ponte intero (o ponte ad H o full bridge) permettono di ottenere un segnale di uscita a due livelli oppure a tre livelli. Gli schemi, le forme d'onda di pilotaggio, le forme d'onda ottenute sono diverse.
Per il due livelli la struttura del comando e` questa
Quando il segnale di comando e` attivo, sono accesi gli interruttori 1 e 4, quando invece non e` attivo sono accesi 2 e 3. Nel primo caso Vo=E, nel secondo caso Vo=-E. Non ci sono altre possibilita`, solo due livelli di uscita. Il carico in uscita vede una sorgente di tensione, e` sempre collegato a una sorgente a bassa impedenza. Il circuito reale ha e` piu` complicato, deve introdurre dei tempi morti sulle commutazioni per essere certi che non si chiudano mai contemporaneamente ad esempio 1 e 2 oppure 3 e 4, ma questo e` un dettaglio (importante) solo implementativo. La tensione di comando e quella di uscita sono in questo grafico
T1 e` il tempo "ON", T2 il tempo "OFF" e Tsw il periodo di commutazione. Se si definisce il duty cycle come
il valore medio della forma d'onda in uscita vale
.
Se si manda questa forma d'onda quadra a due livelli ad un motore, e la frequenza di commutazione
e` sufficientemente alta, il motore vede il valor medio della tensione e lo si puo` controllare anche se e` sottoposto a inutili stress termici e meccanici.
Se invece si manda Vo ad una lampadina, la luminosita` non varia con il duty cycle e rimane sempre al massimo.
Se fra ponte ad H e lampadina si mette un filtro passa basso che estragga solo il valor medio dal Vo, allora si riesce a controllare anche una lampada, ma l'OP non aveva parlato di filtri o di specifiche applicazioni del circuito.
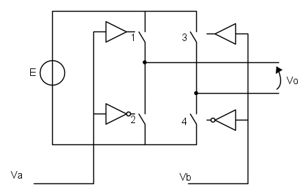
La modulazione a tre livelli invece richiede uno schema e una strategia di comand diversi.
Lo schema per il tre livelli e` questo
La differenza principale e` la presenza di due ingressi separati, una per ciascuna gamba del ponte. I segnali di pilotaggio Va e Vb e la corrispondete tensione di uscita Vo sono nella figura seguente.
Ci sono due duty cycle, Da e Db definiti nel solito modo
e
e il valor medio della tensione di uscita, che questa volta e` a TRE livelli, dato che si ferma anche a Vo=0, vale
oppure 
Il sistema a tre livelli e` quello normalmente usato negli inverter, stressa di meno il carico e si controllano anche le lampadine.
Va ancora detto che la modulazione mostrata e` single edge, trailing edge, perche' tutti gli impulsi cominciano a un istante di tempo multiplo di Tsw e la modulazione si fa spostando solo il fronte finale dell'impulso. Ho scelto questa modulazione perche' e` piu` facile da vedere e soprattutto da disegnare
Negli inverter in realta` la modulazione usata e` double edge: rimane fisso il punto centrale di ogni impulso, che viene allargato o ristretto spostando in modo simmetrico i due fronti.
Il sistema a due livelli si chiama anche asimmetrico nel mondo degli "inverteristi" oppure classe AD nel mondo degli amplificatoristi switching. Quello a tre livelli e` chiamato simmetrico dagli inverteristi (almeno credo), oppure classe BD nel mondo degli amplificatoristi a commutazione.
Se uno studente di ingegneria aspetta il giorno prima dell'esame per risolvere un dubbio fondamentale e non sa descrivere il circuito di cui parla (che si chiama ponte intero, non "aggiungo una coppia di interruttori") direi che ci sia qualcosa che non vada. Se poi si rifiuta di fare un disegno perche' "non so usare fidocadj" senza provare a guardarlo, mi pare che non sia l'atteggiamento corretto per uno studente di ingegneria. Anyway, bando alle prediche, provo a dare una risposta parziale. So che [user]dadituri[/user] sta preparando un articolo di risposta completa.
I modi piu` importanti per pilotare un ponte intero (o ponte ad H o full bridge) permettono di ottenere un segnale di uscita a due livelli oppure a tre livelli. Gli schemi, le forme d'onda di pilotaggio, le forme d'onda ottenute sono diverse.
Per il due livelli la struttura del comando e` questa
Quando il segnale di comando e` attivo, sono accesi gli interruttori 1 e 4, quando invece non e` attivo sono accesi 2 e 3. Nel primo caso Vo=E, nel secondo caso Vo=-E. Non ci sono altre possibilita`, solo due livelli di uscita. Il carico in uscita vede una sorgente di tensione, e` sempre collegato a una sorgente a bassa impedenza. Il circuito reale ha e` piu` complicato, deve introdurre dei tempi morti sulle commutazioni per essere certi che non si chiudano mai contemporaneamente ad esempio 1 e 2 oppure 3 e 4, ma questo e` un dettaglio (importante) solo implementativo. La tensione di comando e quella di uscita sono in questo grafico
T1 e` il tempo "ON", T2 il tempo "OFF" e Tsw il periodo di commutazione. Se si definisce il duty cycle come
il valore medio della forma d'onda in uscita vale
. Se si manda questa forma d'onda quadra a due livelli ad un motore, e la frequenza di commutazione
e` sufficientemente alta, il motore vede il valor medio della tensione e lo si puo` controllare anche se e` sottoposto a inutili stress termici e meccanici. Se invece si manda Vo ad una lampadina, la luminosita` non varia con il duty cycle e rimane sempre al massimo.
Se fra ponte ad H e lampadina si mette un filtro passa basso che estragga solo il valor medio dal Vo, allora si riesce a controllare anche una lampada, ma l'OP non aveva parlato di filtri o di specifiche applicazioni del circuito.
La modulazione a tre livelli invece richiede uno schema e una strategia di comand diversi.
Lo schema per il tre livelli e` questo
La differenza principale e` la presenza di due ingressi separati, una per ciascuna gamba del ponte. I segnali di pilotaggio Va e Vb e la corrispondete tensione di uscita Vo sono nella figura seguente.
Ci sono due duty cycle, Da e Db definiti nel solito modo
e
e il valor medio della tensione di uscita, che questa volta e` a TRE livelli, dato che si ferma anche a Vo=0, vale
oppure 
Il sistema a tre livelli e` quello normalmente usato negli inverter, stressa di meno il carico e si controllano anche le lampadine.
Va ancora detto che la modulazione mostrata e` single edge, trailing edge, perche' tutti gli impulsi cominciano a un istante di tempo multiplo di Tsw e la modulazione si fa spostando solo il fronte finale dell'impulso. Ho scelto questa modulazione perche' e` piu` facile da vedere e soprattutto da disegnare
Negli inverter in realta` la modulazione usata e` double edge: rimane fisso il punto centrale di ogni impulso, che viene allargato o ristretto spostando in modo simmetrico i due fronti.
Il sistema a due livelli si chiama anche asimmetrico nel mondo degli "inverteristi" oppure classe AD nel mondo degli amplificatoristi switching. Quello a tre livelli e` chiamato simmetrico dagli inverteristi (almeno credo), oppure classe BD nel mondo degli amplificatoristi a commutazione.
0
voti
Ho pubblicato il semplice articolo. De seguito il link:
http://www.electroyou.it/dadituri/wiki/semplice-analisi-di-un-ponte-intero-full-bridge
Ciao,
Dario
http://www.electroyou.it/dadituri/wiki/semplice-analisi-di-un-ponte-intero-full-bridge
Ciao,
Dario
⋮ƎlectroYou e non smetti mai di imparare!
34 messaggi
• Pagina 4 di 4 • 1, 2, 3, 4
Torna a Elettrotecnica generale
Chi c’è in linea
Visitano il forum: Nessuno e 8 ospiti

Elettrotecnica e non solo (admin)
Un gatto tra gli elettroni (IsidoroKZ)
Esperienza e simulazioni (g.schgor)
Moleskine di un idraulico (RenzoDF)
Il Blog di ElectroYou (webmaster)
Idee microcontrollate (TardoFreak)
PICcoli grandi PICMicro (Paolino)
Il blog elettrico di carloc (carloc)
DirtEYblooog (dirtydeeds)
Di tutto... un po' (jordan20)
AK47 (lillo)
Esperienze elettroniche (marco438)
Telecomunicazioni musicali (clavicordo)
Automazione ed Elettronica (gustavo)
Direttive per la sicurezza (ErnestoCappelletti)
EYnfo dall'Alaska (mir)
Apriamo il quadro! (attilio)
H7-25 (asdf)
Passione Elettrica (massimob)
Elettroni a spasso (guidob)
Bloguerra (guerra)






