ragazzi non riesco a trovare il valore efficace della componente fondamentale o prima armonica della corrente di linea del raddrizzatore .Qualcuno poterebbe spiegarmi tutti i passaggi dato che il mio libro mi fornisce solo il risultato :
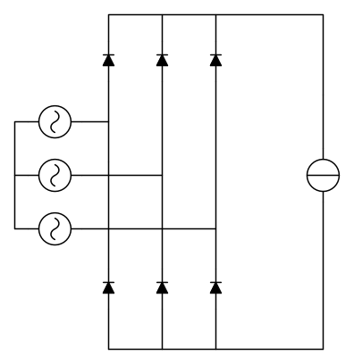
raddrizzatore trifase a ponte di diodi con Ls=0
Moderatori:
carloc,
g.schgor,
BrunoValente,
IsidoroKZ
5 messaggi
• Pagina 1 di 1
2
voti
Se non mi sbaglio in quel circuito conducono solo due diodi alla volta, uno nel gruppo dei positivi e uno nel gruppo dei negativi, e la corrente condotta, quindi anche quella di linea, e` costante.
Conducono i diodi collegati alla tensione piu` positiva delle tre e alla piu` negativa delle tre di linea e conducono per 120 gradi, un terzo di periodo.
La corrente di linea e` quindi una specie di onda quadra a tre livelli, 0. +I e -I.
Puoi dire ad esempio che ogni corrente di linea vale +I per 120 gradi, poi 0 per 60 gradi, poi -I per altri 120 gradi e infine 0 per i restanti 60 gradi, poi si ricomincia.
Disegna questa forma d'onda e calcolane la fondamentale. E` piu` facile se ad esempio metti il centro della parte positiva +I intorno all'origine dei tempi, cosi` hai una funzione parti e poi fai l'integrale usando un coseno,
Sono di corsa, devo scappare, non sono sicuro che sia proprio giusto
Edit: la prima versione aveva i valori 60 e 120 scambiati. ora spero siano giusti
Conducono i diodi collegati alla tensione piu` positiva delle tre e alla piu` negativa delle tre di linea e conducono per 120 gradi, un terzo di periodo.
La corrente di linea e` quindi una specie di onda quadra a tre livelli, 0. +I e -I.
Puoi dire ad esempio che ogni corrente di linea vale +I per 120 gradi, poi 0 per 60 gradi, poi -I per altri 120 gradi e infine 0 per i restanti 60 gradi, poi si ricomincia.
Disegna questa forma d'onda e calcolane la fondamentale. E` piu` facile se ad esempio metti il centro della parte positiva +I intorno all'origine dei tempi, cosi` hai una funzione parti e poi fai l'integrale usando un coseno,
Sono di corsa, devo scappare, non sono sicuro che sia proprio giusto
Edit: la prima versione aveva i valori 60 e 120 scambiati. ora spero siano giusti
Per usare proficuamente un simulatore, bisogna sapere molta più elettronica di lui
Plug it in - it works better!
Il 555 sta all'elettronica come Arduino all'informatica! (entrambi loro malgrado)
Se volete risposte rispondete a tutte le mie domande
Plug it in - it works better!
Il 555 sta all'elettronica come Arduino all'informatica! (entrambi loro malgrado)
Se volete risposte rispondete a tutte le mie domande
-1
voti
ragazzi non c'è proprio nessuno che può aiutarmi?
0
voti
http://millefori.altervista.org
Tool gratuito per chi sviluppa su millefori.
Tutti sanno che una cosa è impossibile da realizzare, finché arriva uno sprovveduto che non lo sa e la inventa. (A. Einstein)
Se non c'e` un 555 non e` un buon progetto (IsidoroKZ)
Strumento per formule
Tool gratuito per chi sviluppa su millefori.
Tutti sanno che una cosa è impossibile da realizzare, finché arriva uno sprovveduto che non lo sa e la inventa. (A. Einstein)
Se non c'e` un 555 non e` un buon progetto (IsidoroKZ)
Strumento per formule
-

posta10100
5.550 4 10 13 - Master EY

- Messaggi: 4832
- Iscritto il: 5 nov 2006, 0:09
0
voti
non mi è chiaro come il mio libro sia arrivato al risultato del valore efficace della componente fondamentale della corrente di linea del raddrizzatore trifase
5 messaggi
• Pagina 1 di 1
Chi c’è in linea
Visitano il forum: Nessuno e 195 ospiti

Elettrotecnica e non solo (admin)
Un gatto tra gli elettroni (IsidoroKZ)
Esperienza e simulazioni (g.schgor)
Moleskine di un idraulico (RenzoDF)
Il Blog di ElectroYou (webmaster)
Idee microcontrollate (TardoFreak)
PICcoli grandi PICMicro (Paolino)
Il blog elettrico di carloc (carloc)
DirtEYblooog (dirtydeeds)
Di tutto... un po' (jordan20)
AK47 (lillo)
Esperienze elettroniche (marco438)
Telecomunicazioni musicali (clavicordo)
Automazione ed Elettronica (gustavo)
Direttive per la sicurezza (ErnestoCappelletti)
EYnfo dall'Alaska (mir)
Apriamo il quadro! (attilio)
H7-25 (asdf)
Passione Elettrica (massimob)
Elettroni a spasso (guidob)
Bloguerra (guerra)


