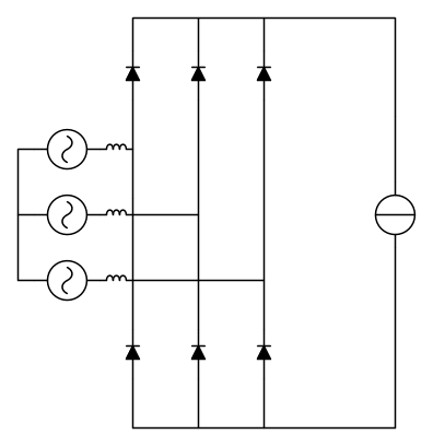
ragazzi come si fa a trovare il valore medio della tensione di uscita lato continua in questo circuito?
Ho cercato di risolverlo ma non trovo la soluzione
valore medio della tensione di uscita lato continua
Moderatori:
carloc,
g.schgor,
BrunoValente,
IsidoroKZ
6 messaggi
• Pagina 1 di 1
1
voti
Avevi poi risolto il problema del valore della fondamentale della corrente?
Hai le induttanze sulla linea e il carico anche induttivo?
Hai le induttanze sulla linea e il carico anche induttivo?
Per usare proficuamente un simulatore, bisogna sapere molta più elettronica di lui
Plug it in - it works better!
Il 555 sta all'elettronica come Arduino all'informatica! (entrambi loro malgrado)
Se volete risposte rispondete a tutte le mie domande
Plug it in - it works better!
Il 555 sta all'elettronica come Arduino all'informatica! (entrambi loro malgrado)
Se volete risposte rispondete a tutte le mie domande
0
voti
no, ho solo le induzzanze nella linea e un generatore di corrente continua costante nel lato in continua in uscita.
comunque si, ho risolto il problema della fondamentale.
comunque si, ho risolto il problema della fondamentale.
0
voti
hai provato a ragionare per via grafica? nel senso, disegni su uno stesso diagramma tensione-tempo le tre sinusoidi in uscita dai tre generatori di tensione (che credo venga dato per scontato che siano simmetriche ed equilibrate), una volta disegnate le tensioni in ingresso, la tensione in uscita sul generatore di corrente assumerà una certa forma, da lì calcolarti il valore medio
-

MrCannelloni
520 1 5 11 - Frequentatore

- Messaggi: 155
- Iscritto il: 1 mar 2014, 12:26
0
voti
Si ,però esistono gli induttori che determinano il tempo di commutazione e questo porta ad una sottrazione dell area alla tensione di uscita. Per questo motivo il grafico della tensioe di uscita è più complesso e quindi volevo almeno una rappresentaziine del grafico per calcolarmi il valore medio.
0
voti
la presenza degli induttori fa si che la commutazione non avvenga istantaneamente, quindi il grafico in uscita, che suppongo tu conosca, si modifica, tale modifica avviene soltanto per un certo intervallo di tempo per periodo del segnale (in uscita), per il resto del periodo resta uguale a quello che conosci.
Quindi quello che devi fare è capire come si modifica l'andamento della tensione in uscita nell'intervallo di commutazione.
Durante la commutazione i diodi si comportano come corto circuiti e si possono considerare c.c. dall'istante di commutazione all'instante in cui la corrente in uno dei due si annulla.
Hai provato a studiare il circuito elettrico imponendo i diodi come dei corto circuiti?
Quindi quello che devi fare è capire come si modifica l'andamento della tensione in uscita nell'intervallo di commutazione.
Durante la commutazione i diodi si comportano come corto circuiti e si possono considerare c.c. dall'istante di commutazione all'instante in cui la corrente in uno dei due si annulla.
Hai provato a studiare il circuito elettrico imponendo i diodi come dei corto circuiti?
-

MrCannelloni
520 1 5 11 - Frequentatore

- Messaggi: 155
- Iscritto il: 1 mar 2014, 12:26
6 messaggi
• Pagina 1 di 1
Chi c’è in linea
Visitano il forum: Nessuno e 255 ospiti

Elettrotecnica e non solo (admin)
Un gatto tra gli elettroni (IsidoroKZ)
Esperienza e simulazioni (g.schgor)
Moleskine di un idraulico (RenzoDF)
Il Blog di ElectroYou (webmaster)
Idee microcontrollate (TardoFreak)
PICcoli grandi PICMicro (Paolino)
Il blog elettrico di carloc (carloc)
DirtEYblooog (dirtydeeds)
Di tutto... un po' (jordan20)
AK47 (lillo)
Esperienze elettroniche (marco438)
Telecomunicazioni musicali (clavicordo)
Automazione ed Elettronica (gustavo)
Direttive per la sicurezza (ErnestoCappelletti)
EYnfo dall'Alaska (mir)
Apriamo il quadro! (attilio)
H7-25 (asdf)
Passione Elettrica (massimob)
Elettroni a spasso (guidob)
Bloguerra (guerra)


