salve anzitutto grazie per le risposte...ho riprovato a fare l'esercizio come dice lei e anche a me vengono otto stati nella macchina di moore e 4 nella machina di mealy...due domande:
perché nella macchina di moore usa 3 ingressi?Quindi in teoria q2 dovrebbe essere l'uscita del mio automa giusto?
macchina di moore
Moderatori:
carloc,
g.schgor,
BrunoValente,
IsidoroKZ
14 messaggi
• Pagina 2 di 2 • 1, 2
0
voti
el92 ha scritto:perché nella macchina di moore usa 3 ingressi?
(che rappresentano le uscite dei D-FF)
el92 ha scritto:q2 dovrebbe essere l'uscita del mio automa giusto?
Si.
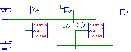
Ma ecco la macchina di Mealy
Diagramma degli stati:
Tabella degli stati:
Da questa si ricavano le Mappe di Karnaugh
di d0 e d1 (Ijngressi dati dei D-FF)
per ricavare i rispettivi circuit logici.
Ecco lo schema finale (in Microcap):
e la relativa simulazione:
Nello schema manca la sincronizzazione di x con il ClocK
(sul fronte negativo) ed il FF finale dell'uscita Q.
Il diagramma temporale mostra 2 cicli,
il primo con pausa troppo lunga,
il secondo con pausa breve.
Mi riservo di commentare in seguito
il mio parere su questo problema.
Comunque ora dovresti essere in grado
di progettare la macchina di Moore.
0
voti
salve la ringrazio per le sue risposte...grazie ai suoi consigli
sono finalmente riuscita a risolvere il problema...davvero molto gentile

sono finalmente riuscita a risolvere il problema...davvero molto gentile

14 messaggi
• Pagina 2 di 2 • 1, 2
Chi c’è in linea
Visitano il forum: Google Adsense [Bot] e 45 ospiti

Elettrotecnica e non solo (admin)
Un gatto tra gli elettroni (IsidoroKZ)
Esperienza e simulazioni (g.schgor)
Moleskine di un idraulico (RenzoDF)
Il Blog di ElectroYou (webmaster)
Idee microcontrollate (TardoFreak)
PICcoli grandi PICMicro (Paolino)
Il blog elettrico di carloc (carloc)
DirtEYblooog (dirtydeeds)
Di tutto... un po' (jordan20)
AK47 (lillo)
Esperienze elettroniche (marco438)
Telecomunicazioni musicali (clavicordo)
Automazione ed Elettronica (gustavo)
Direttive per la sicurezza (ErnestoCappelletti)
EYnfo dall'Alaska (mir)
Apriamo il quadro! (attilio)
H7-25 (asdf)
Passione Elettrica (massimob)
Elettroni a spasso (guidob)
Bloguerra (guerra)




