Rivelatore di chiamate telefoniche
Moderatori:
carloc,
g.schgor,
BrunoValente,
IsidoroKZ
6 messaggi
• Pagina 1 di 1
0
voti
Salve a tutti. Sono un grande appassionato di elettronica a cui ogni tanto vengono in mente strane idee ma vista la mia non “ferratezza” in materia, chiedo a voi se tali idee possono essere realizzabili. Vorrei costruire un piccolo e semplice apparecchio che mi segnali la presenza di chiamate telefoniche in un’area molto ristretta, ovvero riuscire a capire se una qualche persona nel raggio di qualche metro sta effettuando una chiamata con il telefono. Vorrei un circuito molto semplice anche non preciso che mi dia in uscita un range di tensione che so 0-5 volt o 0-12 poi mi arrangio io a convertire questo valore in una barra di led o qualcosa di simile. Il grande problema è lo stadio alta-frequenza. Ho cercato in giro ma trovo molti schemi realizzati con due comuni diodi al silicio, un pezzo di filo come antenna e un paio di transistor; anche se non sono preparato in materia immagino (mi posso sbagliare benissimo) che alle frequenze dei telefoni occorrerebbero diodi veloci o transistor af e non dei comuni 4148 e dei bc547 o 337 che siano. Non riesco a trovare uno schema valido che funzioni (ne ho montati a decine). Grazie infinite per i consigli che vorrete darmi. P.s. non sapevo se era meglio postare qui o nel forum telecomunicazioni. Spero di non aver sbagliato.
0
voti
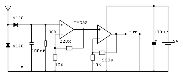
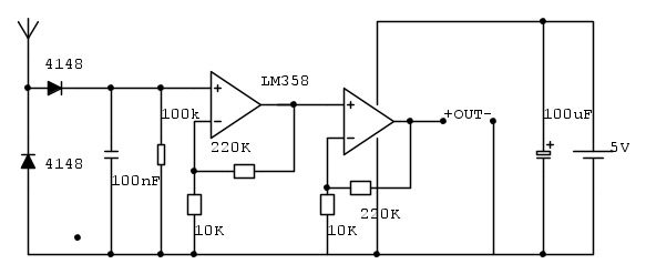
Questo schema è l'unico che funziona....malissimo con pochissima sensibilità ma funziona. Come renderlo più sensibile? In uscita leggo una tensione di circa 4 volt solamente se tocco l'antenna altrimenti sta sempre a zero anche con il telefono in trasmissione a 2 centimetri. Per antenna ho provato varie lunghezze. Potrebbe essere uno spunto di discussione.
0
voti
Se stai parlando di gsm non credo che qualche operazionale sia sufficiente. L'unica cosa che probabilmente puoi fare è quella di rilevare la potenza della banda dedicata al gsm con una antenna abbastanza isotropa. Sull'argomento ne so veramente poco, ma credo sia l'unica strada percorribile. Da quanto ne so il gsm funziona in CDMA e spread spectrum, quindi la potenza che esce dall'antenna di un cellulare potrebbe essere distribuita ovunque nella banda in questione, e magari nemmeno spunta dal rumore di un tuo amplificatore se lo usi come semplice analizzatore di spettro. Le cose che ho detto vanno sottoscritte in tutto o in parte da qualcuno di esperto.
Ps: non puoi usare una antenna a caso per fare queste cose!
Ps: non puoi usare una antenna a caso per fare queste cose!
-

marioursino
5.687 3 9 13 - G.Master EY

- Messaggi: 1598
- Iscritto il: 5 dic 2009, 4:32
0
voti
appena usciti i cellulari , si trovavano in commercio quei simpatici gadget che si illuminavano alla ricezione di una chiamata o quando il telefono si collegava alla cella.altro non era che un semplice misuratore di campo.
per lo schema come minimo è meglio usare diodi con una c.d.t. minore tipo OA90 - OA91 insomma a baffo di gatto.
per lo schema come minimo è meglio usare diodi con una c.d.t. minore tipo OA90 - OA91 insomma a baffo di gatto.
0
voti
Grazie infinite per le risposte! Si titan, ricordo perfettamente quei gadget....vorrei provare a ricostruirne uno simile. Pensi che possa essere cosa fattibile? non mi interessa assolutamente la precisione e la discriminazione estrema. Provo intanto a vedere di trovare i diodi che mi hai suggerito. Grazie ancora a entrambi.
0
voti
si penso che per giocare e far accendere un led o mettere un microamperometro e vedere un po se ricevi campo va bene. l'antenna puoi provare con un loop (cerchio di circa 10 cm diametro)
poi si potrebbe provare ad amplificare il segnale rf con i MAR o MAV (preampl. rf ) cercalo da almeno 2 GHz
poi si potrebbe provare ad amplificare il segnale rf con i MAR o MAV (preampl. rf ) cercalo da almeno 2 GHz
6 messaggi
• Pagina 1 di 1
Chi c’è in linea
Visitano il forum: Nessuno e 185 ospiti

Elettrotecnica e non solo (admin)
Un gatto tra gli elettroni (IsidoroKZ)
Esperienza e simulazioni (g.schgor)
Moleskine di un idraulico (RenzoDF)
Il Blog di ElectroYou (webmaster)
Idee microcontrollate (TardoFreak)
PICcoli grandi PICMicro (Paolino)
Il blog elettrico di carloc (carloc)
DirtEYblooog (dirtydeeds)
Di tutto... un po' (jordan20)
AK47 (lillo)
Esperienze elettroniche (marco438)
Telecomunicazioni musicali (clavicordo)
Automazione ed Elettronica (gustavo)
Direttive per la sicurezza (ErnestoCappelletti)
EYnfo dall'Alaska (mir)
Apriamo il quadro! (attilio)
H7-25 (asdf)
Passione Elettrica (massimob)
Elettroni a spasso (guidob)
Bloguerra (guerra)



