Spegnimento graduale di un LED tramite nNE555
Moderatori:
carloc,
g.schgor,
BrunoValente,
IsidoroKZ
43 messaggi
• Pagina 4 di 5 • 1, 2, 3, 4, 5
1
voti
Visto che sollecitare le risposte su questo forum non e' cosa gradita e che tu lo fai usualmente (nonostante i voti negativi) chiudiamo il thread.
marco
2
voti
Hai ragione, avevo perso di vista questo thread. Un suggerimento: al posto di usare Up, che non e` ben visto, mandami un messaggio privato, ricordandomi che aspetti la prosecuzione del circuito.
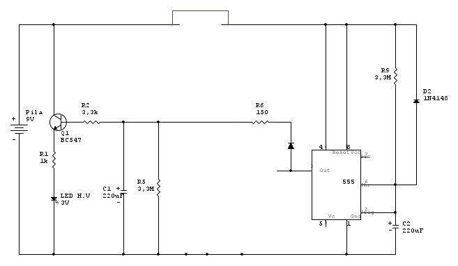
A questo punto proviamo il 555, aggiungi questo pezzo di circuito, e vediamo se va
Quando connetti la batteria dovrebbe accendersi il led, stare acceso per un po' di minuti e poi cominciare a spegnersi gradualmente.
Se te l'ho gia` chiesto ho dimenticato la risposta
: hai un tester?
A questo punto proviamo il 555, aggiungi questo pezzo di circuito, e vediamo se va
Quando connetti la batteria dovrebbe accendersi il led, stare acceso per un po' di minuti e poi cominciare a spegnersi gradualmente.
Se te l'ho gia` chiesto ho dimenticato la risposta
Per usare proficuamente un simulatore, bisogna sapere molta più elettronica di lui
Plug it in - it works better!
Il 555 sta all'elettronica come Arduino all'informatica! (entrambi loro malgrado)
Se volete risposte rispondete a tutte le mie domande
Plug it in - it works better!
Il 555 sta all'elettronica come Arduino all'informatica! (entrambi loro malgrado)
Se volete risposte rispondete a tutte le mie domande
4
voti
marco438 ha scritto:Visto che sollecitare le risposte su questo forum non e' cosa gradita e che tu lo fai usualmente (nonostante i voti negativi) chiudiamo il thread.
Questa volta e` colpa mia! Sono l'unico interlocutore nel thread e l'ho lasciato a meta`. Non e` il caso solito di nessuna risposta e dopo un'ora c'e` un sollecito, l'OP e` proprio solo stato abbandonato
In questi giorni sono un po' di corsa, e piu` fuso del solito da jet lag e mi scappano tante cose.
Gli ho anche detto che al posto di up (che non e` uno up da solo e` un "wake up" per me) di mandarmi un MP. Ma siamo quasi alla fine. Direi di sbloccarlo.
Ciao
Per usare proficuamente un simulatore, bisogna sapere molta più elettronica di lui
Plug it in - it works better!
Il 555 sta all'elettronica come Arduino all'informatica! (entrambi loro malgrado)
Se volete risposte rispondete a tutte le mie domande
Plug it in - it works better!
Il 555 sta all'elettronica come Arduino all'informatica! (entrambi loro malgrado)
Se volete risposte rispondete a tutte le mie domande
1
voti
Scusate, non credevo che gli Up potessero creare tanto casino.
Ho collegato l'NE come nel circuito ma il led non si è acceso. Ho dovuto comunque collegare e scollegare il diodo com fatto in precedenza.
Si ho il tester ;)
Ho collegato l'NE come nel circuito ma il led non si è acceso. Ho dovuto comunque collegare e scollegare il diodo com fatto in precedenza.
Si ho il tester ;)
1
voti
Fai un paio di foto del circuito in cui si vedano i componenti e come sono collegati. Con i fili lunghi creso sara` difficile vedere qualcosa 
Poi torniamo a quanto aveva detto
g.schgor all'inizio del thread, facendo qualche misura.
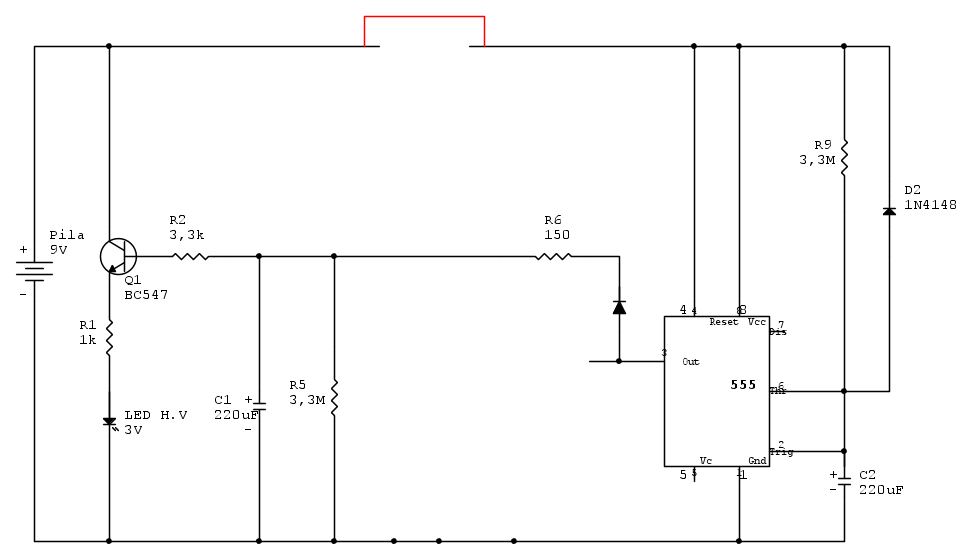
Primo passo: Aggiungi un condensatore da 10nF (valore non critico) sul piedino 5, verso il negativo. Non e` indispensabile, ma porta bene :). E` evidenziato in questo schema.
NON smontare il resto del circuito, ho solo cancellato una parte dello schema perche' mi piacciono i disegni non stile lenzuolo. Lascia tutto il resto, con il diodo collegato al piedino 3.
Secondo passo: con la pila staccata, cortocircuita con un pezzo di filo per qualche secondo il condensatore C2, cosi` siamo sicuri di partire con condizioni nulle.
Terzo passo: Collega la pila e misura le tensioni sui vari piedini, con il puntale negativo del tester sul negativo della batteria, e fai le misure con il puntale positivo (rosso). Il tester deve essere messo in posizione VDC fondo scala 20V. Comincia dal piedino 8, poi il 4, il 2, il 6, il 3, il 5 e infine l'1 . Il 7 non serve misurarlo :) Riporta tutti i valori di tensione, per ordine nella risposta.
Dopo 2 o 3 minuti, misura di nuovo la tensione sul piedino 2, 6 e 3 e riporta qui le misure. Rifai ancora la misura dopo 10 minuti.
Poi torniamo a quanto aveva detto
Primo passo: Aggiungi un condensatore da 10nF (valore non critico) sul piedino 5, verso il negativo. Non e` indispensabile, ma porta bene :). E` evidenziato in questo schema.
NON smontare il resto del circuito, ho solo cancellato una parte dello schema perche' mi piacciono i disegni non stile lenzuolo. Lascia tutto il resto, con il diodo collegato al piedino 3.
Secondo passo: con la pila staccata, cortocircuita con un pezzo di filo per qualche secondo il condensatore C2, cosi` siamo sicuri di partire con condizioni nulle.
Terzo passo: Collega la pila e misura le tensioni sui vari piedini, con il puntale negativo del tester sul negativo della batteria, e fai le misure con il puntale positivo (rosso). Il tester deve essere messo in posizione VDC fondo scala 20V. Comincia dal piedino 8, poi il 4, il 2, il 6, il 3, il 5 e infine l'1 . Il 7 non serve misurarlo :) Riporta tutti i valori di tensione, per ordine nella risposta.
Dopo 2 o 3 minuti, misura di nuovo la tensione sul piedino 2, 6 e 3 e riporta qui le misure. Rifai ancora la misura dopo 10 minuti.
Per usare proficuamente un simulatore, bisogna sapere molta più elettronica di lui
Plug it in - it works better!
Il 555 sta all'elettronica come Arduino all'informatica! (entrambi loro malgrado)
Se volete risposte rispondete a tutte le mie domande
Plug it in - it works better!
Il 555 sta all'elettronica come Arduino all'informatica! (entrambi loro malgrado)
Se volete risposte rispondete a tutte le mie domande
0
voti
Mea culpa!
Ho provato a verificare ulteriormente il circuito realizzato stamani e mi sono accorto di un piccolo contatto millimetrico di due fili. Ho sistemato e il LED si è acceso (con lo schema postato ieri) ma dopo dieci minuti ancora non tende a spegnersi. Ho notato che dai 5,6/5,7 mA, dopo dieci minuti è passato a 6,1mA.
Ho provato a verificare ulteriormente il circuito realizzato stamani e mi sono accorto di un piccolo contatto millimetrico di due fili. Ho sistemato e il LED si è acceso (con lo schema postato ieri) ma dopo dieci minuti ancora non tende a spegnersi. Ho notato che dai 5,6/5,7 mA, dopo dieci minuti è passato a 6,1mA.
43 messaggi
• Pagina 4 di 5 • 1, 2, 3, 4, 5
Chi c’è in linea
Visitano il forum: Nessuno e 366 ospiti

Elettrotecnica e non solo (admin)
Un gatto tra gli elettroni (IsidoroKZ)
Esperienza e simulazioni (g.schgor)
Moleskine di un idraulico (RenzoDF)
Il Blog di ElectroYou (webmaster)
Idee microcontrollate (TardoFreak)
PICcoli grandi PICMicro (Paolino)
Il blog elettrico di carloc (carloc)
DirtEYblooog (dirtydeeds)
Di tutto... un po' (jordan20)
AK47 (lillo)
Esperienze elettroniche (marco438)
Telecomunicazioni musicali (clavicordo)
Automazione ed Elettronica (gustavo)
Direttive per la sicurezza (ErnestoCappelletti)
EYnfo dall'Alaska (mir)
Apriamo il quadro! (attilio)
H7-25 (asdf)
Passione Elettrica (massimob)
Elettroni a spasso (guidob)
Bloguerra (guerra)






