Cos'è ElectroYou | Login Iscriviti

ElectroYou - la comunità dei professionisti del mondo elettrico

Automatizzare porticina pollaio

Piccole automazioni, installazioni elettroniche e domotica
0
voti

[81] Re: Automatizzare porticina pollaio

Messaggioda Foto Utentemarco438 » 4 mar 2015, 14:41

Thanatos ha scritto:Salve, oggi ho provato a montare il tutto seguendo uno schema trovato in rete .......

Da come hai scritto, sembrava che tu avessi montato un circuito nuovo; se e', al contrario, quello del post 4, mancano comunque sigle e valori dei componenti.
marco
Avatar utente
Foto Utentemarco438
37,1k 7 11 13
-EY Legend-
-EY Legend-
 
Messaggi: 16323
Iscritto il: 24 mar 2010, 15:09
Località: Versilia

0
voti

[82] Re: Automatizzare porticina pollaio

Messaggioda Foto UtenteThanatos » 4 mar 2015, 15:39

Si hai ragione avevo scritto così perché Russell e GuidoB mi hanno aiutato dall inizio e ho dato per scontato il resto.

Immagini da server esterno cancellate; leggi le regole del forum.
Spero si veda tutto
Avatar utente
Foto UtenteThanatos
35 4
New entry
New entry
 
Messaggi: 68
Iscritto il: 30 gen 2015, 20:51

0
voti

[83] Re: Automatizzare porticina pollaio

Messaggioda Foto UtenteRussell » 4 mar 2015, 16:09

Ciao
vedo che alla fine ti sei super affezionato al tuo schema del post 4 e alla fine preferisci implementare quello (nonstante qualche miglioria che si era cercato di aggiungere... vabbè, poco male).
Lo schema di principio comunque andava bene, non mi esprimo invece sullo sbroglio: se c'è un errore ci vuole tempo e pazienza ad individuarlo. Prova da solo a controllare se i due schemi sono perfettamente identici casomai. (comunque se la fonte è affidabile potremmo evitare di perderci tempo)
Potrebbe essere anche banalmente un piccolo errore nell'implementazione ... hai un multimetro? riesci a fare delle misure per verificare cosa non vada? ... sei stato un po' generico con la descrizione del problema.
Avatar utente
Foto UtenteRussell
3.373 3 5 9
Master
Master
 
Messaggi: 2193
Iscritto il: 4 ott 2009, 10:25

0
voti

[84] Re: Automatizzare porticina pollaio

Messaggioda Foto UtenteThanatos » 4 mar 2015, 17:23

Ciao Russell, il fatto è che avevo i vari schemi stampati sulla scrivania e per mancanza di tempo ho "delegato" la mia ragazza per l'acquisto componenti e il caso a voluto che prendesse quello schema (l'ultimo della pila tra l'altro) quindi mi sono adattato, lo sbroglio lo trovato in rete e dicono funzioni, poi boh a me non va sembra che il transistor non dia impulso al relè, faccio un esempio stupido s collego una pila che so da 9 volt, fino al transistor arriva tensione poi dal transistor al relè nulla.
Ho anche dei dubbi sul posizionamento della fotoresistenza dove va messa esattamente?
Per il resto ho collegato tutto paro paro allo sbroglio postato.
Ps che tipo di test dovrei fare?
Grazie ancora una volta a tutti
Avatar utente
Foto UtenteThanatos
35 4
New entry
New entry
 
Messaggi: 68
Iscritto il: 30 gen 2015, 20:51

0
voti

[85] Re: Automatizzare porticina pollaio

Messaggioda Foto UtenteRussell » 4 mar 2015, 17:44

Thanatos ha scritto:Ho anche dei dubbi sul posizionamento della fotoresistenza dove va messa esattamente?


in realtà nello sbroglio non è segnata. Almeno mi sembra. Se vedi R1 e R2 sono collegati da una singola pista, e invece era previsto che da li' partisse anche un terminale per la fotoresistenza.
Sicuro che lo schema e lo sbroglio siano la stessa cosa?

Thanatos ha scritto:faccio un esempio stupido s collego una pila che so da 9 volt, fino al transistor arriva tensione poi dal transistor al relè nulla.

ok... pero' cosi' è vago... non si capisce neanche adesso se la fotoresistenza è stata installata, e come.

Thanatos ha scritto:Ps che tipo di test dovrei fare?


Se faccio riferimento allo schema originario, vedi sotto, ad es dovresti verificare inizialmente che la tensione (rispetto al nodo di massa) nei 2 punti segnati in rosso, cambi molto il valore se illumini o meno la fotoresistenza.

Avatar utente
Foto UtenteRussell
3.373 3 5 9
Master
Master
 
Messaggi: 2193
Iscritto il: 4 ott 2009, 10:25

0
voti

[86] Re: Automatizzare porticina pollaio

Messaggioda Foto UtenteRussell » 4 mar 2015, 18:09

Credo la fotoresistenza andasse collegata a dei terminali mancanti, vedi piste che ho aggiunto in rosso
Ma controlla meglio l'equivalenza tra gli schemi in tutte le sue parti ... io l'ho fatto in fretta.
Allegati
ConFotoresistenza.png
Avatar utente
Foto UtenteRussell
3.373 3 5 9
Master
Master
 
Messaggi: 2193
Iscritto il: 4 ott 2009, 10:25

1
voti

[87] Re: Automatizzare porticina pollaio

Messaggioda Foto UtenteThanatos » 4 mar 2015, 19:55

Provato ma non sembra cambi molto anzi quasi nulla, come faccio a capire se la fotoresistenza sia rotta?

Quello che ti spiegavo prima e che sul piedino del transistor che si collega al relè non risulta alcuna tensione.

La fotoresistenza va collegata con un piedino sul negativo? Io credevo come una normale resistenza

Grazie
Avatar utente
Foto UtenteThanatos
35 4
New entry
New entry
 
Messaggi: 68
Iscritto il: 30 gen 2015, 20:51

1
voti

[88] Re: Automatizzare porticina pollaio

Messaggioda Foto UtenteRussell » 4 mar 2015, 20:11

Thanatos ha scritto:Provato ma non sembra cambi molto anzi quasi nulla, come faccio a capire se la fotoresistenza sia rotta?


ahi.
Per vedere se funziona metti il multimetro in modalità 'ohm' e verifica che quando è illuminata vada sui 10KOhm, mentre al buio su 1MOhm... circa... pero' strano, almeno quella dovrebbe andare.

Thanatos ha scritto:La fotoresistenza va collegata con un piedino sul negativo? Io credevo come una normale resistenza


E' una normale resistenza... piu' o meno... ma va collegata con un terminale verso massa (-) perche' quello schema prevede un partitore di tensione tra la fotoresistenza e R1 (+ P1). A seguito della diversa illuminazione il partitore si comporterà diversamente andando a far commutare lo stato logico dell'integrato.

Thanatos ha scritto:Quello che ti spiegavo prima e che sul piedino del transistor che si collega al relè non risulta alcuna tensione.


questo lo vediamo dopo, intanto verifica che la fotoresistenza e l'integrato lavorino come si deve. Poi se anche il transistor fosse rotto, al massimo si cambia.
Avatar utente
Foto UtenteRussell
3.373 3 5 9
Master
Master
 
Messaggi: 2193
Iscritto il: 4 ott 2009, 10:25

0
voti

[89] Re: Automatizzare porticina pollaio

Messaggioda Foto Utentemarco438 » 4 mar 2015, 20:17

Gradirei, se possibile, vedere uno schema in FidoCadJ con le sigle ed i valori dei componenti.
Non e' possibile rispondere a determinate domande senza avere un quadro chiaro della situazione e siamo arrivati al post 89 senza sapere quali e che tipo di componenti siano stati adoperati.
Tutti sul forum devono avere la possibilita' di poter rispondere senza perdere tempo ad andarsi a cercare schemi e valori che poi risultano inesistenti.
Lo stesso dicasi per un confronto tra schema elettrico e PCB se non si conosce, per esempio, che tipo di transistor e' stato impiegato.
marco
Avatar utente
Foto Utentemarco438
37,1k 7 11 13
-EY Legend-
-EY Legend-
 
Messaggi: 16323
Iscritto il: 24 mar 2010, 15:09
Località: Versilia

1
voti

[90] Re: Automatizzare porticina pollaio

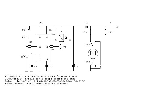
Messaggioda Foto UtenteRussell » 4 mar 2015, 20:29

Forse l'ho recuperato io, avevo ancora delle schede aperte. (le immagini erano su server esterni)
La fotoresistenza non ha dati, mentre R1 è da 1KOhm
Quindi la fotoresistenza non dovrebbe andare da 10KOhm a 1MOhm come ho ipotizzato, ma dovrebbe arrivare a valori piu' piccoli, altrimenti il circuito non funziona come deve.
Servono comunque misure e informazioni piu' precise ... altrimenti diventa problematico risponderti
Allegati
Sbroglio.jpg
schema.jpg
Avatar utente
Foto UtenteRussell
3.373 3 5 9
Master
Master
 
Messaggi: 2193
Iscritto il: 4 ott 2009, 10:25

PrecedenteProssimo

Torna a Automazione civile

Chi c’è in linea

Visitano il forum: Nessuno e 3 ospiti